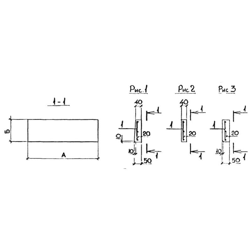
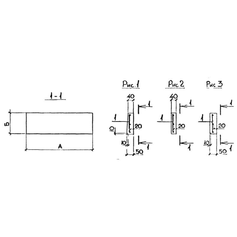
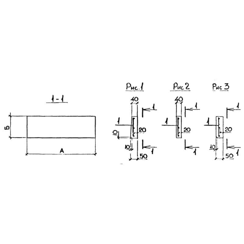
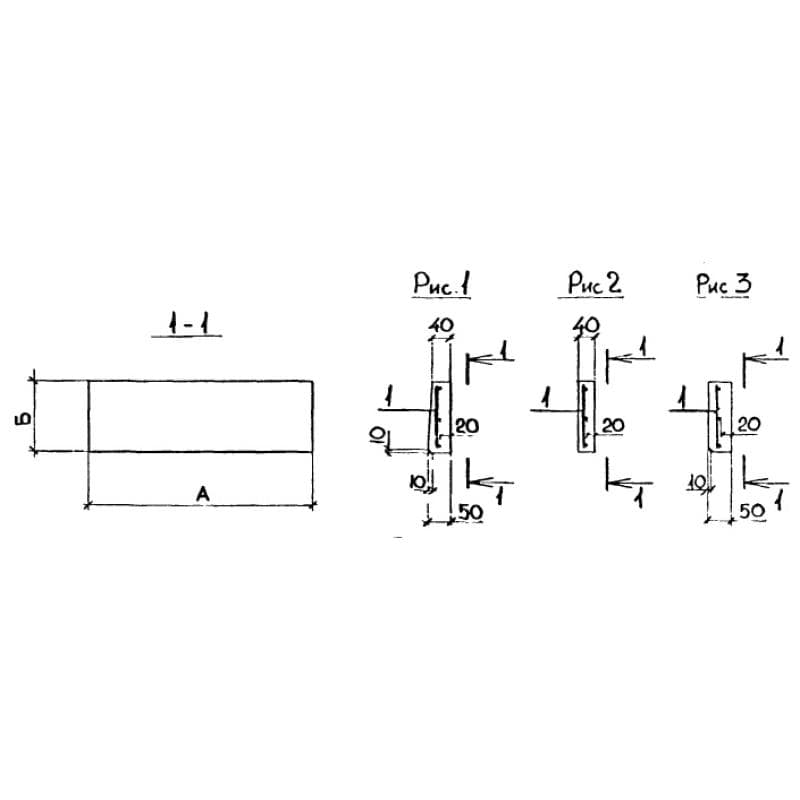
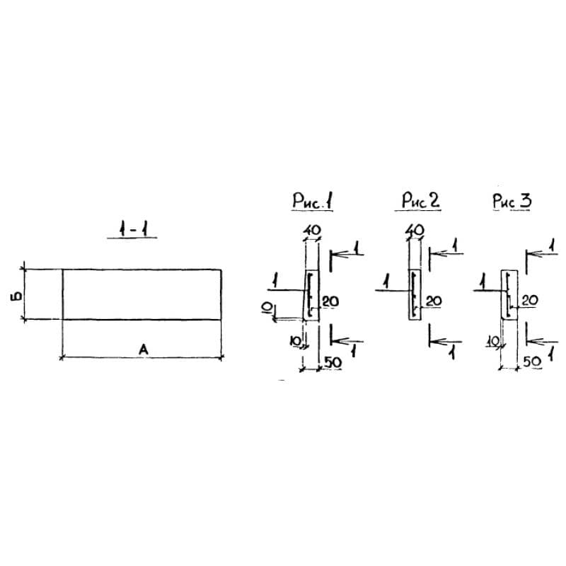
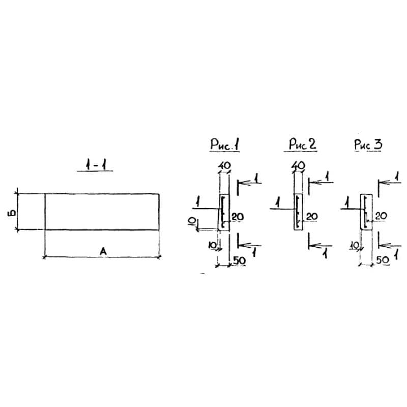
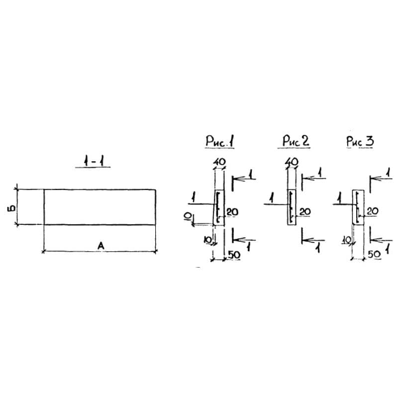
Накладные проступи для укладки на площадки и верхние ступени маршей (2ЛН)

330x35x13852ЛН 14-3 ш
Цена по запросу

330x35x13852ЛН 14-3 ш
Цена по запросу

330x35x13852ЛН 14-3 ш
Цена по запросу

470x50x13852ЛН 14-5
Цена по запросу

470x50x13852ЛН 14-5
Цена по запросу

470x50x13852ЛН 14-5 в
Цена по запросу

470x50x13852ЛН 14-5 в
Цена по запросу

470x50x13852ЛН 14-5 в
Цена по запросу

470x50x13852ЛН 14-5 вш
Цена по запросу

470x50x13852ЛН 14-5 вш
Цена по запросу

470x50x13852ЛН 14-5 вш
Цена по запросу

470x50x13852ЛН 14-5 ш
Цена по запросу