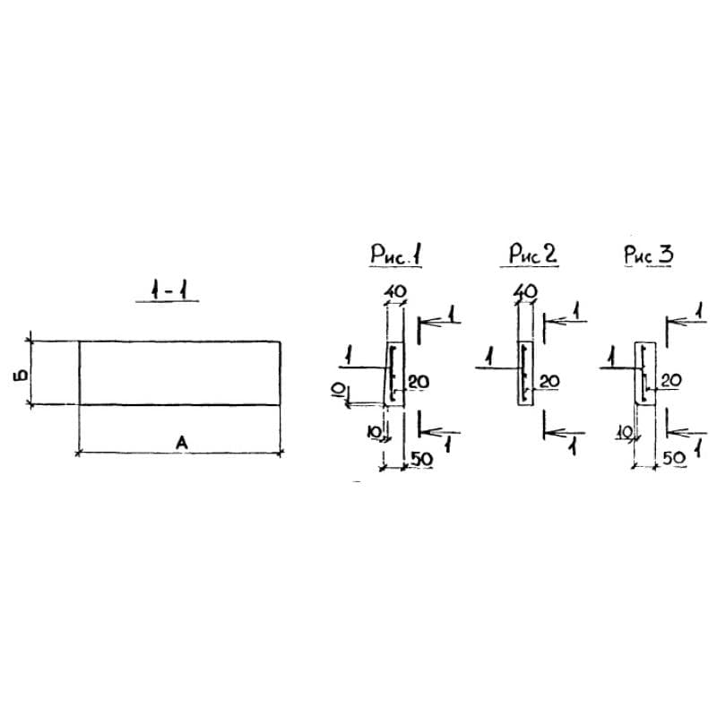
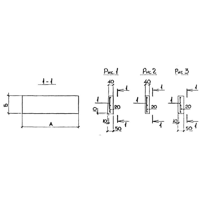
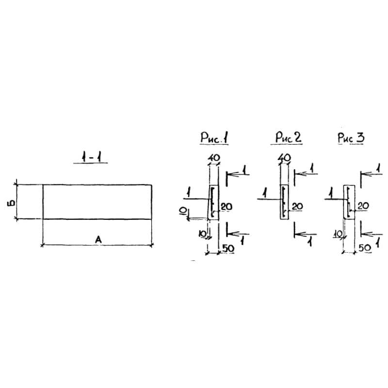
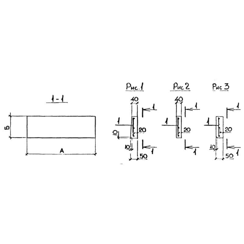
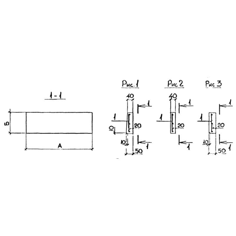
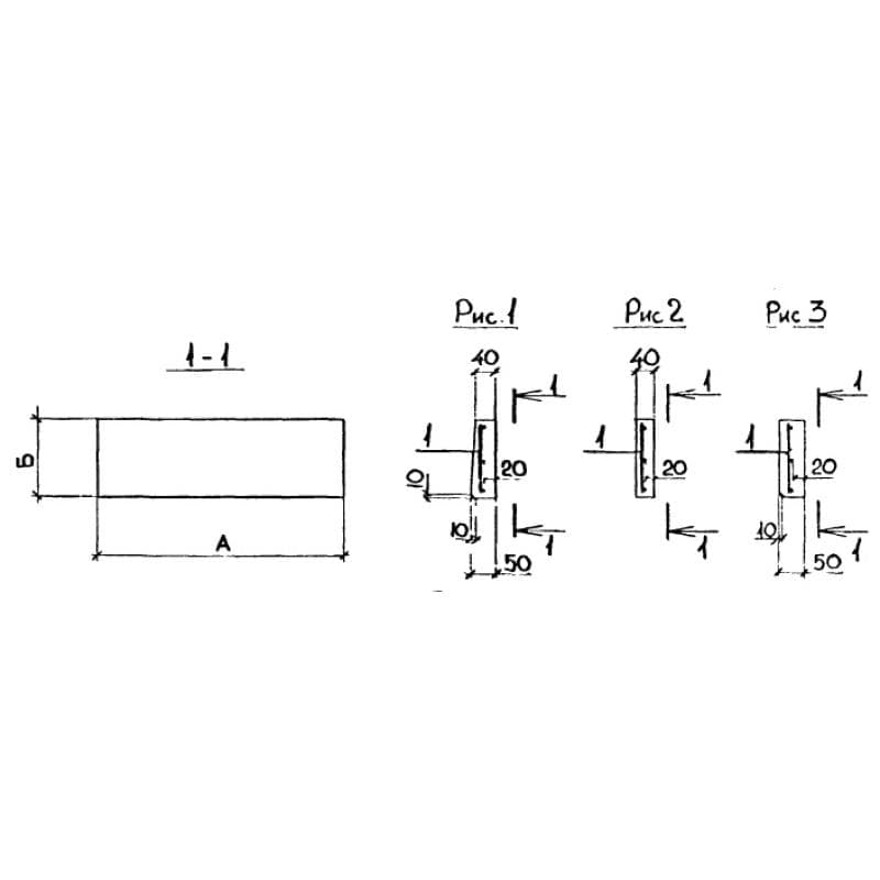
Накладные проступи для укладки на площадки и верхние ступени маршей (2ЛН)

245x35x13502ЛН 14-2 в
Цена по запросу

245x35x13502ЛН 14-2 вш
Цена по запросу

245x35x13502ЛН 14-2 вш
Цена по запросу

245x35x13502ЛН 14-2 вш
Цена по запросу

330x50x13852ЛН 14-3
Цена по запросу

330x50x13852ЛН 14-3
Цена по запросу

330x50x13852ЛН 14-3
Цена по запросу

330x50x13852ЛН 14-3 в
Цена по запросу

330x50x13852ЛН 14-3 в
Цена по запросу

330x50x13852ЛН 14-3 вш
Цена по запросу

330x50x13852ЛН 14-3 вш
Цена по запросу

330x50x13852ЛН 14-3 вш
Цена по запросу