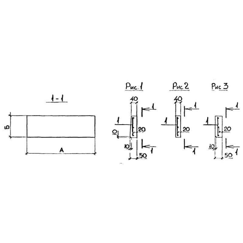
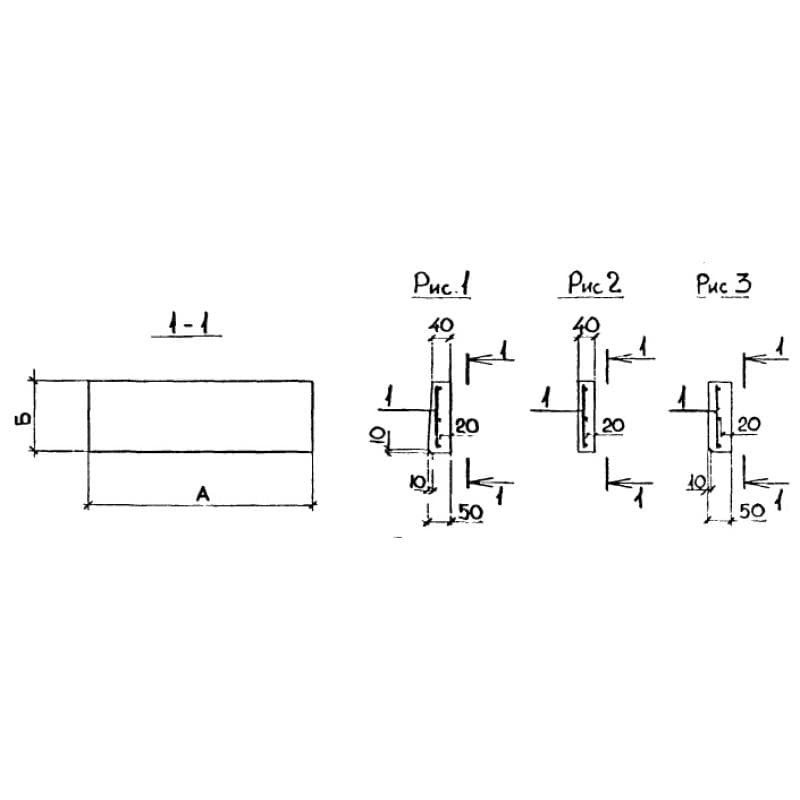
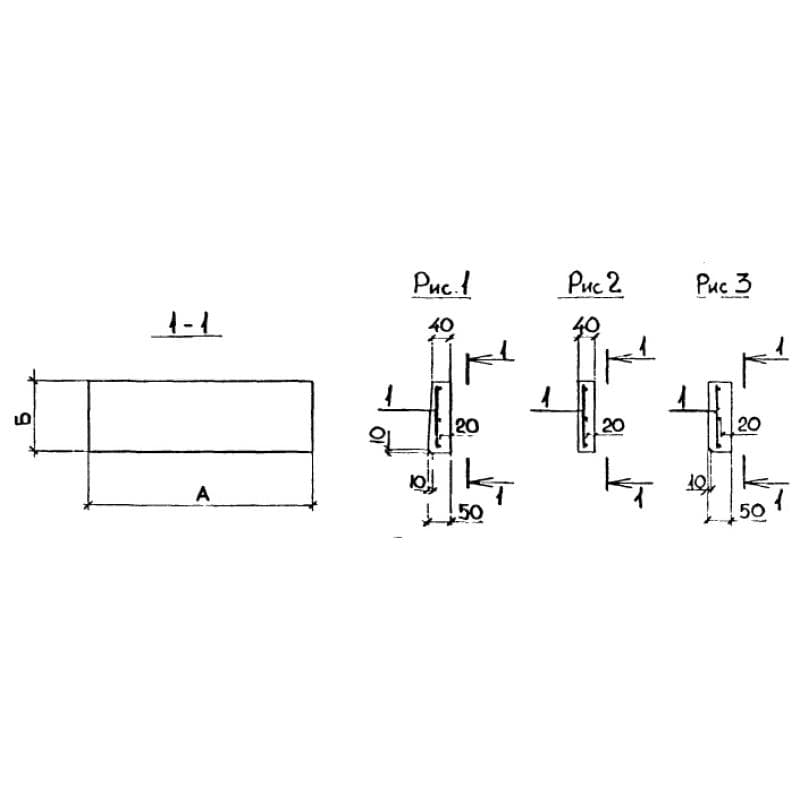
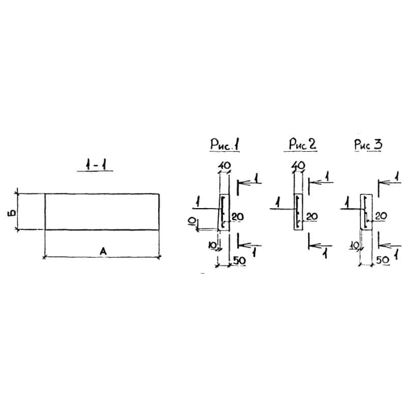
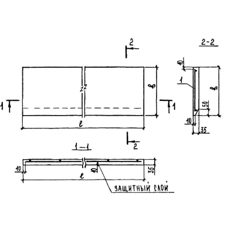
Накладные проступи для укладки на нижние и рядовые ступени маршей (1ЛН)

320x50x10001ЛН 10-3 м
Цена по запросу

320x50x10001ЛН 10-3 м
Цена по запросу

320x50x10001ЛН 10-3 м
Цена по запросу

320x50x10501ЛН 10,5-3 м
Цена по запросу

320x50x10501ЛН 10,5-3 м
Цена по запросу

320x50x10501ЛН 10,5-3 м
Цена по запросу

220x35x12001ЛН 12-2
Цена по запросу

220x35x12001ЛН 12-2
Цена по запросу

220x35x12001ЛН 12-2
Цена по запросу

220x35x12001ЛН 12-2 ш
Цена по запросу

220x35x12001ЛН 12-2 ш
Цена по запросу

220x35x12001ЛН 12-2 ш
Цена по запросу