Проступи Серия 1.020-1

320x50x12101ЛН 12-3 (1.020-1)
Цена по запросу

320x50x12101ЛН 12-3 (1.020-1)
Цена по запросу

320x50x12101ЛН 12-3 (1.020-1)
Цена по запросу

320x50x13501ЛН 13-3 (1.020-1)
Цена по запросу

320x50x13501ЛН 13-3 (1.020-1)
Цена по запросу

320x50x13501ЛН 13-3 (1.020-1)
Цена по запросу

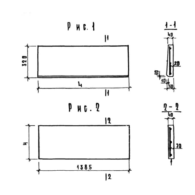
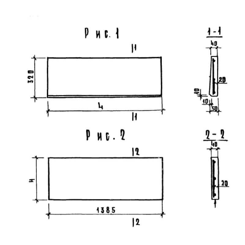
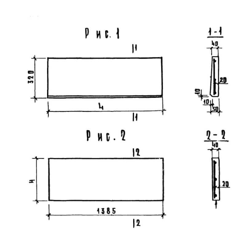
330x40x13852ЛН 14-3 (1.020-1)
Цена по запросу

330x40x13852ЛН 14-3 (1.020-1)
Цена по запросу

330x40x13852ЛН 14-3 (1.020-1)
Цена по запросу

475x40x13852ЛН 14-5 (1.020-1)
Цена по запросу

475x40x13852ЛН 14-5 (1.020-1)
Цена по запросу

475x40x13852ЛН 14-5 (1.020-1)
Цена по запросу