ЭЛЕМЕНТСТРОЙ
О НАСКОНТАКТЫ
    Балки (инд.) Балки подстропильные Серия ПП 01-03/68 Балки Альбом ПС 103 Балки Альбом ПС 192 Балки Альбом РК 1101-87 Балки Альбом СК Балки ГОСТ 20372-86 Балки СТ 02-01 Балки Серия 1.125 КЛ-3 Балки Серия 1.126 КР-1 Балки Б Серия ИС 01-04 Балки Серия 1.126.1 КЛ-1 Балки Серия 1.149 КР-1 Балки Серия 1.232.1-10 Балки Серия 1.232.1-8 Балки Серия 1.266.1-2 Балки Серия 1.426.1-8 Балки Серия 1.462-10 Балки Серия 1.462.1-10/80 ( 1.462-10, 1.862-1 ) Балки Серия 1.849.1-2 Балки Серия 1.849.1-5.93 Балки Серия 1.862-1 Балки Серия 1.862.1-2/88 Балки Серия 1.862-2 Балки Серия 1.862.1-2/88 ( 1.862.1-8.94 ) Балки Серия 1.862.1-7 Балки Серия 3.006-1 Балки Серия 3.015-16.94 ( 3.015-2/82, 3.015-2/77 ) Балки Серия 3.015-2 Балки Серия 3.015-2/77 Балки Серия 3.016.1-17.93 Балки Серия 3.016.1-9 Балки Серия 3.407.1-157 ( серия 3.407-102, 3.407-40/70 ) Балки Серия 3.505-14 Балки Серия 3.702.1-4 Балки Серия 3.903 КЛ-13 Балки Серия 86 и 85 Балки Серия ИИ 29-3 Балки Серия ИИ 27-1 Балки Серия ИИ 29-3/70 Балки Серия У 01-01/80 Балки ТУ 67-1003-88 Балки Серия У 01-01 Балки Серия КБК Балки Серия КУБ 2,5 Балки анкерные Серия 3.407.9-158 Балки Серия ПК 01-05 Балки Серия ПК 01-06 Балки ТП 901-6-61 Балки Серия ИС 01-09 Балки двутавровые Серия 1.462.1-16 Балки Шифр 789-04 Балки Шифр А22-94 Балки двускатные Серия ИИ 03-02 Балки двухскатные решетчатые Серия 1.462-3 Балки ТП 901-6-43 Балки двускатные решетчатые Серия 1.462.1-3/80 Балки Серия ИС 01-05 ( НК 029-23:39 ) Балки двухскатные решетчатые ГОСТ 20372-90 Балки днища Серия 3.702.1-4 Балки двускатные решетчатые Серия 1.462.1-3/89 (1.462.1-3/80 и 1.462-3) Балки днища Серия 3.702-1/79 Балки днища Серия 3.012-3 Балки железобетонные ГОСТ 20372-86 Балки железобетонные Серия 1.462.1-1/88 и 1.462-1 Балки железобетонные Серия 1.462.1-1/81 Балки лестничные (1.22-03, инд) Балки кольцевые Серия ИС 01-09 Балки обвязочные Серия 1.020.1-3пв Балки крылец Серия 1.100.1-7 Балки обвязочные (31-07 КЖ.И-3) Балки навеса Серия 3.019.1-1 Балки лестничные Серия 1.020.1-2с/89 Балки обвязочные ГОСТ 24893-2016 Балки монолитного пояса (Гипромезовские рабочие чертежи) Балки обвязочные Серия 1.220.1-2 Балки обвязочные Серия КЭ 01-14 Балки окаймляющие Серия 1.020.1-2с/89 Балки обвязочные Серия КЭ 01-58 Балки односкатные Серия ПК 01-116 Балки опорные Серия 3.505-14 Балки перекрытий каналов Серия 3.818.9-2 Балки перекрытия Серия ТС 01-01 Балки перекрытия каналов Б серия 3.006.1-8 Балки под цокольные экраны Серия 1.220.1-3м Балки подкладочные Серия 1.100.1-7 Балки подкосоурные Серия 27.96.1 АЛ-1 (1) Балки подкосоурные Серия ИИ 01-02 Балки подкосоурные Серия ИИ 03-02 Балки подкрановые (инд.) Балки подкрановые Серия 1.426.1-4 Балки подкрановые Серия 3.504.9-19 Балки подкрановые Серия 3.505-9 Балки подкрановые Серия КЭ 01-03 Балки подкрановые Серия КЭ 01-04 Балки подкрановые Серия КЭ 01-13 Балки подкрановые Серия КЭ 01-50 Балки подкрановые ТПР 709-09-29.84 Балки подстропильные Серия 1.462.1-18 Балки подстропильные Серия ПП 01-03/64 Балки подтротуарные Серия 3.503-14 Балки покрытия Серия 3.012-3 Балки пролетного строения ИНВ 42055м Балки прямоугольного сечения ГОСТ 24893.1-81 Балки растверков Серия 1.111.1-5 Балки рельсового пути Проект 1977.10.100 Балки решетчатые Шифр VI.896.1 Балки решетчатые Шифр VI.896.2 Балки с консольным выступом ГОСТ 24893.1-81 Балки стропильные Серия 1.462.1-10/89 Балки стропильные двухскатные Серия 1.462.1-16/88 Балки стропильные двухскатные Серия 1.462.1-23 Балки стропильные двухскатные Серия 1.462.1-24 Балки стропильные с параллельными поясами Серия 1.462.1-10/93 Балки таврового сечения Серия ПК 01-115 Балки таврового сечения с нижней полкой Серия ИИ 01-02 Балки тавровые Серия ИИ 03-02 Альбом 16 Балки тавровые Серия ИИ 10Ж-1 Балки тоннелей Серия 3.006.1-3/83 Балки фризовые Альбом 3РС 41-24 Балки цокольные Серия 1.020-1 Балки цокольные Шифр м25.13/98 Балки цокольные Серия 1.220.1-2 Складки Серия 1.266.1-3 Балки цокольные Серия 1.030.1-1 Балки цокольные Серия 1.030.1-1/88 Элементы свода Серия 1.266.1-2 Бруски кабельных каналов Серия 4.407-267 Распорки ТП 503-49 Плиты опорные Рабочие чертежи 41882и Распорки Серия 3.402-24 Брус железобетонный ТПР 503-0-17 Блоки тоннелей (инд.) Балки железобетонные ГОСТ 20372-90 Опорные подушки для скользящих опор Серия ТС 01-01 Распорки Серия ПК 01-27 Доски железобетонные Альбом 750 Опорные подушки Серия 1.862-1 Брус ограждения ТП 320-55 Плиты опорные Серия 1.869.1-1 Доски железобетонные Серия 3.501.1-159 Плиты опорные Серия ИИ 03-02 Шпунты Альбом РК 7101-01 Шпунты (инд.) Опорные подушки для теплопроводов Альбом ПС 192 Элементы железобетонных решетчатых конструкций РК Серия 3.503.9-78 Секции балок Серия 3.503.1-89

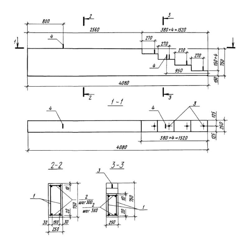
    Балки крылец Серия 1.100.1-7

    БК 41-8-25
    750x250x4080БК 41-8-25
    Цена по запросу
    БК 42-8-25
    750x250x4220БК 42-8-25
    Цена по запросу

    ЭЛЕМЕНТСТРОЙ

    +7 (4212) 62-32-31elementstroy27@mail.ru
    ООО “Элементстрой”ИНН 2722138026
    О насКонтакты
    Каталог по группамКаталог по Сериям
    ПОЛИТИКА КОНФИДЕНЦИАЛЬНОСТИ
    +7 (4212) 62-32-31elementstroy27@mail.ru
    О насКонтакты
    Каталог по группамКаталог по Сериям
    ПОЛИТИКА КОНФИДЕНЦИАЛЬНОСТИ
    +7 (4212) 62-32-31elementstroy27@mail.ru
    ООО “Элементстрой”ИНН 2722138026
    Разработано в