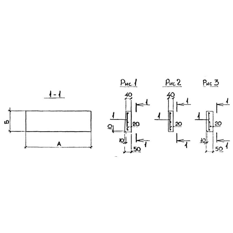
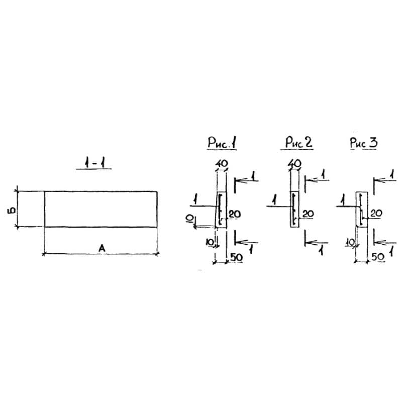
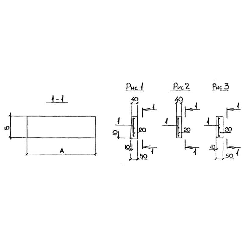
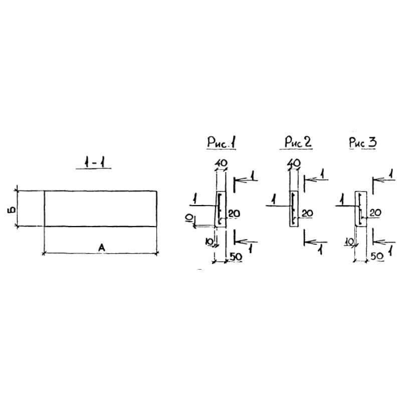
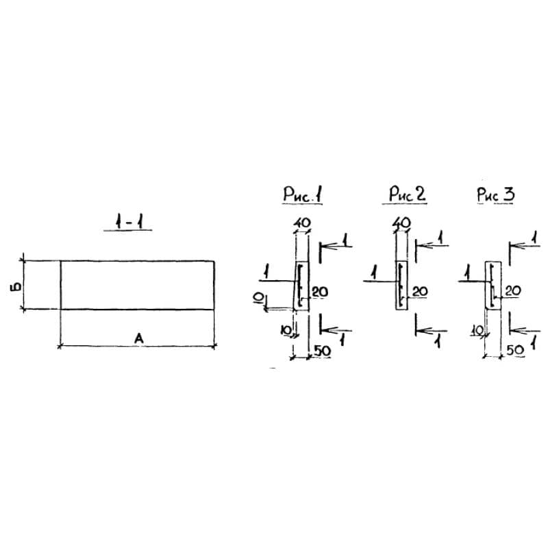
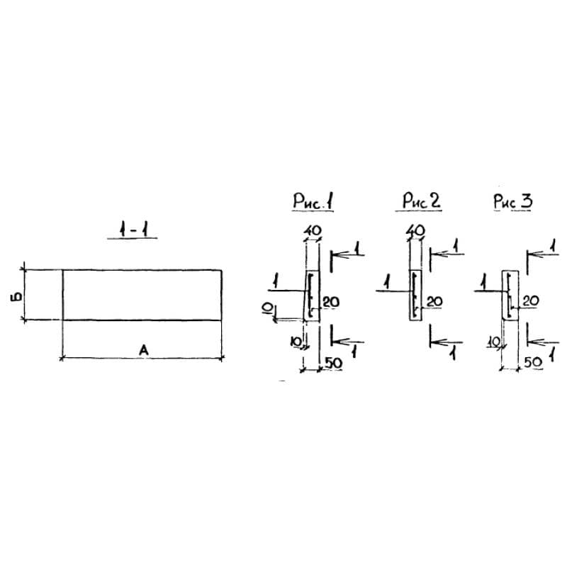
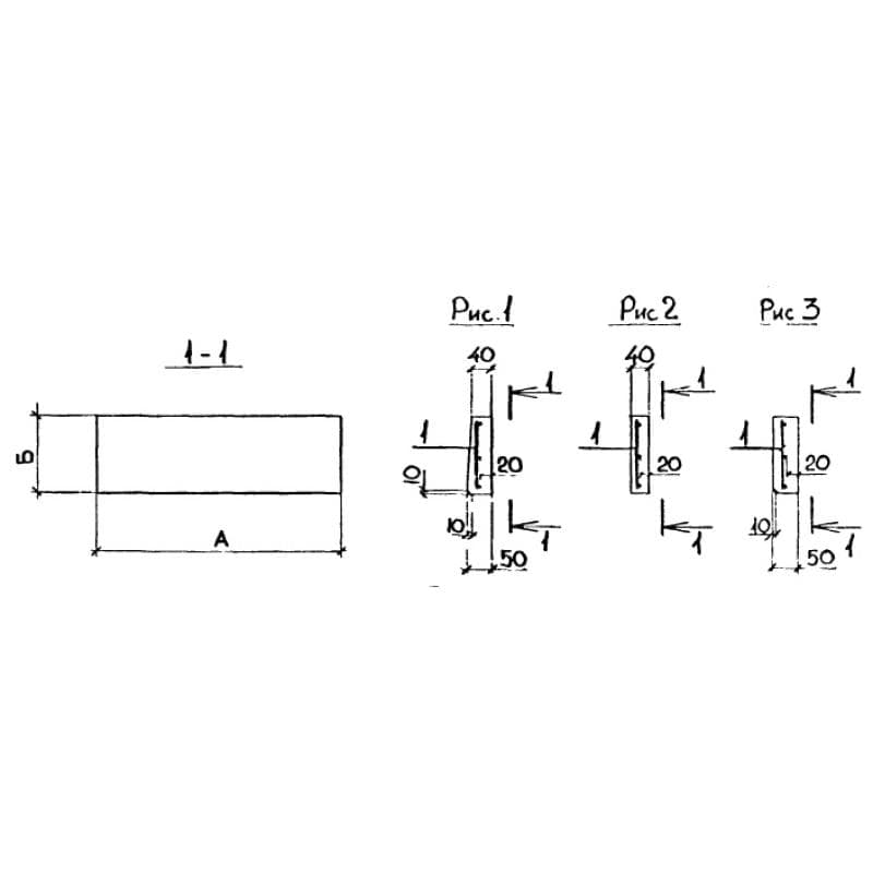
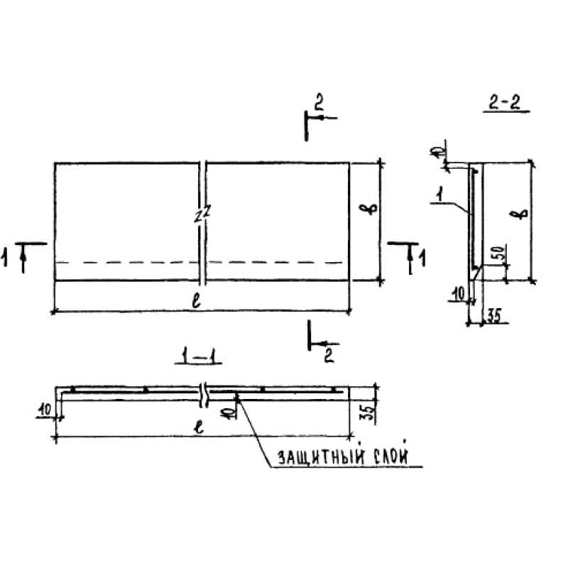
Накладные проступи для укладки на нижние и рядовые ступени маршей (1ЛН)

320x50x13501ЛН 13-2в
Цена по запросу

320x50x13501ЛН 13-2в
Цена по запросу

320x50x13501ЛН 13-3
Цена по запросу

320x50x13501ЛН 13-3
Цена по запросу

320x50x13501ЛН 13-3
Цена по запросу

320x50x13501ЛН 13-3 ш
Цена по запросу

320x50x13501ЛН 13-3 ш
Цена по запросу

320x50x13501ЛН 13-3 ш
Цена по запросу

320x50x13501ЛН 13,5-3 м
Цена по запросу

320x50x13501ЛН 13,5-3 м
Цена по запросу

320x50x13501ЛН 13,5-3 м
Цена по запросу

220x35x13501ЛН 14-2
Цена по запросу