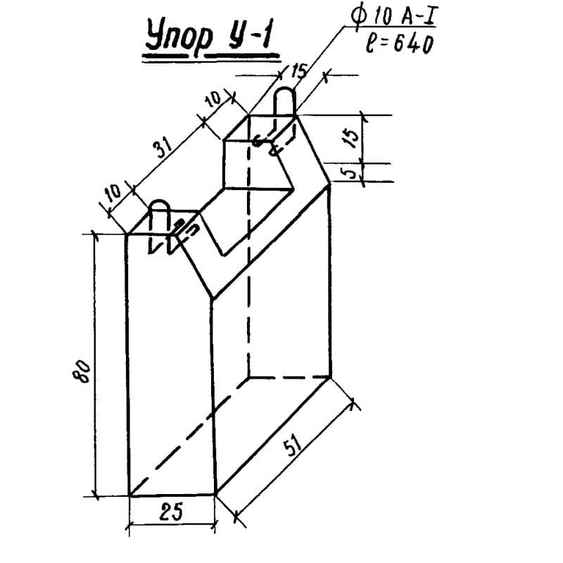
Блоки упора Альбом 819