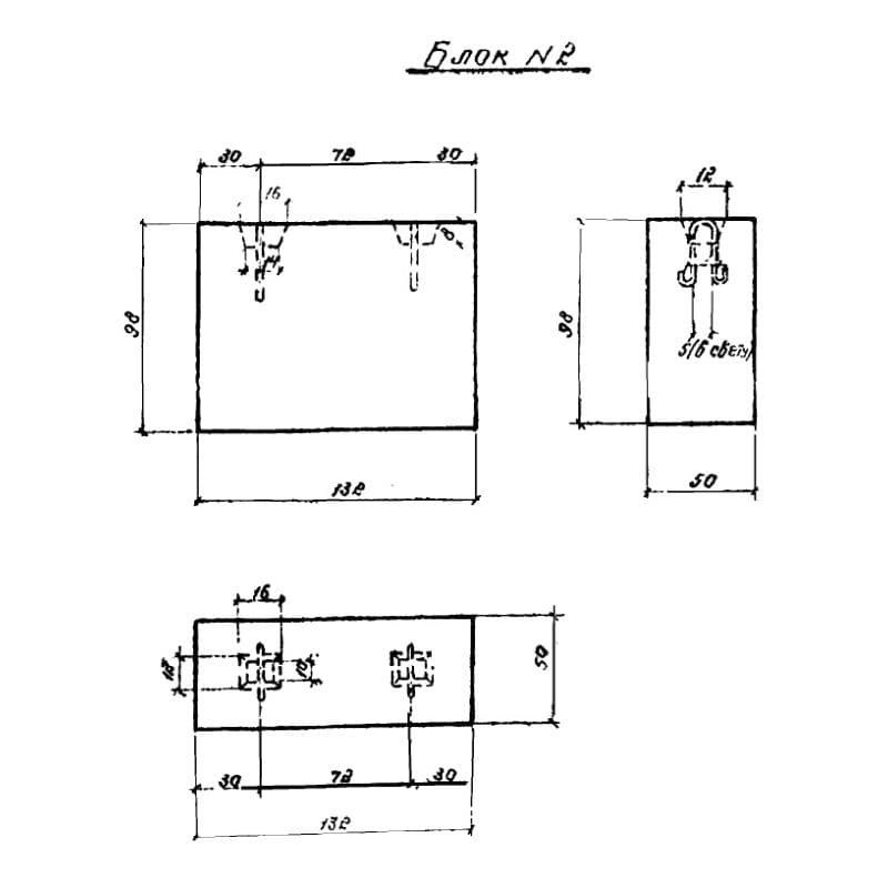
Блоки фундаментов Серия 3.902-7