Ригели Серия 1.220.1-2
Ригели Серия 1.400.1-22
Ригели Серия 1.435-3
Ригели Серия ИИ 23-3
Ригели Серия ИИ 23-5
Ригели Серия ИИ 23-6
Ригели Серия ИИС 23-2
Ригели ТП 901-6-43
Ригели Серия ИИ 63
Ригели Серия ИИ 23-7
Ригели Серия ИИЭ 23-3
Ригели высотой 450 мм для опирания многопустотных плит перекрытия серия 1.020-1/87 ( 1.020.1-7, 1.020-1/83, ИИ 04-1, 1.020.1-3пв )
Ригели ТПР 501-07-3.83
Ригели Серия ПК 01-80
Ригели Серия ИС 01-19
Ригели ТПР 709-09-29.84
Ригели ТП 20008тм-т4
Ригели Серия ИИС 23-1
Ригели для закрепления железобетонных опор Серия 3.407.9-158
Ригели Серия ИИС 23-4
Ригели ТП 901-4-63.83
Ригели для подножников под промежуточные опоры Серия 3.407.9-158
Ригели высотой 600 мм для опирания многопустотных плит перекрытия серия 1.020-1/87 ( 1.020.1-7, 1.020-1/83, ИИ 04-1, 1.020.1-3пв )
Ригели Серия ИИ 23-9
Ригели для опирания ребристых плит перекрытия и плит типа ТТ Серия 1.020.1-4
Ригели высотой 600 мм для опирания многопустотных плит перекрытия Серия 1.020.1-4
Ригели для опирания многопустотных плит на две полки (РМД) (ш. 346.3-07-31 кжи 2)
Ригели Серия ИИ 41
Ригели для опирания многопустотных плит перекрытий Серия 1.020.1-2с/89
Ригели для опирания ребристых плит перекрытий высотой 400 мм и плит типа ТТ Серия 1.020.1-2с/89
Ригели для опирания ребристых плит перекрытия и плит типа ТТ ГОСТ 18980-90
Ригели для опирания ребристых плит перекрытия и плит типа ТТ серия 1.020-1/87 ( 1.020.1-7, 1.020-1/83, ИИ 04-1, 1.020.1-3пв )
Ригели для закрепления железобетонных опор Серия 3.407-115
Ригели Серия ИИЭ 23-3/73
Ригели ТП 901-6-61
Ригели Серия ИИС 23-3
Ригели Серия ИИ 23-8
Ригели для фундаментов под металлические опоры Серия 3.407.1-115
Ригели Серия ИИС 63
Ригели пролета ворот Серия ПР 05-05.2
Ригели консольные Серия 1.020.1-2с/89
Ригели монолитные Серия Б1.020.1-7
Ригели железобетонные с полками для опирания плит пролетом 6,0 м серия 1.420-35.95 ( 1.420-12, ИИ 23-3/70, ИИ 23-2/70, ИИ 23-1/70 )
Ригели для опирания многопустотных плит на одну полку (РМО) (ш. 346.3-07-31 кжи 2)
Ригели ТП 1042тм
Ригели лестничных клеток Серия 1.420.1-20с
Ригели железобетонные с полками для опирания плит пролетом 9,0 м серия 1.420-35.95 ( 1.420-12, ИИ 23-3/70, ИИ 23-2/70, ИИ 23-1/70 )
Ригели пролетом 6,0 м Серия 1.420.1-20с
Ригели фасадные Альбом РС 2374-98
Ригели связного каркаса с сечением колонн 30х30 см Серия ИИ 04-3
Ригели (ДР) Альбом 343/11-4
Ригели пролета ворот Серия ПР 05-36.1
Ригели Серия 1.220-1
Ригели лестничных клеток Серия 1.420.1-19
Ригели Альбом РС 2392-77
Ригели Серия 1.420-6
Ригели Серия 1.420-13
Ригели Серия ИИ 23-12
Ригели ГОСТ 24155-2016
Ригели Серия ИИ 03-02
Ригели Серия Б1.125.1-1
Ригели Серия 1.420-8/81
Ригели ГОСТ 24155-80
Ригели Серия 1.420.1-32
Ригели Серия 1.421.1-1.93
Ригели Серия ЖУК 99
Ригели Серия 1.125 КР-1
Ригели Серия 1.440-3м/92
Ригели пролетом 12,0 м Серия 1.420.1-20с
Ригели Серия ИИ 23-11
Ригели Серия ИИ 23-2
Ригели Серия 1.220.1-3м
Ригели Серия 3.507-1
Ригели пролета ворот Серия ПР 05-36.4
Ригели Серия 1.020-1
Ригели Альбом РС 2352-89
Ригели Серия 1-82
Ригели Серия 3.407-123
Ригели Серия ИИ 23-4
Ригели Серия 1.225.1 КЛ-3
Ригели Серия 1.425.1-1
Ригели Серия 3.407-85
Ригели Серия 7075м
Ригели Серия 3.503-28
Ригели пролета ворот Серия ПР 05-36.3
Ригели пролетом 12,0 м Серия 1.420.1-19
Ригели пролетом 9,0 м Серия 1.420.1-20с
Ригели связного каркаса с сечением колонн 40х40 см Серия ИИ 04-3
Ригели Серия 1.225.1 КЛ-3

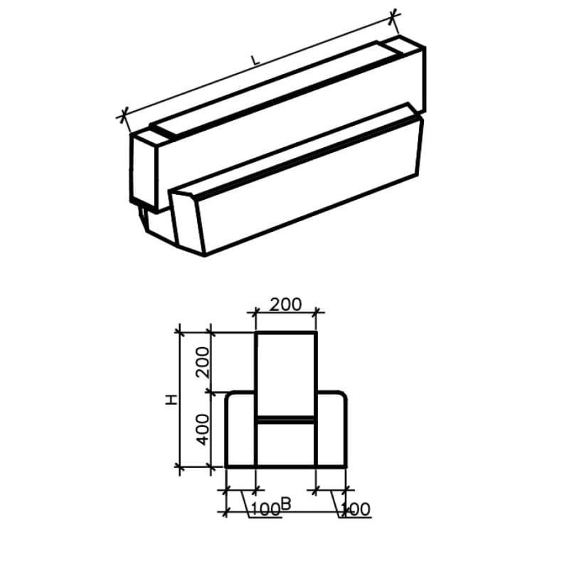
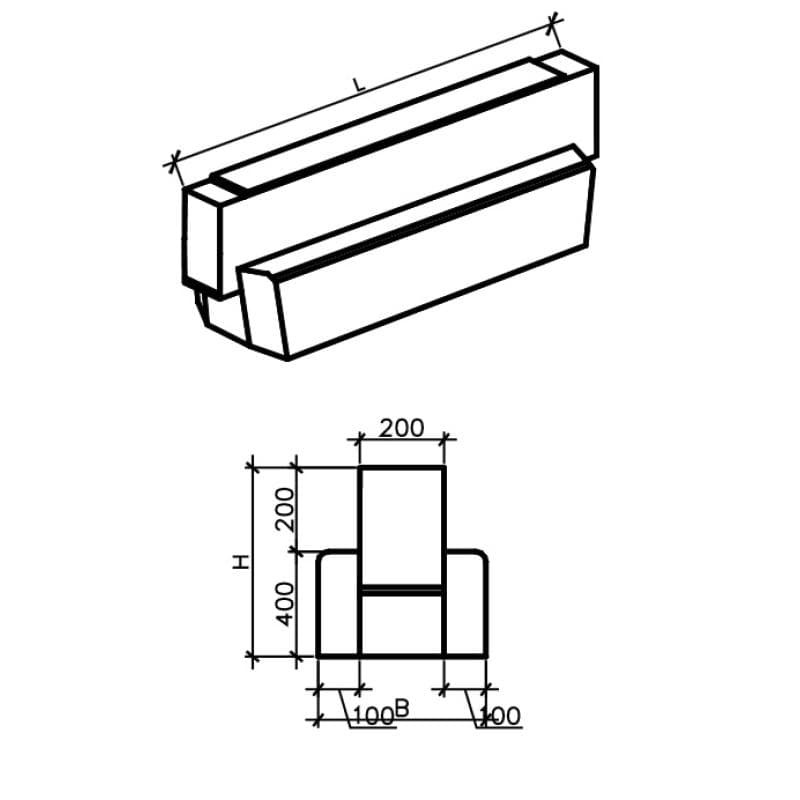
400x600x67602Р 68-4,6-9 АтVт
Цена по запросу

400x600x67602Р 68-4,6-9 АтVт
Цена по запросу

400x600x67602Р 68-4,6-9 АтVт
Цена по запросу

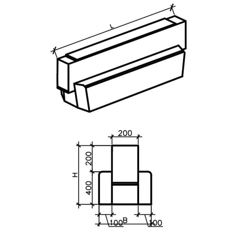
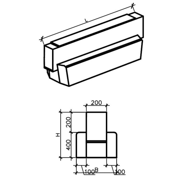
400x600x67602Р 68-4,6-9 АтVт-1
Цена по запросу

400x600x67602Р 68-4,6-9 АтVт-1
Цена по запросу

400x600x67602Р 68-4,6-9 АтVт-1
Цена по запросу

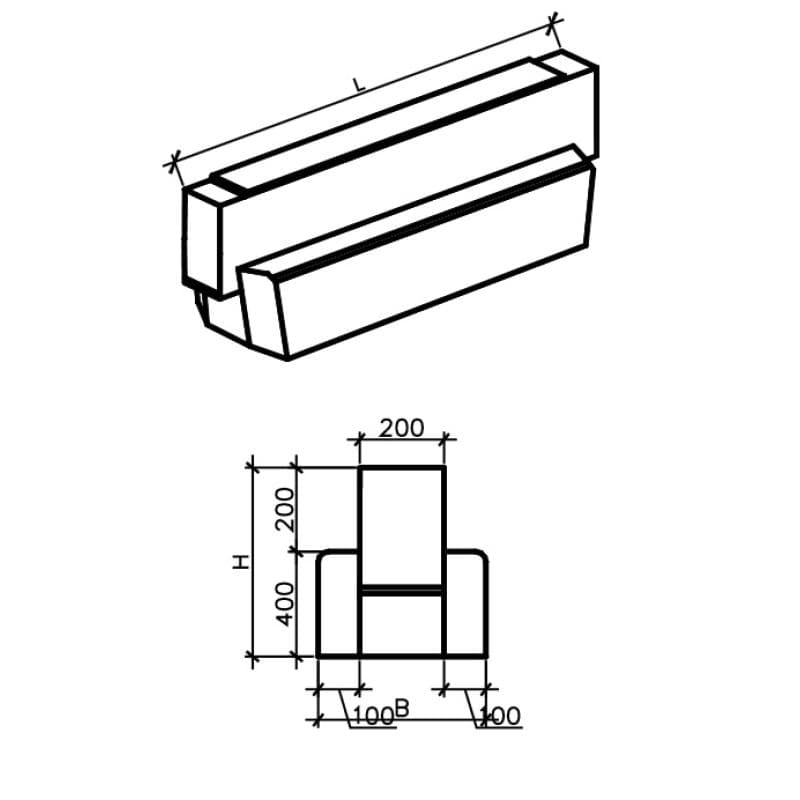
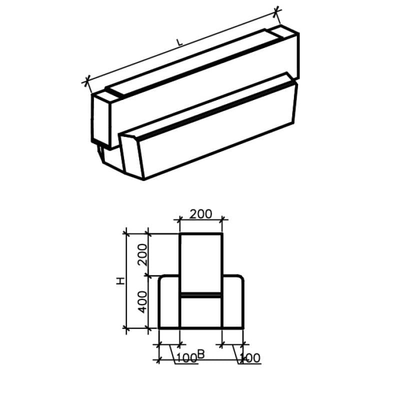
400x600x67602Р 68-4,6-9 АтVт-2
Цена по запросу

400x600x67602Р 68-4,6-9 АтVт-2
Цена по запросу

400x600x67602Р 68-4,6-9 АтVт-2
Цена по запросу

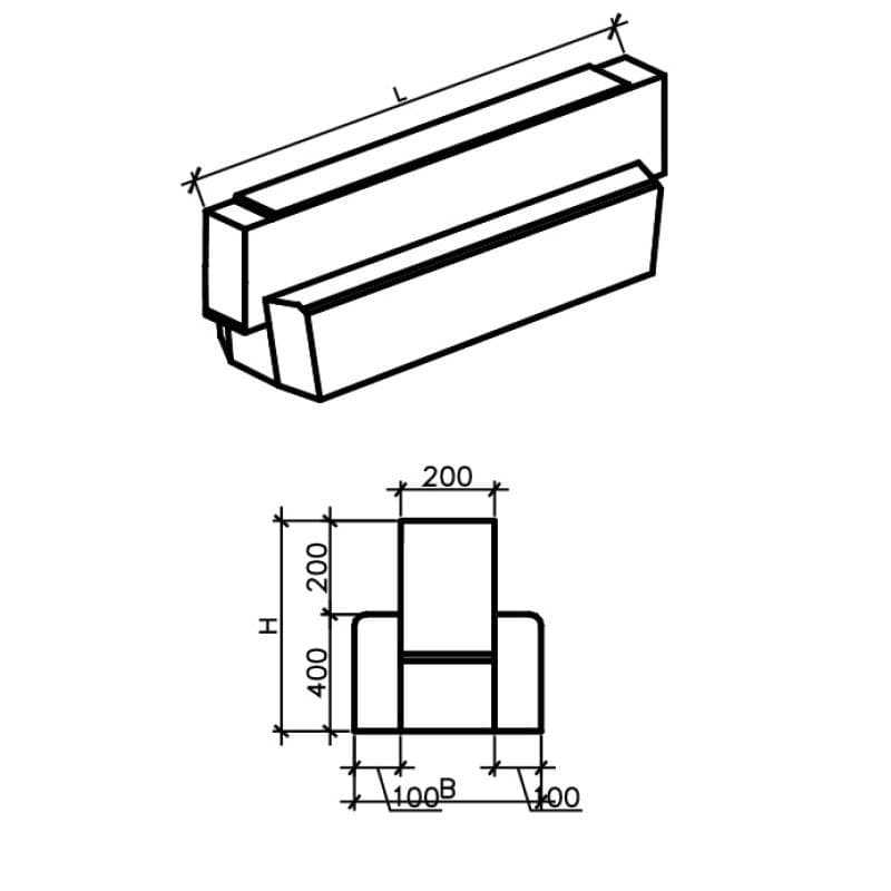
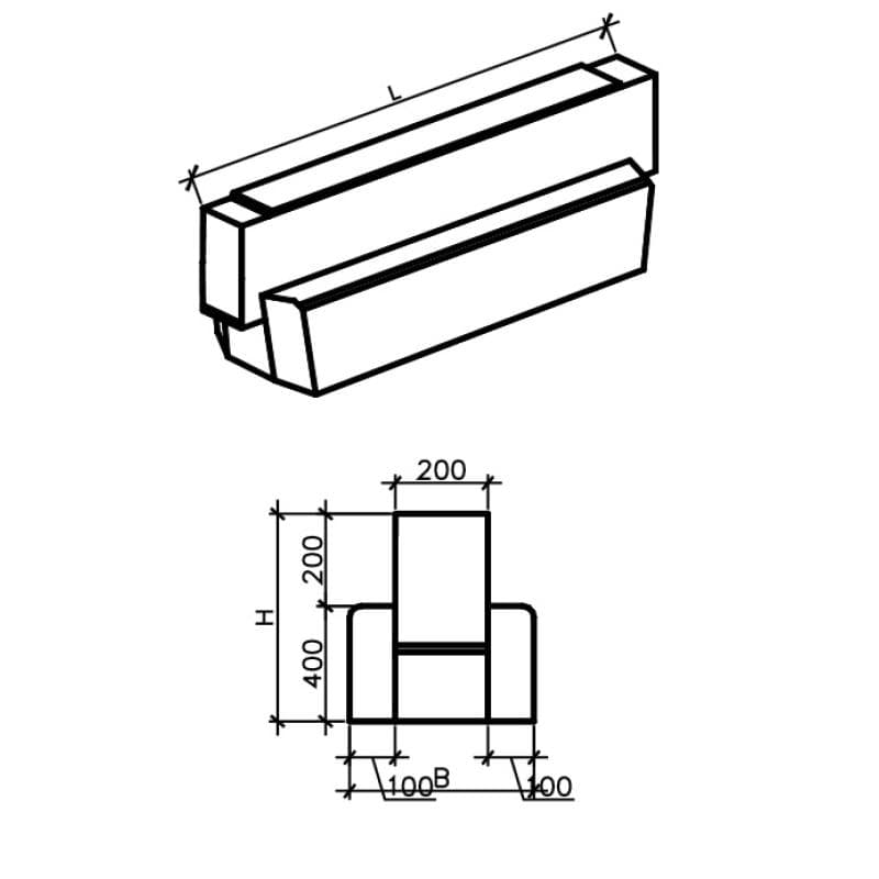
400x600x67602Р 68-4,6-9 АтVт-3
Цена по запросу

400x600x67602Р 68-4,6-9 АтVт-3
Цена по запросу

400x600x67602Р 68-4,6-9 АтVт-3
Цена по запросу
12 из 420 (35 страниц)