Опоры Серия 3.503-8/74
Опорные плиты Серия 3.501.1-160
Насадки для устоев и промежуточных опор Серия 3.501.1-150
Мачты светофорные Серия 3.501.1-145
Вставки Серия 3.015-2/77
Опоры автоблокировки Серия 3.501.1-145
Опоры железобетонные дорожных знаков ГОСТ 25459-82
Опоры наружного освещения и контактных сетей городского транспорта Серия 3.320-1
Опоры неподвижные (щиты) Серия 3.006-1
Опоры ТП 320-55
Опоры наружного освещения Серия 3.507 КЛ-10
Вставки Серия 3.015-2/82
Опоры наружного освещения шестигранного сечения Шифр 100/2 вып. 1 ч.2
Вставки Серия 3.015-16.94
Опоры неподвижные Альбом ПС 248
Опоры чердачные Серия 1-335 ТулМ
Опоры неподвижные Альбом ПС 127
Вставки Серия 3.015-2
Опоры неподвижные щитовые Серия 3.903 КЛ-14
Подушки Серия Б3.507.1-3.04
Стойки Арх 11.0463
Опоры Серия 3.501-96
Подпятники Серия 3.407-115
Стойки Арх 14.0063
Опоры щитовые Альбом ПС 103
Стойки Арх 20.0096
Стойки Арх 19.0022.1
Стойки Арх 9.0274
Стойки Арх ЛЭП 00.10
Стойки ГОСТ 19330-91
Стойки Рабочие чертежи 4180
Стойки Серия 3.407-101
Стойки Серия 3.407-131
Стойки Серия 3.407.1-137
Стойки Серия 3.501.1-145 и ГОСТ 22131-76
Стойки Серия 3.507 КЛ-10
Стойки Серия Б3.507.1-3.04
Стойки ТП 1042тм
Стойки УСО Серия 3.407-40/70
Стойки УСО
Стойки Шифр 20.0139
Стойки ТУ 3412.11410-89
Стойки для опор линий наружного освещения и электрофиц. транспорта (инд.)
Стойки железобетонные Арх ЛЭП 98.01
Стойки железобетонные Арх ЛЭП 98.02
Стойки двутавровые Серия 3.407-40/70
Стойки железобетонные Арх ЛЭП 98.16
Стойки железобетонные ГОСТ 26071-84
Стойки железобетонные Арх ЛЭП 98.08
Стойки железобетонные ТУ 102-465-88
Стойки для опор контактной сети железных дорог Серия 3.501.1-160 и ГОСТ 19330-99
Стойки железобетонные Арх ЛЭП 98.10
Стойки порталов цилиндрические центрифугированные СЦП серия 3.407.1-157 ( серия 3.407-102, 3.407-40/70 )
Стойки цилиндрические ГОСТ 22687-85 ( 3.407.1-152 )
Стойки порталов цилиндрические центрифугированные Серия 3.407-40/70
Стойки нераздельные ГОСТ 19330-99
Стойки железобетонные ТУ 5863-007-00113557-94
Стойки опор предварительно напряженные Серия 3.407.1-157
Стойки железобетонные ГОСТ 23613-79
Щиты закладные Серия 3.501.1-150
Стойки раздельные ГОСТ 19330-99
Стойки оборудования напряженные Серия 3.407.9-153
Стойки цилиндрические Серия 3.407.1-152
Стойки прямоугольные вибропресованные ВС серия 3.407.1-157 ( серия 3.407-102, 3.407-40/70 )
Стойки железобетонные

1750x400x3500ЩО 8-700-1 (3.006-1)
Цена по запросу

435x435x10000ССА 100,6-3,1 ЭМКТ
Цена по запросу

3600x1600x68004НМ 3-1 с
Цена по запросу

417x407x9000ВС 90-112
Цена по запросу

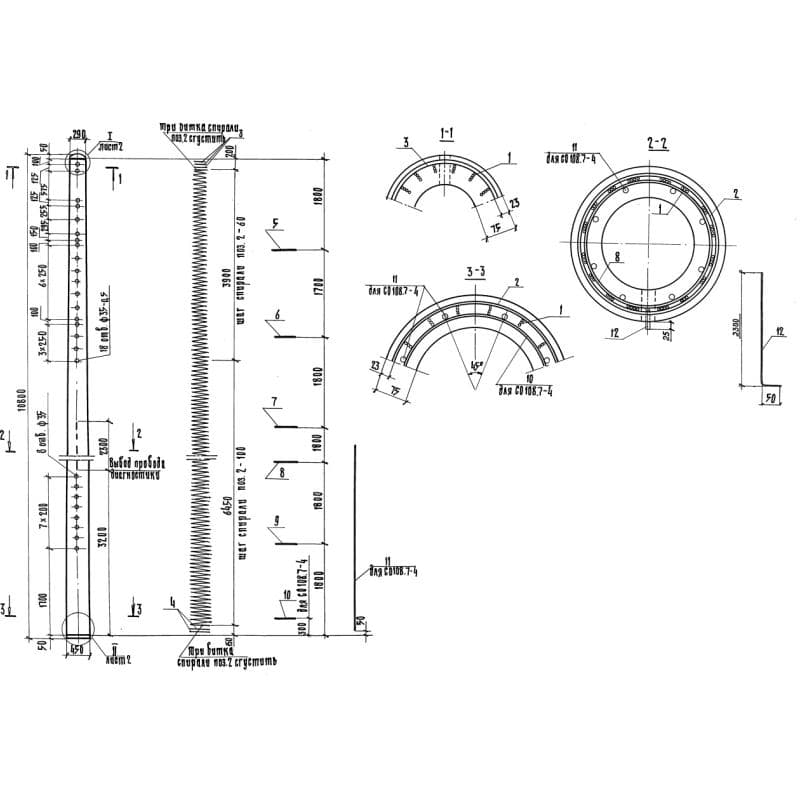
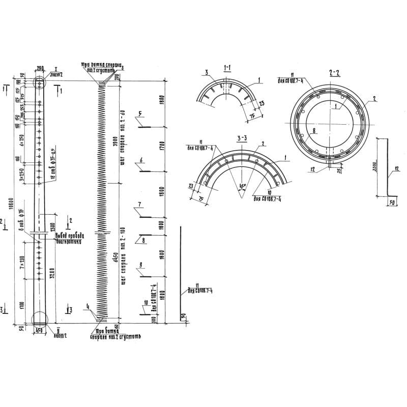
450x450x10800СП 108,6-2,4 э
Цена по запросу

424x424x14500ОКЦ 1-14,5
Цена по запросу

650x650x22600СК 17-1
Цена по запросу

165x240x9500СВ 95-2 (ТУ 5863-007-00113557-94)
Цена по запросу

210x210x4400СОН 44-29
Цена по запросу

3250x980x42101НУ 13
Цена по запросу

450x450x10800СС 108,6-2,1
Цена по запросу

165x230x8500СВ 85-2 с-IV (шифр 20.0139)
Цена по запросу
12 из 966 (81 страниц)