ЭЛЕМЕНТСТРОЙ
О НАСКОНТАКТЫ
    Опоры Серия 3.503-8/74 Опорные плиты Серия 3.501.1-160 Насадки для устоев и промежуточных опор Серия 3.501.1-150 Мачты светофорные Серия 3.501.1-145 Вставки Серия 3.015-2/77 Опоры автоблокировки Серия 3.501.1-145 Опоры железобетонные дорожных знаков ГОСТ 25459-82 Опоры наружного освещения и контактных сетей городского транспорта Серия 3.320-1 Опоры неподвижные (щиты) Серия 3.006-1 Опоры ТП 320-55 Опоры наружного освещения Серия 3.507 КЛ-10 Вставки Серия 3.015-2/82 Опоры наружного освещения шестигранного сечения Шифр 100/2 вып. 1 ч.2 Вставки Серия 3.015-16.94 Опоры неподвижные Альбом ПС 248 Опоры чердачные Серия 1-335 ТулМ Опоры неподвижные Альбом ПС 127 Вставки Серия 3.015-2 Опоры неподвижные щитовые Серия 3.903 КЛ-14 Подушки Серия Б3.507.1-3.04 Стойки Арх 11.0463 Опоры Серия 3.501-96 Подпятники Серия 3.407-115 Стойки Арх 14.0063 Опоры щитовые Альбом ПС 103 Стойки Арх 20.0096 Стойки Арх 19.0022.1 Стойки Арх 9.0274 Стойки Арх ЛЭП 00.10 Стойки ГОСТ 19330-91 Стойки Рабочие чертежи 4180 Стойки Серия 3.407-101 Стойки Серия 3.407-131 Стойки Серия 3.407.1-137 Стойки Серия 3.501.1-145 и ГОСТ 22131-76 Стойки Серия 3.507 КЛ-10 Стойки Серия Б3.507.1-3.04 Стойки ТП 1042тм Стойки УСО Серия 3.407-40/70 Стойки УСО Стойки Шифр 20.0139 Стойки ТУ 3412.11410-89 Стойки для опор линий наружного освещения и электрофиц. транспорта (инд.) Стойки железобетонные Арх ЛЭП 98.01 Стойки железобетонные Арх ЛЭП 98.02 Стойки двутавровые Серия 3.407-40/70 Стойки железобетонные Арх ЛЭП 98.16 Стойки железобетонные ГОСТ 26071-84 Стойки железобетонные Арх ЛЭП 98.08 Стойки железобетонные ТУ 102-465-88 Стойки для опор контактной сети железных дорог Серия 3.501.1-160 и ГОСТ 19330-99 Стойки железобетонные Арх ЛЭП 98.10 Стойки порталов цилиндрические центрифугированные СЦП серия 3.407.1-157 ( серия 3.407-102, 3.407-40/70 ) Стойки цилиндрические ГОСТ 22687-85 ( 3.407.1-152 ) Стойки порталов цилиндрические центрифугированные Серия 3.407-40/70 Стойки нераздельные ГОСТ 19330-99 Стойки железобетонные ТУ 5863-007-00113557-94 Стойки опор предварительно напряженные Серия 3.407.1-157 Стойки железобетонные ГОСТ 23613-79 Щиты закладные Серия 3.501.1-150 Стойки раздельные ГОСТ 19330-99 Стойки оборудования напряженные Серия 3.407.9-153 Стойки цилиндрические Серия 3.407.1-152 Стойки прямоугольные вибропресованные ВС серия 3.407.1-157 ( серия 3.407-102, 3.407-40/70 )

    Вставки Серия 3.015-2/82

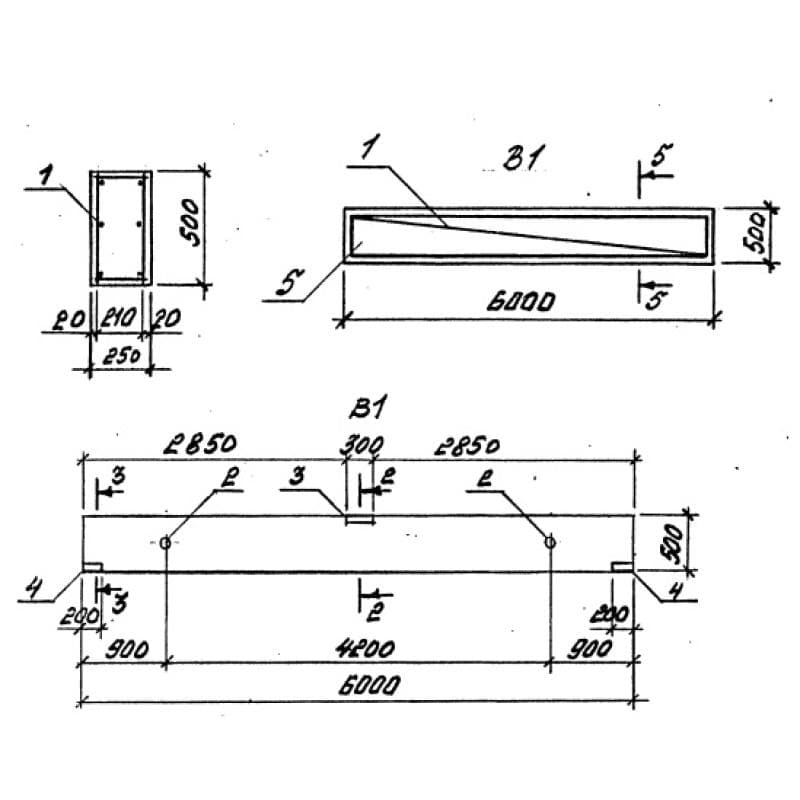
    В 1-1
    250x500x6000В 1-1
    Цена по запросу
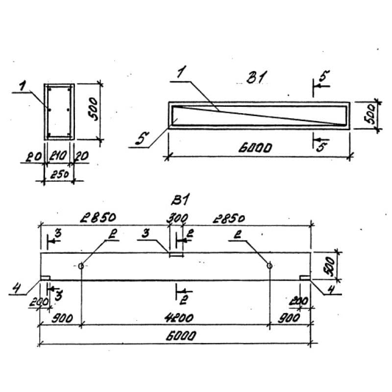
    В 1-2
    250x500x6000В 1-2
    Цена по запросу
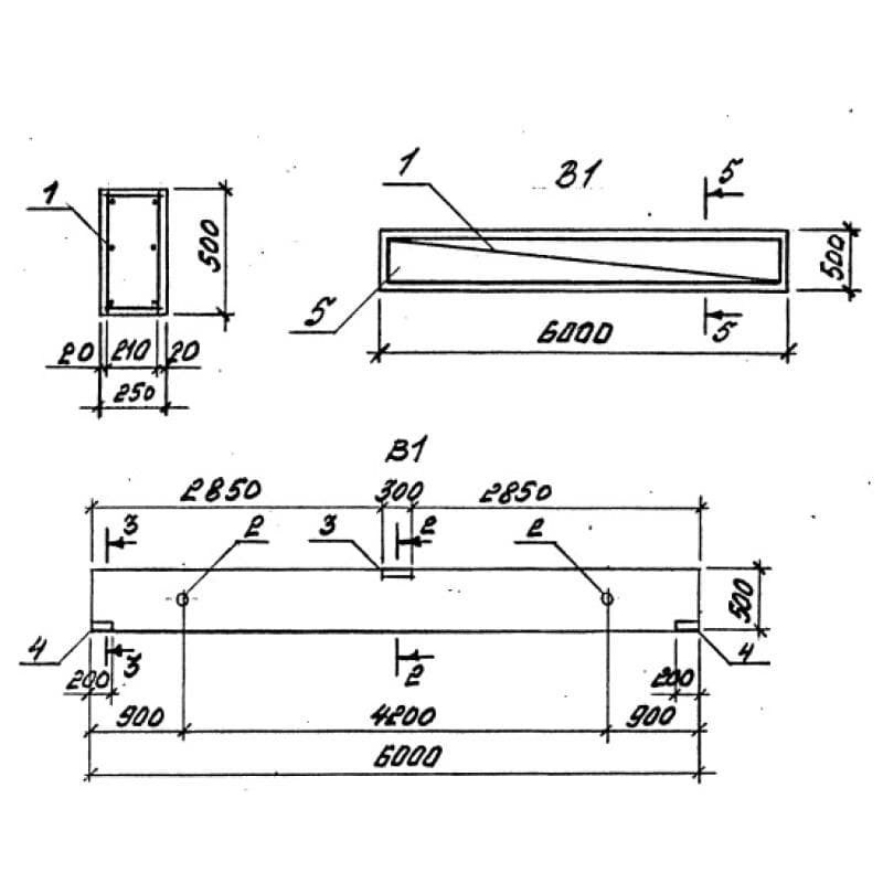
    В 1-1 АтIVс
    250x500x6000В 1-1 АтIVс
    Цена по запросу
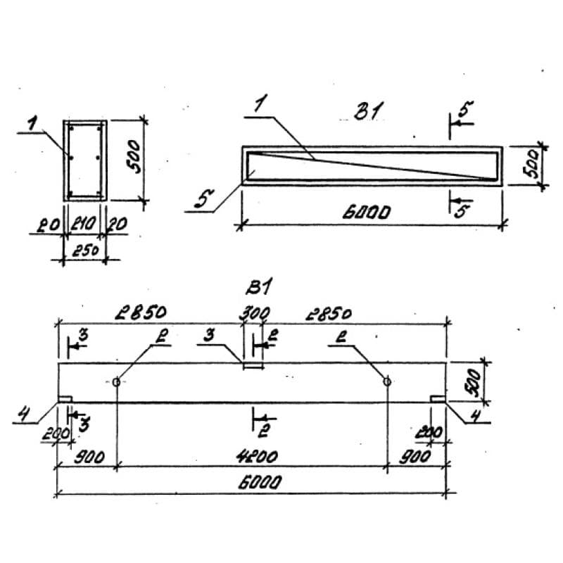
    В 1-2 АтIVс
    250x500x6000В 1-2 АтIVс
    Цена по запросу

    ЭЛЕМЕНТСТРОЙ

    +7 (4212) 62-32-31elementstroy27@mail.ru
    ООО “Элементстрой”ИНН 2722138026
    О насКонтакты
    Каталог по группамКаталог по Сериям
    ПОЛИТИКА КОНФИДЕНЦИАЛЬНОСТИ
    +7 (4212) 62-32-31elementstroy27@mail.ru
    О насКонтакты
    Каталог по группамКаталог по Сериям
    ПОЛИТИКА КОНФИДЕНЦИАЛЬНОСТИ
    +7 (4212) 62-32-31elementstroy27@mail.ru
    ООО “Элементстрой”ИНН 2722138026
    Разработано в