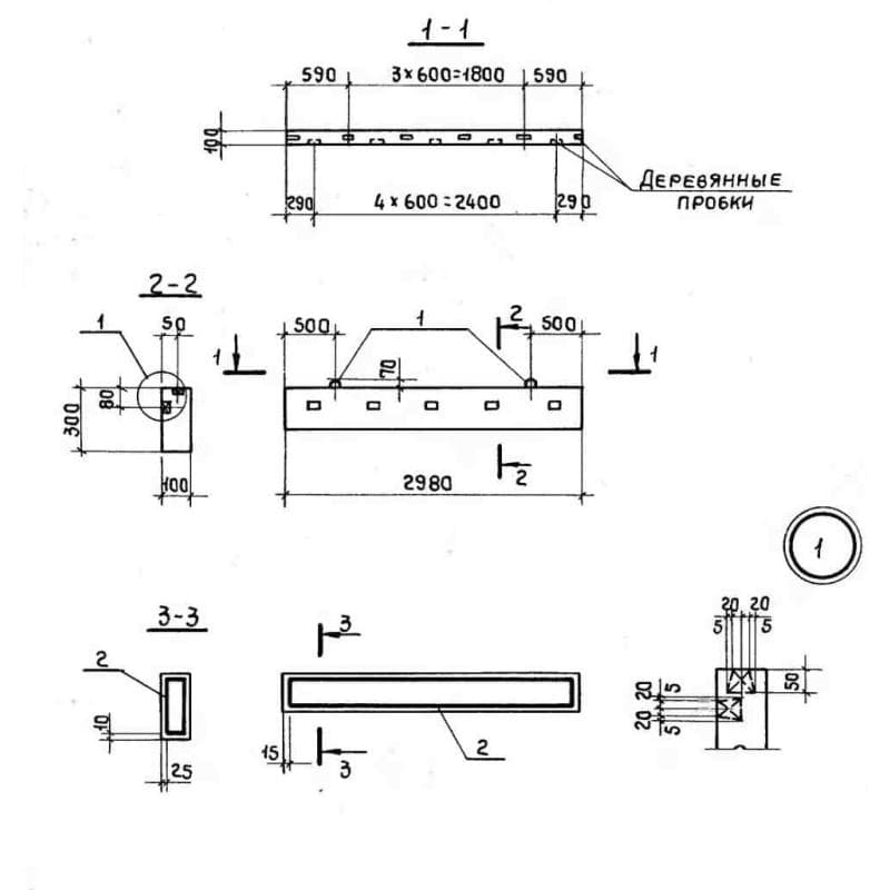
Блоки бортовые Серия 3.019.1-1