Сваи железобетонные

1000x400x100002СД 100-48-40-4 (1.411.1-10.93)
Цена по запросу

200x200x55001СД 55-28-20-1 (1.821.1-7)
Цена по запросу

1000x400x110002СД 110-54-40-2 (1.411.1-10.93)
Цена по запросу

300x300x75001СД 75-32-30-2
Цена по запросу

300x300x65001СД 65-28-30-2 (1.821.1-7)
Цена по запросу

300x300x65001СД 65-41-30-1
Цена по запросу

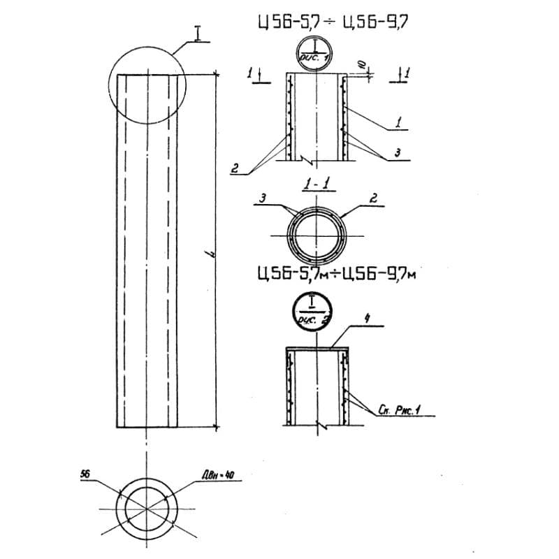
560x560x3700Ц 56-3,7-1 (3.407.1-139)
Цена по запросу

300x300x65001СД 65-31-30-4 (1.821.1-7)
Цена по запросу

300x300x65001СД 65-35-30-2
Цена по запросу

300x300x65002СД 65-35-30-1 (1.821.1-7)
Цена по запросу

300x300x11000С 110-30-8
Цена по запросу

300x300x65001СД 65-41-30-2
Цена по запросу