Сваи вибрированные Рабочие чертежи 12614тм-т1
Сваи Серия 3.820-3
Сваи Серия 3.501.1-131
Сваи Серия 3.402-24
Сваи Серия 3.820.1-34с
Сваи Серия 3.505.1-15
Сваи вибрированные серия 3.407.9-146
Сваи Серия Б1.011.1-1.99
Сваи восьмигранные Серия 1.011.1-11м.97
Сваи Шифр 16405
Сваи Серия 3.501.1-124
Сваи Серия 3.500.1-1.93
Сваи Серия 3.501.1-149
Наконечники Серия 3.501.1-124
Сваи Серия 3.820-13
Сваи для набережных Альбом РК 7101-01
Звенья свай-оболочек Серия 3.504.1-23
Сваи ледорезные Серия 3.503.1-109.93
Клинья Серия 3.407-123
Сваи Серия 3.407.9-153
Сваи забивные Серия Б1.011.1-2.08
Сваи квадратного сечения с круглой полостью ГОСТ 19804.3-80
Сваи Серия 3.501.1-153
Сваи Рабочие чертежи 156/10
Сваи многосекционные верхние Серия 1.110 КР-1
Сваи полые круглого сечения и сваи-колонны цельные квадратного сечения с ненапрягаемой арматурой Серия 3.015-5
Сваи вибрированные (энергетические) Серия 3.407-115
Оболочки цилиндрические Серия 3.407.1-139
Сваи Серия РМ 2-77
Сваи Серия 3.407-123
Сваи анкерные Серия 3.504.1-23
Сваи ГОСТ Р 54272-2010
Сваи квадратного сечения серия 3.407-115
Сваи забивные Серия 1.811.1-5
Сваи оболочки Серия 3.503.1-69
Сваи квадратного сечения с круглой полостью Серия 1.011-6
Сваи сечением 350х350 Серия 1.011.1-10, ГОСТ 19804-91
Сваи Серия 3.503-30
Сваи полые круглого сечения и сваи-оболочки цельные с ненапрягаемой арматурой ГОСТ 19804.5-83
Сваи квадратного сечения без поперечного армирования ствола Серия 1.011-6
Сваи Серия 3.501.1-130
Сваи сечением 400х400 Серия 1.011.1-10, ГОСТ 19804-91
Сваи железобетонные Серия 3.900.9-13
Сваи квадратного сечения без поперечного армирования ствола Серия 1.011-2
Сваи квадратного сечения без поперечного армирования ствола Серия 1.011.1-10
Сваи составные верхние Серия 1.011 КЖИ 10000
Сваи Серия 1.820.9-1
Сваи многосекционные Серия 1.110 КР-1
Сваи предварительно напряженные Серия ОФ 02-02
Сваи многосекционные нижние Серия 1.110 КР-1
Сваи забивные с поперечным армированием Серия Б1.011.1-2.08
Сваи составные нижние Серия 1.011.1-7
Сваи квадратного сечения без поперечного армирования ствола ГОСТ 19804.4-78
Сваи полые круглого сечения и сваи-оболочки цельные с ненапрягаемой арматурой ГОСТ 19804.6-83
Сваи составные верхние Серия 1.011.1-7
Сваи составные нижние Серия 1.011.1-10
Сваи предварительно напряженные СН серия 3.407.1-157 ( серия 3.407-102, 3.407-40/70 )
Сваи составные сплошного квадратного сечения с ненапрягаемой арматурой Серия 1.011.1-10
Сваи с насадкой Серия 3.820-13
Сваи предварительно напряженные СН Серия 3.407-40/70
Сваи полые круглого сечения и сваи-оболочки цельные с ненапрягаемой арматурой Серия 1.011.1-10
Сваи полые круглого сечения и сваи-оболочки цельные с ненапрягаемой арматурой Серия 1.011.1-11м.97
Сваи составные нижние Серия 1.011 КЖИ 10000
Сваи составные верхние Серия 1.011.1-10
Сваи с оголовком ГОСТ 32209-2013
Сваи составные сплошного квадратного сечения с ненапрягаемой арматурой Серия 1.011.1-7
Сваи таврового сечения Серия 1.811.1-1
Сваи цельные сплошного квадратного сечения Серия 1.011-6
Сваи таврового сечения Серия 1.811.1-3
Сваи таврового сечения Серия 1.811.1-6с
Сваи цельные сплошного квадратного сечения Серия 1.011-1
Сваи цельные сплошного квадратного сечения ГОСТ 19804.1-79
Сваи цельные сплошного квадратного сечения с напрягаемой арматурой Серия 1.011-1
Сваи цельные сплошного квадратного сечения Серия 1.111.1 КЛ-5
Сваи цельные сплошного квадратного сечения Серия 1.011.1-8м
Сваи цельные сплошного квадратного сечения с напрягаемой арматурой Серия 1.011-6
Сваи цельные сплошного квадратного сечения Серия 3.015-5
Сваи цельные сплошного квадратного сечения Серия 1.111 КЛ-2
Сваи цельные сплошного квадратного сечения с напрягаемой арматурой ГОСТ 19804.2-79
Сваи цельные сплошного квадратного сечения Серия 1.011.1-10
Сваи-колонны Серия 3.015-5/86
Сваи-колонны Серия 3.016.1-9
Сваи цельные сплошного квадратного сечения с напрягаемой арматурой Серия 1.011.1-10
Сваи-колонны Серия 1.821.1-7
Сваи центрифугированные Серия 3.407.9-146
Сваи-колонны двухконсольные ГОСТ 19804.7-83
Сваи-колонны Серия 1.411.1-10.93
Сваи-стойки ТПР 501-07-3.83
Свайные звенья цилиндрические Серия 3.407.1-115
Сваи-оболочки Серия 3.501.1-124
Сваи-стойки ГОСТ 24155-80
Сваи-оболочки Серия 3.504.1-23
Шайбы Серия 1.811.1-6с
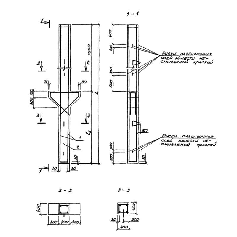
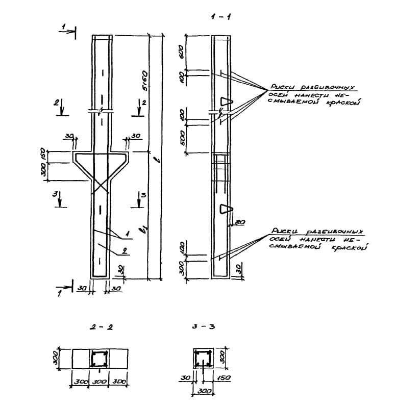
Сваи-колонны Серия 1.411.1-10.93

1000x400x120001СД 120-72-40-6 (1.411.1-10.93)
Цена по запросу

1000x400x120001СД 120-72-40-6 (1.411.1-10.93)
Цена по запросу

1000x400x120001СД 120-72-40-6 (1.411.1-10.93)
Цена по запросу

1000x400x120001СД 120-72-40-7 (1.411.1-10.93)
Цена по запросу

1000x400x120001СД 120-72-40-7 (1.411.1-10.93)
Цена по запросу

1000x400x120001СД 120-72-40-7 (1.411.1-10.93)
Цена по запросу

900x300x80001СД 80-48-30-1 (1.411.1-10.93)
Цена по запросу

900x300x80001СД 80-48-30-1 (1.411.1-10.93)
Цена по запросу

900x300x80001СД 80-48-30-1 (1.411.1-10.93)
Цена по запросу

900x300x80001СД 80-48-30-2 (1.411.1-10.93)
Цена по запросу

900x300x80001СД 80-48-30-2 (1.411.1-10.93)
Цена по запросу

900x300x80001СД 80-48-30-2 (1.411.1-10.93)
Цена по запросу
12 из 804 (67 страниц)