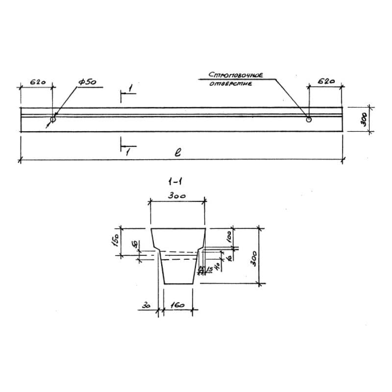
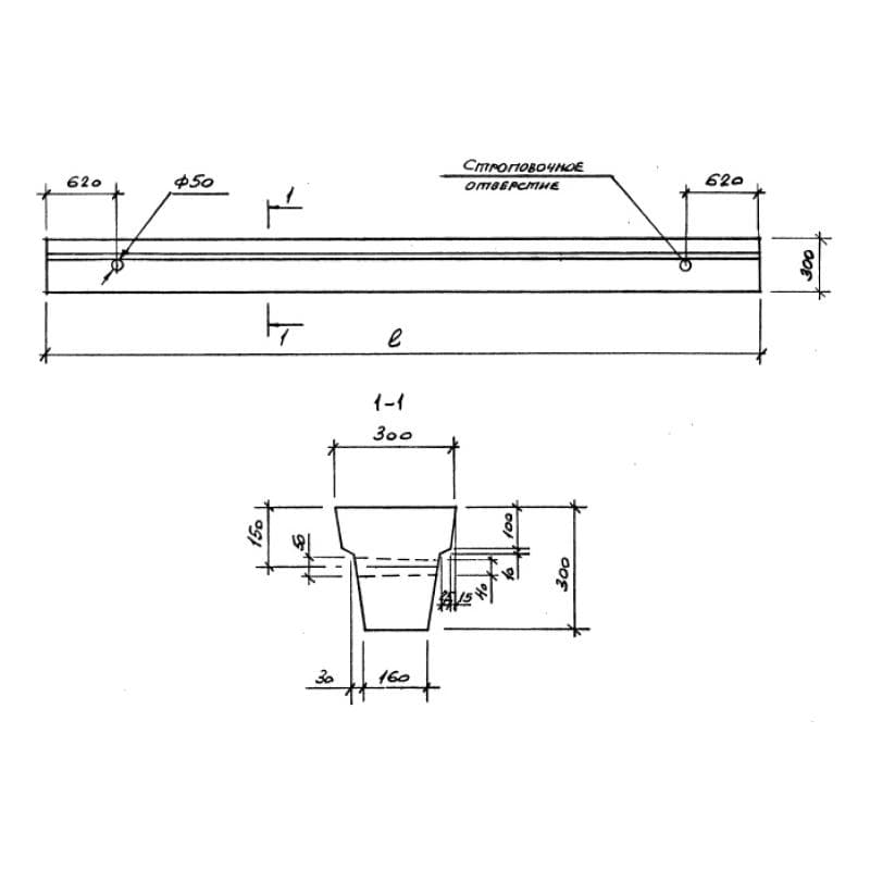
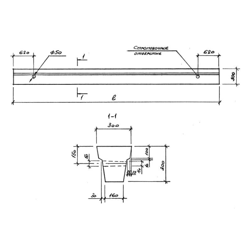
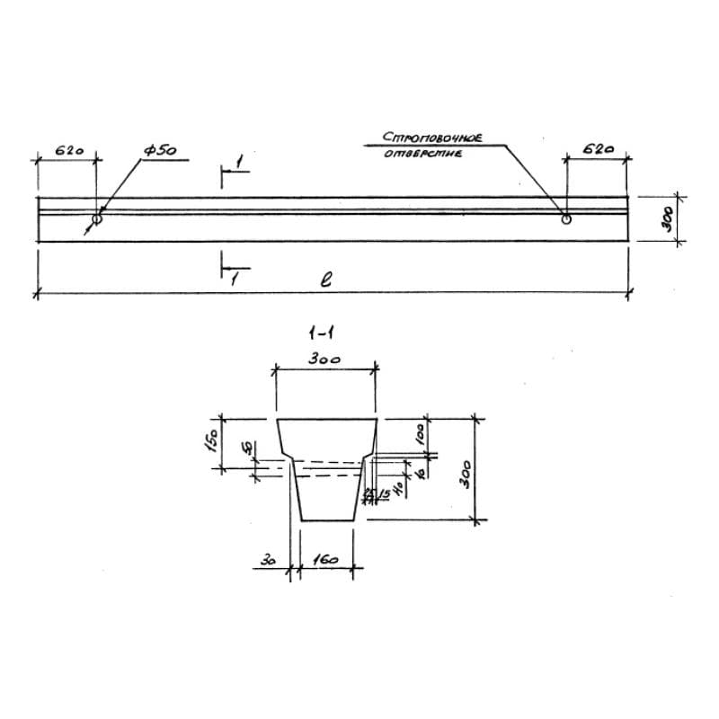
Балки фундаментые

300x300x43002БФ 6-29 АIIIв
Цена по запросу

300x300x50502БФ 51-3
Цена по запросу

300x300x43002БФ 43 (ГОСТ 28737-90)
Цена по запросу

320x300x103001БФ 12-13 АIIIв
Цена по запросу

400x300x50503БФ 51-3 АIIIв
Цена по запросу

300x300x40002БФ 6-32 АIIIв
Цена по запросу

300x300x55002БФ 6-7 АIIIв
Цена по запросу

400x600x107502БФ 12-9 АтVск
Цена по запросу

300x300x40002БФ 6-33 АIIIв
Цена по запросу

300x300x59502БФ 6-4 АIIIв
Цена по запросу

300x300x40002БФ 40-3
Цена по запросу

400x300x44503БФ 6-22 АтVск
Цена по запросу