Колонны, диафрагмы железобетонные

400x400x119203КВО 42-42-4-40-00
Цена по запросу

400x400x111503КНО 33-30-1-34/38
Цена по запросу

400x400x143503КНО 4,42-2,29/37 (1.020-1)
Цена по запросу

400x400x111202КВ 60-111-11
Цена по запросу

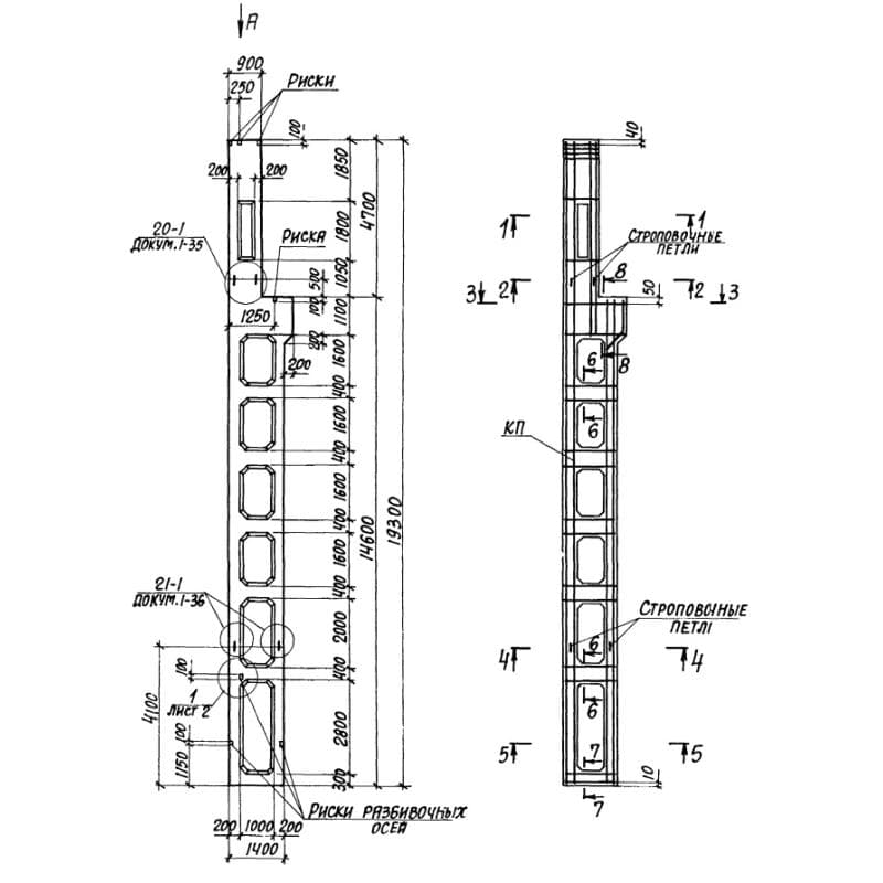
345x4170x29801ДП 30-42
Цена по запросу

600x500x193003КД 180-2,4 с
Цена по запросу

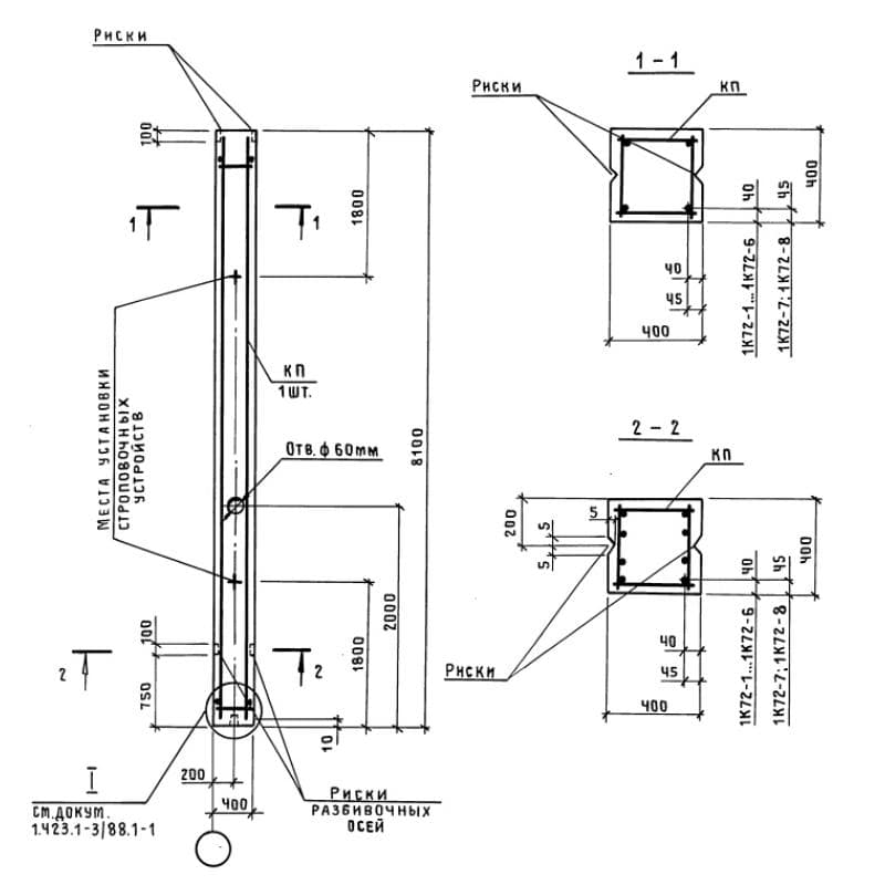
400x400x81001К 72-5 м2
Цена по запросу

900x500x193002КДП 180-5,3
Цена по запросу

800x400x142502К 132-9
Цена по запросу

400x400x118502КН 33-119-7 с
Цена по запросу

400x400x69003К 69-4 АIV
Цена по запросу

400x400x136002КН 60-136-7 с
Цена по запросу