Колонны, диафрагмы железобетонные

400x800x154502К 144-3 м3 с
Цена по запросу

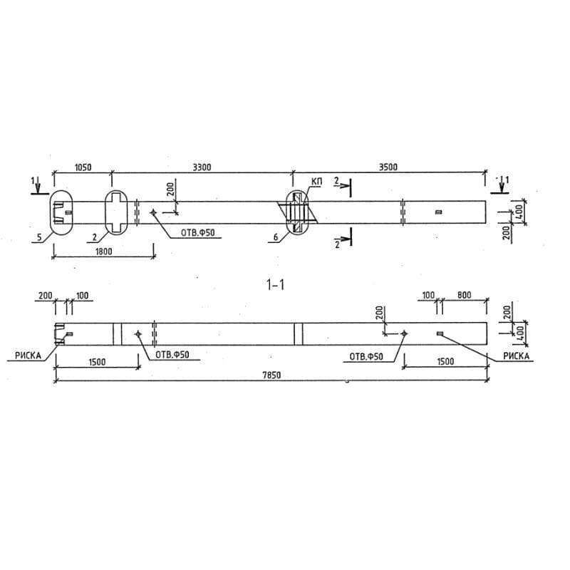
800x400x1185013К 108-18
Цена по запросу

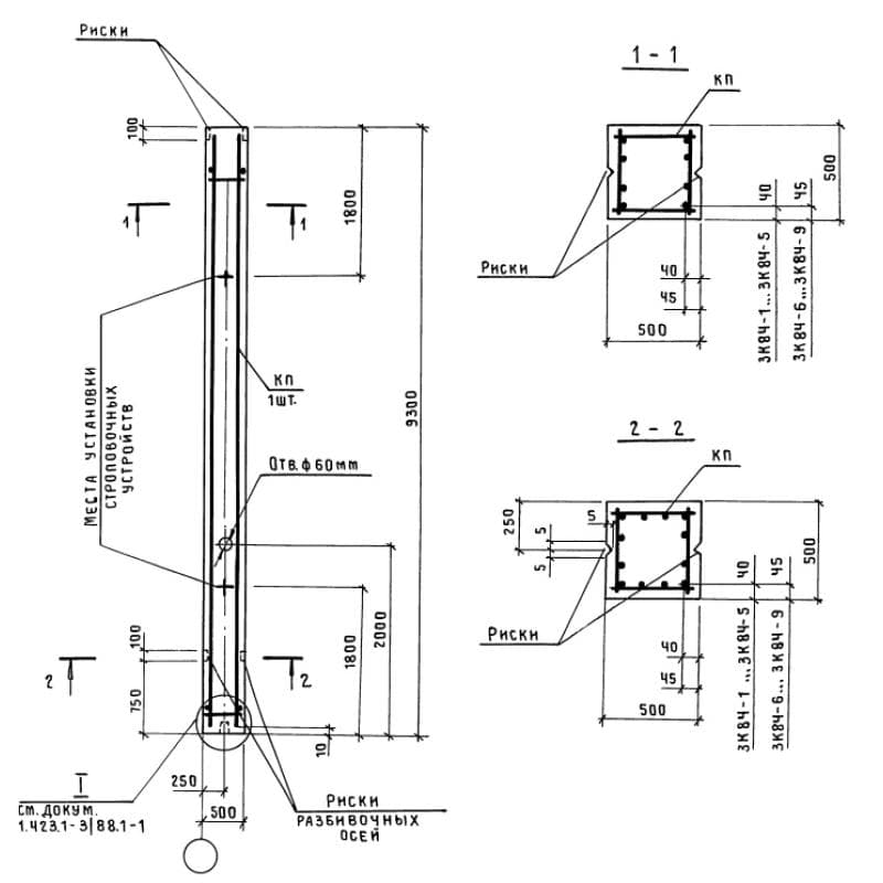
500x500x93003К 84-7 м3 с
Цена по запросу

700x400x130502КД 7-60(60)-2
Цена по запросу

500x400x123001К 114-8 м4
Цена по запросу

300x300x74502КД 3-33-2,3
Цена по запросу

400x400x78502КНО 30-2-34/39-4
Цена по запросу

400x400x81003К 81-5 АIV
Цена по запросу

400x400x50701КН2 4-33-35 (Б1.020.1-7)
Цена по запросу

400x400x101502КНД 42-2-45/52-4
Цена по запросу

400x400x36001КСД 4-36-4,5
Цена по запросу

300x300x20501КВ 3-28-12 (Б1.020.1-7)
Цена по запросу