Колонны, диафрагмы железобетонные

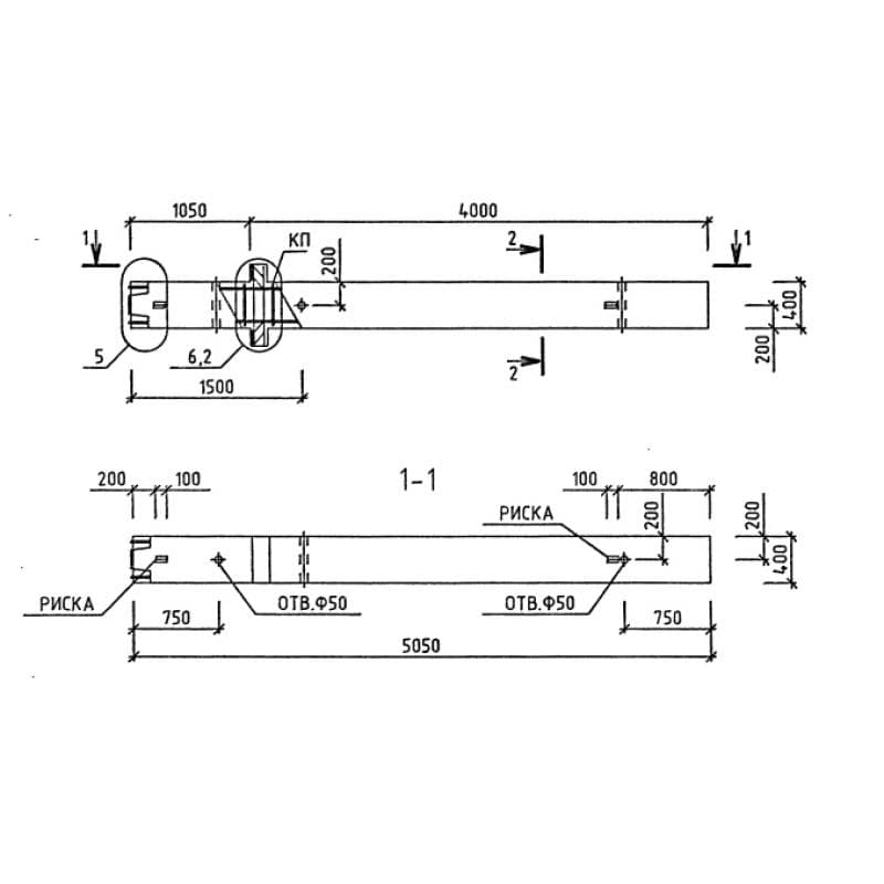
400x400x50501КНО 4-33-1,4
Цена по запросу

400x400x112003КН 48-112-8
Цена по запросу

900x400x1440010К 132-2
Цена по запросу

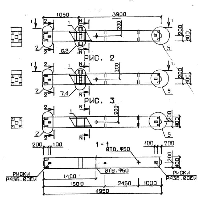
400x400x134003КНО 4-36-48-3,3
Цена по запросу

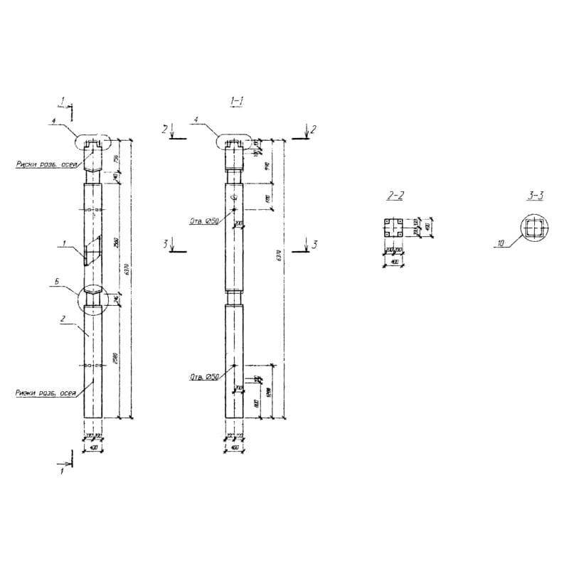
400x400x127501КН 36-128-9
Цена по запросу

400x400x68702КН2 4-33(20)-15 (Б1.020.1-7)
Цена по запросу

700x400x885010К 84-1
Цена по запросу

400x400x49501КНО 4-42-1-9 пв
Цена по запросу

400x400x101502КНО 42-3-35/39-4
Цена по запросу

550x3570x29802Д 30-36-1 пв
Цена по запросу

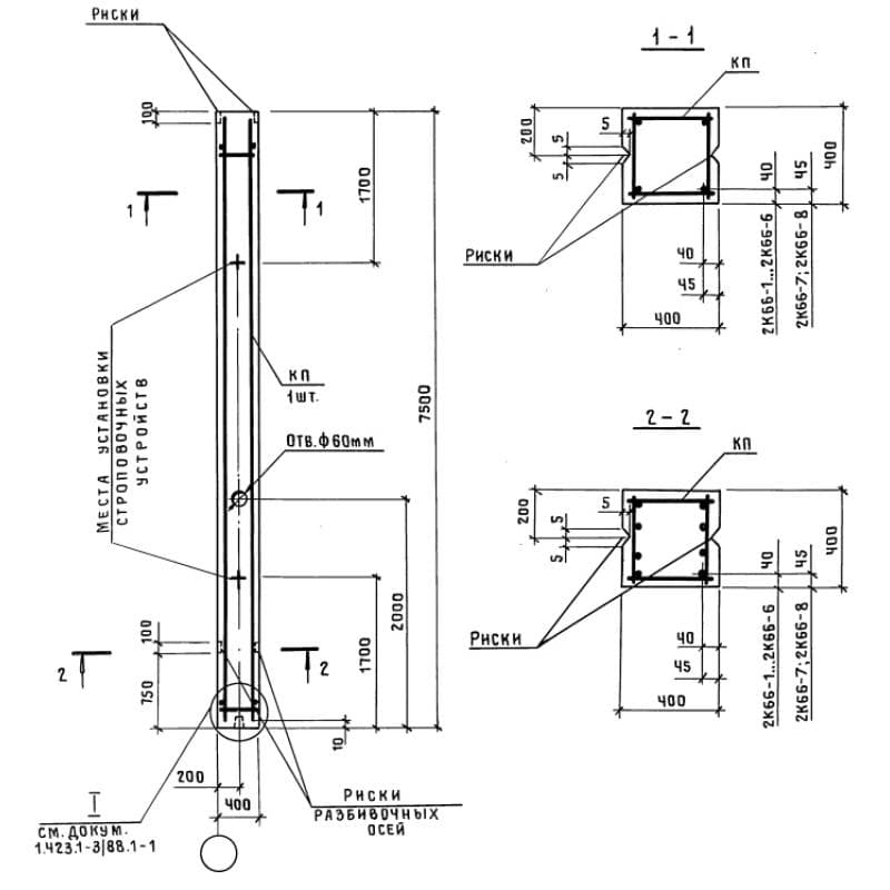
400x400x75002К 66
Цена по запросу

400x400x111503КНД 30-1-26/30-4
Цена по запросу