Колонны Серия 1.020-1
Колонны ГОСТ 23899-79
Колонны Серия 1.220-1
Колонны Серия 1-82
Колонны Альбом РК 1101-87
Колонны Серия 1.030.9-2
Колонны Серия 1.022 КЛ-2
Колонны Серия 1.400.1-22
Колонны Серия 1.420-4
Колонны ГОСТ 27108-86
Колонны Серия 1.335 ОМ
Колонны Серия 1.420-13
Колонны Серия 1.220.1-2
Колонны Серия 1.020.1-6сп
Колонны Серия 1.423-2с
Колонны Серия 1.220.1-3м
Колонны Серия 1.420.1-25
Колонны Серия 1.421.1-1.93
Колонны Серия 1.420-6
Колонны Серия 1.420.1-24с
Колонны Серия 1.420.1-32
Колонны Серия 1.420-8/81
Колонны Серия 1.823.1-3с
Колонны Серия 3.013.9-1
Колонны Серия 1.466-3 с
Колонны Серия 1.823.1-2
Колонны Серия 3.012.1-4
Колонны Серия 1.427.1-8
Колонны Серия 3.012-3
Колонны Серия 1.424.1-13
Колонны Серия 1.424.1-12
Колонны Серия 1.423.1-7
Колонны Серия 1.427.1-7
Колонны Серия 3.015-3/82
Колонны Серия 3.016.1-11
Колонны Серия 3.015-3/92
Колонны Серия 3.016.1-17.93
Колонны Серия 3.015-3/77
Колонны Серия 1.020.1-4
Колонны Серия 1.020-1/87 ( 1.020.1-7, 1.020-1/83, ИИ 04-1, 1.020.1-3пв )
Колонны Серия 3.507-1
Колонны Серия 3.407-40/70
Колонны Серия 3.402-24
Колонны Серия КЭ 01-49
Колонны Серия 3.019.1-1
Колонны Серия 3.015-2/77
Колонны Серия 3.015-1/82
Колонны Серия КЭ 01-52
Колонны ТП 901-6-43
Колонны Серия 3.015-1
Колонны Серия МПЗ 01-01
Колонны ТП 901-5-41.87
Колонны Серия У 01-02/89
Колонны Серия 3.015-3
Колонны ТП 901-5-38.87
Колонны Серия КЭ 01-55
Колонны Серия У 01-01
Колонны Серия 3.015-2
Колонны Серия 3.015-1/77
Колонны ТП 901-5-47.90
Колонны Серия 3.015-2/82
Колонны ТП 901-5-44.87
Колонны ТП 901-5-48.90
Колонны ТП 901-4-63.83
Колонны Серия ИИ 22-2/70
Колонны Серия Б1.020.1-7
Колонны Серия 3.900-3
Колонны Серия 7018м
Колонны Серия 7075м
Колонны Серия ЖУК 99
Колонны Серия 3.702.1-4
Колонны Серия 3.702-1/79
Колонны Серия ИИ 41
Колонны Серия 3.900.1-10
Колонны Серия ИС 01-08/67
Колонны Серия ИИС 62
Колонны Серия ИИ 03-02
Колонны Серия ИИС 04-2
Колонны Серия КУБ 2,5
Колонны Серия КЭ 01-06
Колонны Серия ИС 01-19
Колонны Серия ИИ 22-1
Колонны Серия ИИ 22-3/70
Колонны Серия ИИЭ 22-1/73
Колонны Серия ИС 01-09
Колонны Серия ИИ 62
Колонны Серия ИИ 22-3
Колонны Шифр Э 1708/1
Колонны ТП 901-6-61
Колонны Шифр 2021-164
Колонны витринные Альбом 55 НТ
Колонны высотой 4,8; 6,0-4,8 м Серия 1.420.1-19
Колонны высотой 4,8; 6,0-4,8 м Серия 1.420.1-20с
Колонны высотой 6,0; 7,2 м Серия 1.420.1-20с
Колонны высотой 7,2 м Серия 1.420.1-19
Колонны высотой 5,4 м Серия 1.420.1-20с
Колонны высотой 5,4 м Серия 1.420.1-19
Колонны высотой 6,0; 7,2 м Серия 1.420.1-19
Колонны двухветвевые с проходами Серия 1.424.1-10
Колонны верхних этажей высотой 3,6; 4,8 и 6,0 м Серия 1.420-12 вып. 4
Колонны для зданий высотой 9,0; 10,2; 11,4; 12,6 и 13,8 м Серия 1.424.1-5
Колонны высотой 7,2 м Серия 1.420.1-20с
Колонны для зданий высотой 12,0; 13,2 и 14,4 м Серия 1.424.1-5
Колонны для зданий высотой 4,8; 6,0; 7,2 и 8,4 м
Колонны двухветвевые Серия 1.424.1-9
Колонны двухветвевые Серия КЭ 01-60
Колонны для зданий высотой 4,8; 6,0; 7,2 и 8,4 м Шифр 15-74
Колонны для зданий высотой 9,0; 10,2; 11,44 12,6; 13,8 м Серия 1.427.1-3
Колонны для зданий высотой 8,4; 9,6 и 10,8 м
Колонны для зданий высотой 8,4; 9,6 и 10,8 м Шифр 15-74
Колонны для зданий с высотой этажа 2,8 и 3,3 м серия 1.020-1/87 ( 1.020.1-7, 1.020-1/83, ИИ 04-1, 1.020.1-3пв )
Колонны для зданий с промежуточными высотами Серия 1.423.1-5/88
Колонны для зданий с высотой этажа 3,6 м серия 1.020-1/87 ( 1.020.1-7, 1.020-1/83, ИИ 04-1, 1.020.1-3пв )
Колонны железобетонные Серия 1.423-5
Колонны железобетонные для многоэтажных зданий поперечного сечения 400*600 Серия 1.020-1/87 ( 1.020.1-7, 1.020-1/83, ИИ 04-1, 1.020.1-3пв )
Колонны железобетонные для многоэтажных зданий поперечного сечения 400*400 Серия 1.020-1/87 ( 1.020.1-7, 1.020-1/83, ИИ 04-1, 1.020.1-3пв )
Колонны железобетонные (р.ч.346.3-07-31 КЖИ, инд.)
Колонны доборные Серия 1.123 КР-1
Колонны для зданий высотой 8,4; 9,6 и 10,8 м Серия 1.424.1-5
Колонны для зданий с высотой этажей 4,8 (6,0) и 3,6 (4,8) м серия 1.020-1/87 ( 1.020.1-7, 1.020-1/83, ИИ 04-1, 1.020.1-3пв )
Колонны для зданий с высотой этажей 5,4 и 6,0 (7,2) м серия 1.020-1/87 ( 1.020.1-7, 1.020-1/83, ИИ 04-1, 1.020.1-3пв )
Колонны железобетонные Серия 1.423.1-5/88
Колонны для зданий с высотой этажа 4,2 м серия 1.020-1/87 ( 1.020.1-7, 1.020-1/83, ИИ 04-1, 1.020.1-3пв )
Колонны железобетонные для многоэтажных производственных зданий на высоту этажа 6,0 м Серия 1.420-12 вып. 3
Колонны железобетонные для многоэтажных производственных зданий на высоту этажа 4,8 м Серия 1.420-12 вып. 2
Колонны железобетонные для многоэтажных производственных зданий на высоту этажа 3,6 м Серия 1.420-12 вып. 1
Колонны железобетонные для многоэтажных зданий рамного каркаса Серия 1.020-1/87 ( 1.020.1-7, 1.020-1/83, ИИ 04-1, 1.020.1-3пв )
Колонны сечением 300х300 Серия ИИ 04-2
Колонны сечением 300х300 Серия 1.020.1-7
Колонны сечением 300х300 серия 1.020-1/87 ( 1.020.1-7, 1.020-1/83, ИИ 04-1, 1.020.1-3пв )
Колонны сечением 400х400 мм для зданий с высотами этажей 3,3 м Серия 1.020.1-2с/89
Колонны сечением 400х400 Серия ИИ 04-2
Колонны серия 3.407.1-157 ( серия 3.407-102, 3.407-40/70 )
Колонны крановые с проходами Серия 1.424.1-6/89
Колонны крановые с проходами Серия 1.424.1-6
Колонны нулевого цикла Серия ИИ 60
Колонны сечением 400х400 мм для зданий с высотами этажей 4,8 и 4,8 (6,0) м Серия 1.020.1-2с/89
Колонны серия 3.015-1/92 ( 3.015-1/82 )
Колонны сечением 400х400 мм для зданий с высотами этажей 5,4-6,0 и 6,0 (7,2) м Серия 1.020.1-2с/89
Колонны серия 3.015-16.94 ( 3.015-2/82, 3.015-2/77 )
Колонны сечением 400х400 мм для зданий с высотами этажей 7,0 и 8,0 м Серия 1.020.1-2с/89
Колонны с консолями Серия 1.123 КР-1
Колонны железобетонные. Высота этажей 6,0 и 7,2 м серия 1.420-35.95 ( 1.420-12, ИИ 23-3/70, ИИ 23-2/70, ИИ 23-1/70 )
Колонны железобетонные. Высота этажей 4,8 и 6,0 м серия 1.420-35.95 ( 1.420-12, ИИ 23-3/70, ИИ 23-2/70, ИИ 23-1/70 )
Колонны железобетонные прямоугольного сечения для одноэтажных производственных зданий высотой до 9,6 м без мостовых опорных кранов (серия 1.423.1-3/88 вып. 1)
Колонны железобетонные для одноэтажных зданий предприятий типа (К) Серия 1.423.1-3/88 (1.423-3)
Колонны сечением 400х400 мм для зданий с высотами этажей 4,2 м Серия 1.020.1-2с/89
Колонны сечением 400х400 мм для зданий с высотами этажей 3,6 м Серия 1.020.1-2с/89
Колонны железобетонные Серия 1.423.1-3/88
Колонны железобетонные для зданий высотой 9,0 м Серия 1.423.1-3/88
Колонны типа (К) (инд.)
Колонны тоннелей Серия 3.006.1-3/83
Колонны фахверка Серия 1.427.1-3
Колонны фахверка Серия 1.427.1-5
Колонны фундаментные Серия 1.335 ОМ
Колонны фахверкков двухветвевого сечения Серия 1.427.1-6
Колонны-сваи ГОСТ 23899-79
Консоли Серия 1.421.1-1.93
Опорные подушки Серия 1.030.9-2
Связи Серия КУБ 2,5
Связи-распорки Серия 1.020.1-3пв
Стволы сборных колонн Серия РМ 2-77
Колонны Серия 1.423-2
Колонны железобетонные для многоэтажных зданий связевого каркаса Серия 1.020-1/87 ( 1.020.1-7, 1.020-1/83, 1.020.1-3пв )
Колонны для зданий с высотой этажа 3,6 м серия 1.020-1/87 ( 1.020.1-7, 1.020-1/83, ИИ 04-1, 1.020.1-3пв )

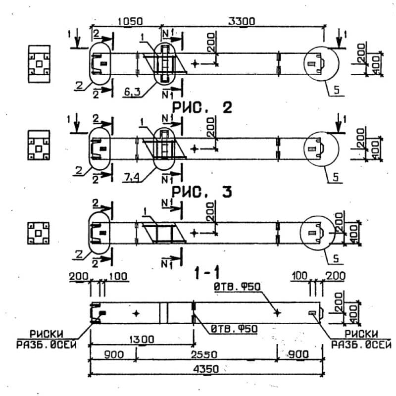
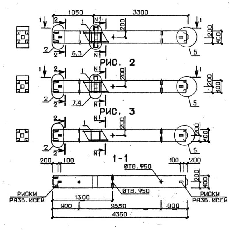
400x400x43501КНО 4-36-2-4 пв
Цена по запросу

400x400x43501КНО 4-36-2-4 пв
Цена по запросу

400x400x43501КНО 4-36-2-4 пв
Цена по запросу

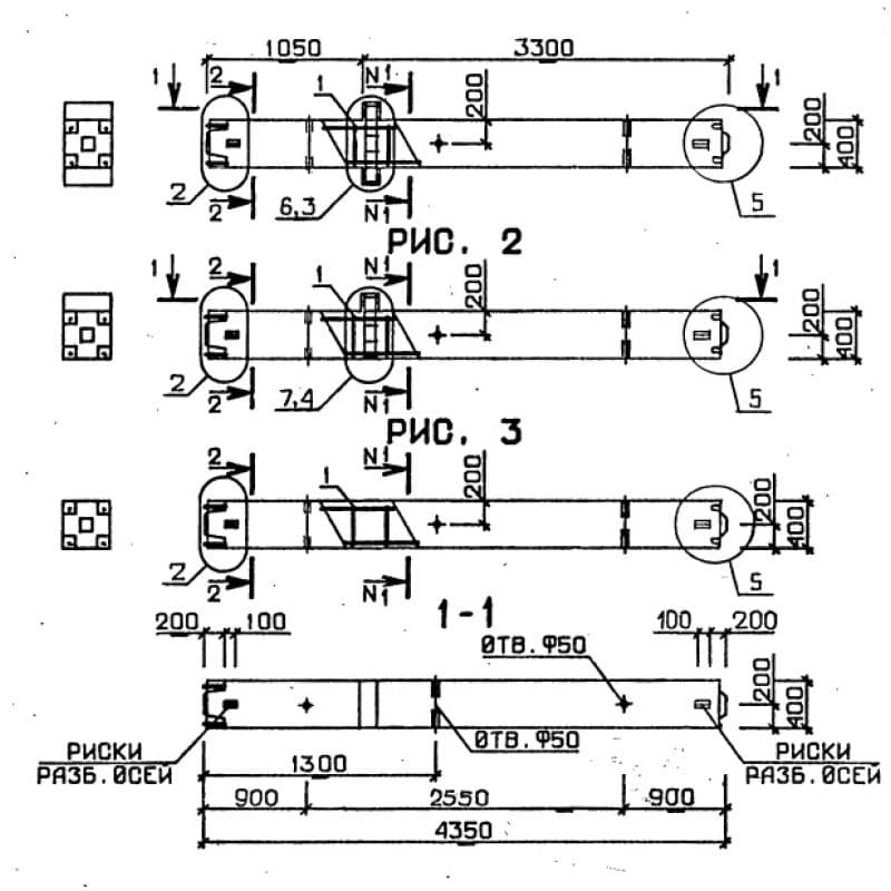
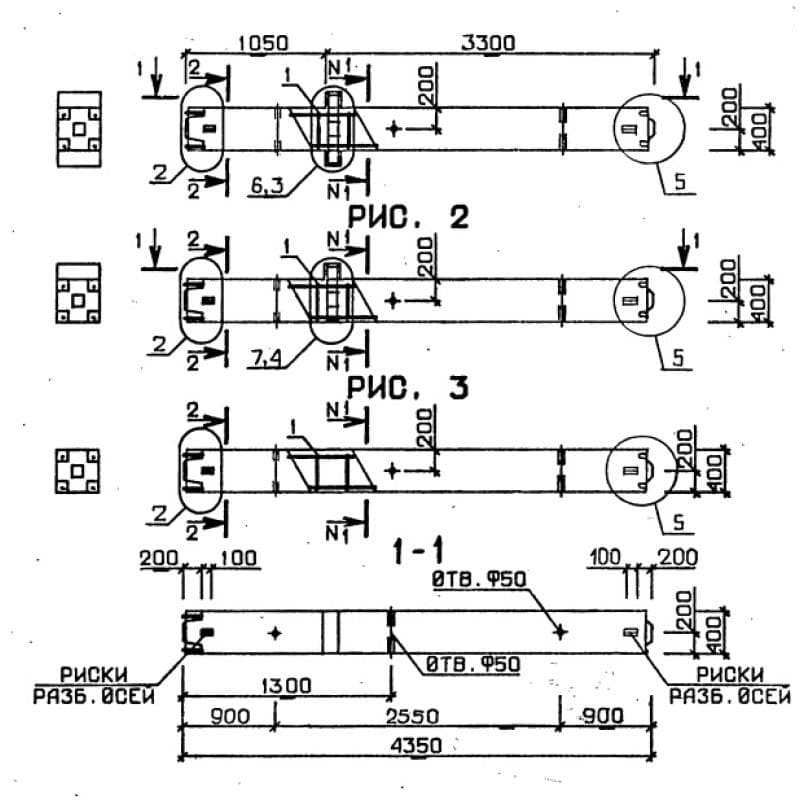
400x400x43501КНО 4-36-2-5 пв
Цена по запросу

400x400x43501КНО 4-36-2-5 пв
Цена по запросу

400x400x43501КНО 4-36-2-5 пв
Цена по запросу

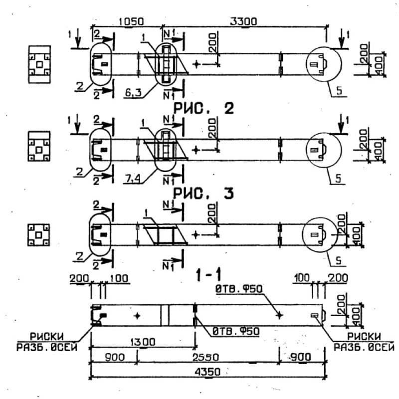
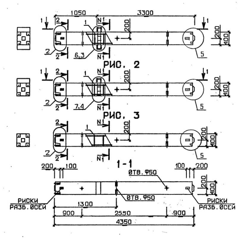
400x400x43501КНО 4-36-2-6 пв
Цена по запросу

400x400x43501КНО 4-36-2-6 пв
Цена по запросу

400x400x43501КНО 4-36-2-6 пв
Цена по запросу

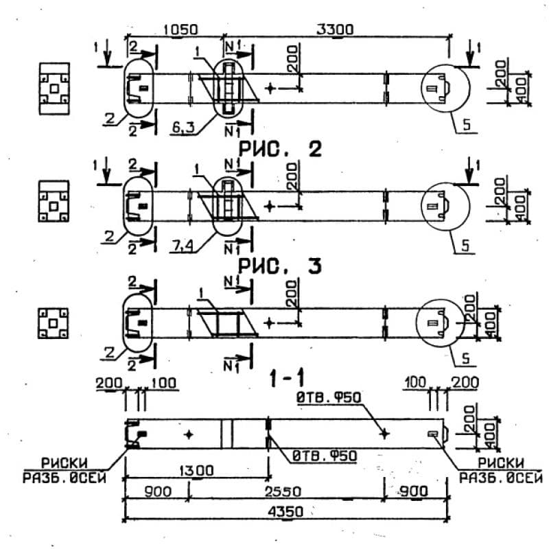
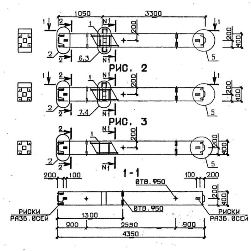
400x400x43501КНО 4-36-2-7 пв
Цена по запросу

400x400x43501КНО 4-36-2-7 пв
Цена по запросу

400x400x43501КНО 4-36-2-7 пв
Цена по запросу
12 из 2361 (197 страниц)