Диафрагмы жесткости железобетонные

550x3570x31602ДП 32-36 (1.020-1)
Цена по запросу

550x1970x55602Д 56-20-5 пв
Цена по запросу

480x2800x33701Д 34-28-3-3 сп (1.020.1-6пс)
Цена по запросу

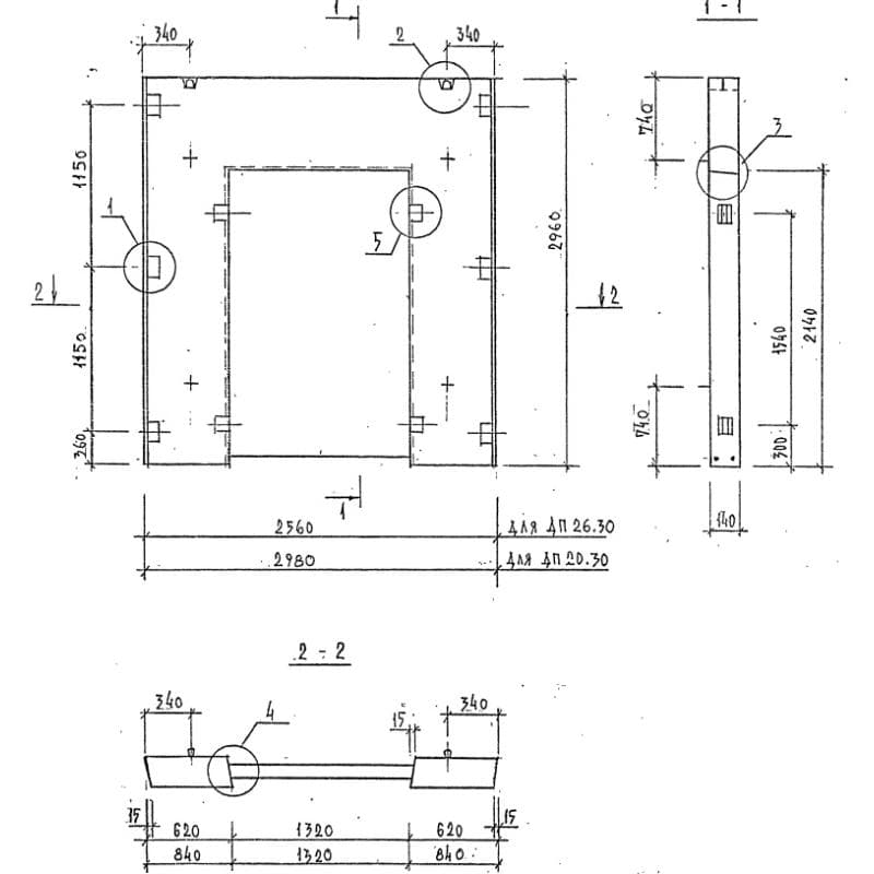
140x2970x29802ДП 30-30
Цена по запросу

550x3570x25602Д 26-36-4 пв
Цена по запросу

345x4770x23801Д 24-48
Цена по запросу

550x3570x11802Д 12-36-2 пв
Цена по запросу

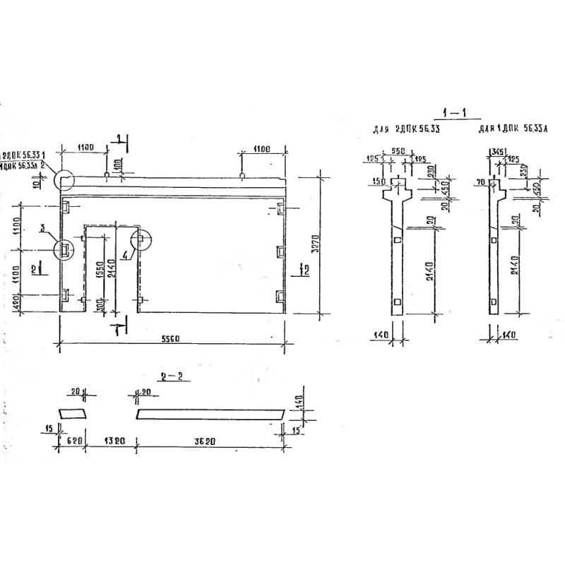
550x3270x55602Д 56-33
Цена по запросу

550x3270x55602ДПК 56-33
Цена по запросу

480x1770x25601Д 26-17-2 сп (1.020.1-6сп)
Цена по запросу

550x1970x29802Д 30-20-5 пв
Цена по запросу

550x4170x23802Д 24-42 (1.020-1/87)
Цена по запросу