Желоба Серия 3.602.1-1
Каналы непроходные Серия 3.903 КЛ-14
Лотки 3.820.1-69
Лотки Альбом 819
Лотки Альбом СК 3301-86
Лотки Л Серия 3.501.1-179.94
Лотки Л Серия ИС 01-04
Лотки Серия 1.219-2
Лотки Серия 3.006.1-7
Лотки Серия 3.818.9-2
Лотки Серия 4.902-3
Лотки Серия 3.820-11
Лотки Серия Б3.006.1-1.03
Лотки Серия Б3.300.1-5.04
Лотки Серия ХТР 1-1
Лотки ТП 320-55
Лотки ТП 902-2-356
Лотки водоотводные ГОСТ 21509-76
Лотки водопойные параболические Серия 3.820-23
Лотки водосборные Серия 1.100.1-7
Лотки водосточные ТПР 320-069.86
Лотки водосточные без уклона СТО 57388863-001-2008
Лотки водосточные канальные с уголком,с вертикальным выпуском СТО 57388863-001-2008
Лотки водосточные с уклоном СТО 57388863-001-2008
Лотки дренажные (инд.)
Лотки железобетонные оросительных систем ГОСТ 21509-76
Лотки железобетонные оросительных систем ГОСТ 24587-81
Лотки кабельных каналов Серия 3.407-40/70
Лотки кабельных каналов Серия 4.407-267
Лотки кабельных каналов серия 3.407.1-157 ( серия 3.407-102, 3.407-40/70 )
Лотки каналов ЛК серия 3.006.1-8
Лотки междупутные Альбом 984, Серия 3.501-68
Лотки кровли Серия 1-335 ТулМ
Лотки параболические раструбные Серия 3.820-3
Лотки монолитные ТПР 320-069.86
Лотки междупутные Альбом ГИПРОТРАНСПУТЬ
Лотки облегченные Серия 3.820.1-69
Лотки телескопические Серия 3.503.1-66
Лотки теплотрасс Л Серия 3.006.1-2/82
Лотки теплотрасс Л Серия 3.006.1-2/82 доборные
Лотки теплотрасс Л Серия 3.006-2 доборные
Лотки теплотрасс Л серия 3.006.1-2/87
Лотки теплотрасс Л Серия 3.006-2
Лотки противоэрозионные раструбные Серия 3.820-21
Лотки телефонные Серия 1.465.1-19
Лотки теплотрасс Л Серия 3.900.1-12
Лотки параболические раструбные Серия 3.820.1-34с
Лотки теплотрасс Ло Серия 3.006-2 с отверстием
Лотки теплотрасс Л серия 3.006.1-2/87 доборные
Лотки теплотрасс Ло Серия 3.006.1-2/82 с отверстием
Лотки теплотрасс Ло серия 3.006.1-2/87 с отверстием
Лотки теплотрасс Лу Серия 3.006-2 угловые
Лотки теплотрасс Лу Серия 3.006.1-2/82 угловые
Лотки каналов с отверстиями ЛКО серия 3.006.1-8
Лотки теплотрасс Лу серия 3.006.1-2/87 угловые
Лотки теплофикационные Серия 3.903 КЛ-14
Лотки теплотрасс керамзитобетонные ГОСТ Р 56589-2015
Лотковые днища Альбом СК 3301-86
Лотковые перекрытия Альбом СК 3301-86
Лотковые элементы Альбом ПС 312
Оголовки лотков Серия 3.501-68
Оголовки междушпальных лотков Альбом 984
Опорные подушки Серия ХТР 1-1
Рамы лотков Серия 3.820-11
Элементы прямоугольных лотков Серия 3.900-3
Элементы прямоугольных лотков Серия 3.900-2
Лотки железобетонные

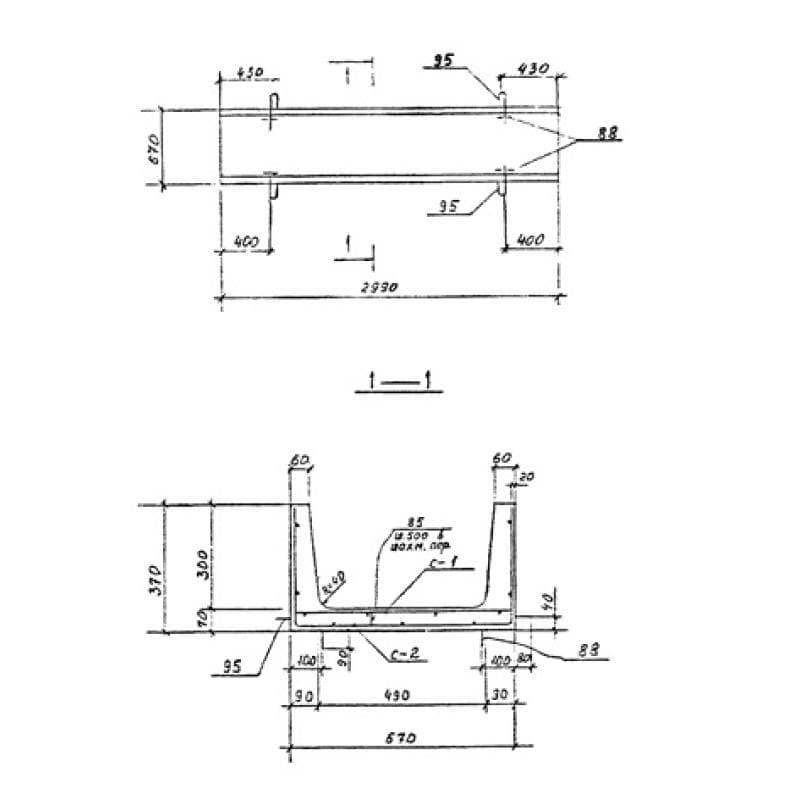
670x370x2990КН 0
Цена по запросу

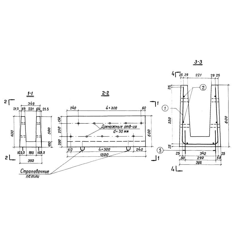
392x600x1500Л 1-0,50
Цена по запросу

2160x1640x720Л 22д-3 (3.006.1-2/82)
Цена по запросу

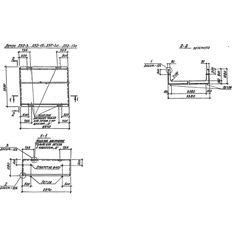
3380x1080x2970Л 32-8 а (3.006-2)
Цена по запросу

2160x740x720Л 19д-8 (3.006.1-2/82)
Цена по запросу

2980x1180x2990ЛК 300-300-120-12
Цена по запросу

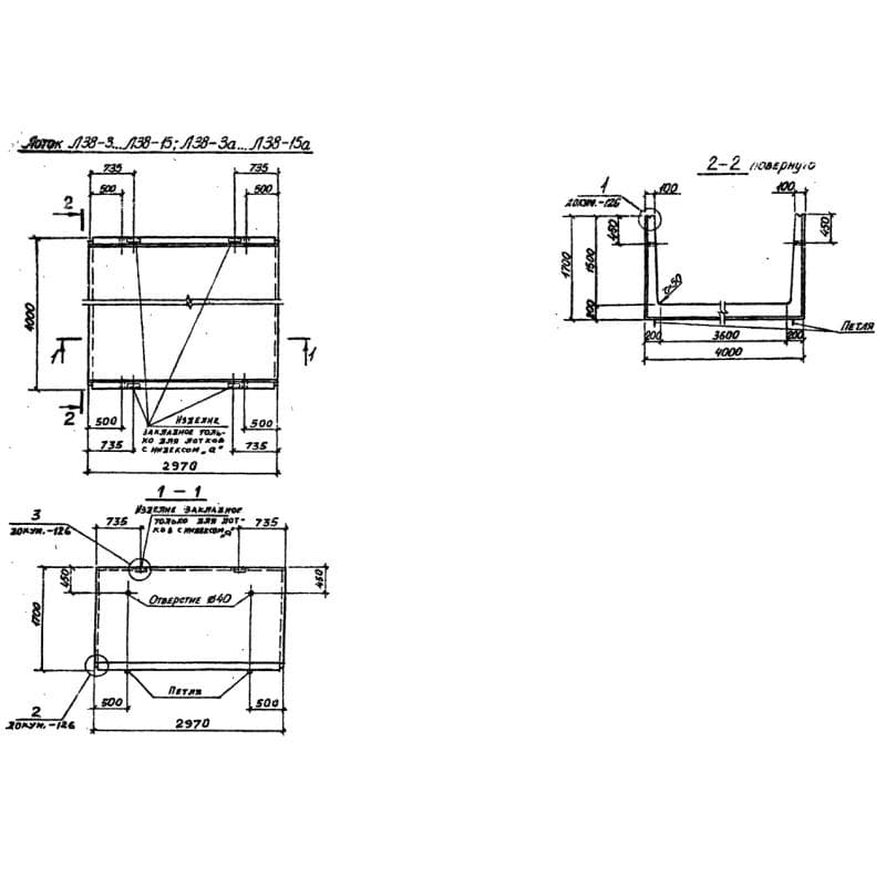
4000x1700x2970Л 38-5 а (3.006.1-2/82)
Цена по запросу

4000x1100x720Л 36д-11 (3.006-2)
Цена по запросу

1840x1640x5970Л 18-5 (3.006.1-2/82)
Цена по запросу

142x122x1000ЛВК 100-142-122 (с верт-м водосливом)
Цена по запросу

1160x1000x720Л 8д-8 (3.006.1-2/82)
Цена по запросу

2080x880x2990ЛК 300-210-90-7
Цена по запросу
12 из 2595 (217 страниц)