Желоба Серия 3.602.1-1              
                Каналы непроходные Серия 3.903 КЛ-14              
                Лотки 3.820.1-69              
                Лотки Альбом 819              
                Лотки Альбом СК 3301-86              
                Лотки Л Серия 3.501.1-179.94              
                Лотки Л Серия ИС 01-04              
                Лотки Серия 1.219-2              
                Лотки Серия 3.006.1-7              
                Лотки Серия 3.818.9-2              
                Лотки Серия 4.902-3              
                Лотки Серия 3.820-11              
                Лотки Серия Б3.006.1-1.03              
                Лотки Серия Б3.300.1-5.04              
                Лотки Серия ХТР 1-1              
                Лотки ТП 320-55              
                Лотки ТП 902-2-356              
                Лотки водоотводные ГОСТ 21509-76              
                Лотки водопойные параболические Серия 3.820-23              
                Лотки водосборные Серия 1.100.1-7              
                Лотки водосточные ТПР 320-069.86              
                Лотки водосточные без уклона СТО 57388863-001-2008              
                Лотки водосточные канальные с уголком,с вертикальным выпуском СТО 57388863-001-2008              
                Лотки водосточные с уклоном СТО 57388863-001-2008              
                Лотки дренажные (инд.)              
                Лотки железобетонные оросительных систем ГОСТ 21509-76              
                Лотки железобетонные оросительных систем ГОСТ 24587-81              
                Лотки кабельных каналов Серия 3.407-40/70              
                Лотки кабельных каналов Серия 4.407-267              
                Лотки кабельных каналов серия 3.407.1-157 ( серия 3.407-102, 3.407-40/70 )              
                Лотки каналов ЛК серия 3.006.1-8              
                Лотки междупутные Альбом 984, Серия 3.501-68              
                Лотки кровли Серия 1-335 ТулМ              
                Лотки параболические раструбные Серия 3.820-3              
                Лотки монолитные ТПР 320-069.86              
                Лотки междупутные Альбом ГИПРОТРАНСПУТЬ              
                Лотки облегченные Серия 3.820.1-69              
                Лотки телескопические Серия 3.503.1-66              
                Лотки теплотрасс Л Серия 3.006.1-2/82              
                Лотки теплотрасс Л Серия 3.006.1-2/82 доборные              
                Лотки теплотрасс Л Серия 3.006-2 доборные              
                Лотки теплотрасс Л серия 3.006.1-2/87              
                Лотки теплотрасс Л Серия 3.006-2              
                Лотки противоэрозионные раструбные Серия 3.820-21              
                Лотки телефонные Серия 1.465.1-19              
                Лотки теплотрасс Л Серия 3.900.1-12              
                Лотки параболические раструбные Серия 3.820.1-34с              
                Лотки теплотрасс Ло Серия 3.006-2 с отверстием              
                Лотки теплотрасс Л серия 3.006.1-2/87 доборные              
                Лотки теплотрасс Ло Серия 3.006.1-2/82 с отверстием              
                Лотки теплотрасс Ло серия 3.006.1-2/87 с отверстием              
                Лотки теплотрасс Лу Серия 3.006-2 угловые              
                Лотки теплотрасс Лу Серия 3.006.1-2/82 угловые              
                Лотки каналов с отверстиями ЛКО серия 3.006.1-8              
                Лотки теплотрасс Лу серия 3.006.1-2/87 угловые              
                Лотки теплофикационные Серия 3.903 КЛ-14              
                Лотки теплотрасс керамзитобетонные ГОСТ Р 56589-2015              
                Лотковые днища Альбом СК 3301-86              
                Лотковые перекрытия Альбом СК 3301-86              
                Лотковые элементы Альбом ПС 312              
                Оголовки лотков Серия 3.501-68              
                Оголовки междушпальных лотков Альбом 984              
                Опорные подушки Серия ХТР 1-1              
                Рамы лотков Серия 3.820-11              
                Элементы прямоугольных лотков Серия 3.900-3              
                Элементы прямоугольных лотков Серия 3.900-2              
Лотки теплотрасс Л Серия 3.006-2 доборные

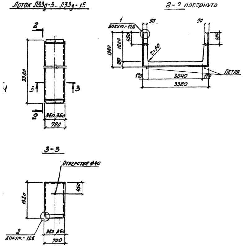
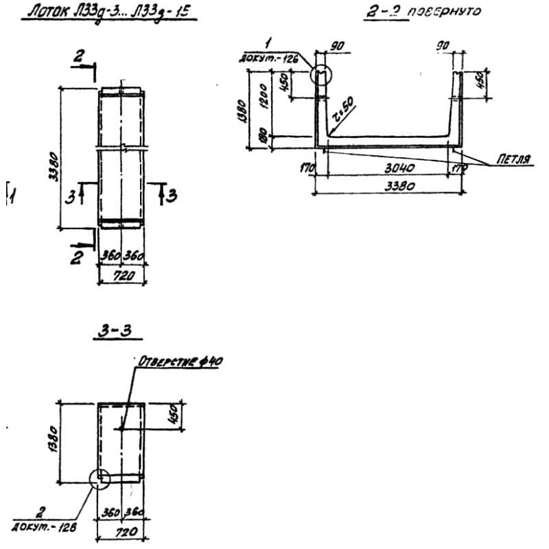
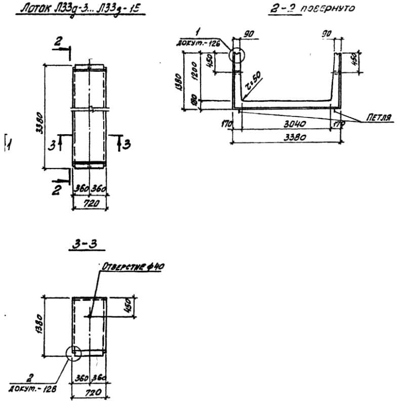
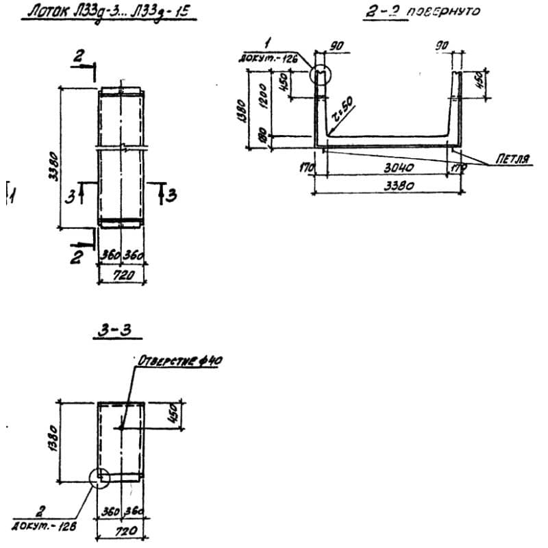
3380x1380x720Л 33д-12 (3.006-2)
Цена по запросу

3380x1380x720Л 33д-15 (3.006-2)
Цена по запросу

3380x1380x720Л 33д-3 (3.006-2)
Цена по запросу

3380x1380x720Л 33д-5 (3.006-2)
Цена по запросу

3380x1380x720Л 33д-8 (3.006-2)
Цена по запросу

3380x1680x720Л 34д-11 (3.006-2)
Цена по запросу

3380x1680x720Л 34д-12 (3.006-2)
Цена по запросу

3380x1680x720Л 34д-15 (3.006-2)
Цена по запросу

3380x1680x720Л 34д-3 (3.006-2)
Цена по запросу

3380x1680x720Л 34д-5 (3.006-2)
Цена по запросу

3380x1680x720Л 34д-8 (3.006-2)
Цена по запросу

4000x800x720Л 35д-11 (3.006-2)
Цена по запросу
12 из 511 (43 страниц)