Косоуры лестничные

2100x160x49502ЛБК 49-16-21-5
Цена по запросу

1400x2875x33022ЛБК 33-16-14-4 а
Цена по запросу

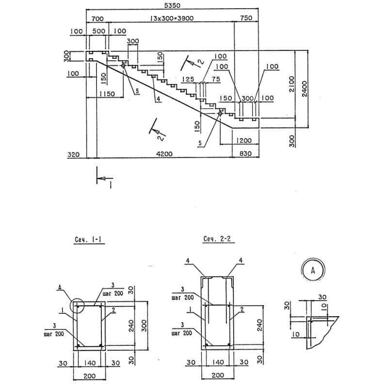
200x300x5350КЛ 535-210
Цена по запросу

350x2880x5470К 2
Цена по запросу

120x690x1520МЖ 3-9
Цена по запросу

780x510x930Блок 1 (изм.)
Цена по запросу

260x4200x12050К 1 (ТП 501-166)
Цена по запросу

280x50x1000Блок 7 (ступень)
Цена по запросу

2100x160x49502ЛБК 49-16-21-5
Цена по запросу

2100x160x49502ЛБК 49-16-21-5 а
Цена по запросу

700x1200x1760Блок 2
Цена по запросу

280x980x2420МЖ 3-14
Цена по запросу