Гипсобетонные и шлакобетонные перегородки Серия ИИ 03-04              
                Двухмодульные панели перекрытия Серия КУБ 2,5              
                Изделия для стеновых панелей верхние и нижние Серия 1.131-17              
                Панели внутренних стен Серия 1.090.1-7с              
                Панели Серия ИИС 61              
                Панели Серия СТ 02-10/61              
                Панели наружных стен Серия 1.100.1-7              
                Панели наружные трехслойные Серия 1.132.1-21.98              
                Панели внутренних стен нулевого цикла Серия 1.090.1-2с              
                Панели внутренних стен цоколя Альбом РС 1-1725              
                Панели внутренних стен Серия 1.090.1-2с              
                Одномодульные панели перекрытия Серия КУБ 2,5              
                Панели внутренних стен Серия 97              
                Панели внутренних стен нулевого цикла (цокольные) Серия 1.090.1-3пв              
                Панели наружных стен Серия 1.090.1-7с              
                Панели внутренних продольных стен Серия 1.131-1              
                Панели ТП 901-6-61              
                Панели Серия 3.903 КЛ-13              
                Панели наружные стеновые Серия 1.117.1-19              
                Панели внутренних стен нулевого цикла (цокольные) Серия 1.090.1-1/88              
                Панели ТП 901-6-43              
                Панели Альбом СК              
                Панели наружных стен Серия 1.220.1-2              
                Панели наружных стен Серия 1.132-1              
                Панели наружных стен Серия 1.117.1-21              
                Панели лестничного ограждения ГОСТ 24155-2016              
                Панели Серия 1.433-2              
                Панели Серия 1.117.1-15пв              
                Панели внутренних стен Серия 1.090.1-3пв              
                Панели внутренних продольных стен Серия 1.131-1/82              
                Панели внутренних стен Альбом 3РС 31-11              
                Панели внутренних стен Серия 1.090.1-1/88              
                Панели внутренних стен Серия 1.020.1-4              
                Панели наружных стен Серия 1.132.1-14              
                Панели внутренних стен Серия 1.131-17              
                Панели внутренних стен нулевого цикла Серия 1.090.1-6сп              
                Панели внутренних цокольных стен Серия 1.220.1-2              
                Панели наружных стен Серия 1.132-2              
                Панели внутренних стен цоколя Альбом 7РС 17 108              
                Гипсобетонные перегородки Серия ИИ 03-05              
                Панели лестничного ограждения ТПР 501-07-3.83              
                Панели наружных стен Серия 1.132.1-16              
                Панели наружных стен Альбом 5РС 41-75              
                Панели внутренних поперечных стен Серия 1.131-2/82              
                Панели внутренних стен Альбом 2РС 3153-01              
                Панели балочные Серия 3.900-2              
                Панели Серия СТ 02-11/61              
                Опорные подушки Серия 1.069.1-1              
                Панели наружных стен Серия 1.090.1-2с              
                Панели наружных стен навесные Серия 1.020-1              
                Панели наружных стен Серия 1.232 КЛ-2              
                Панели внутренних стен Серия 1.220.1-2              
                Доборные изделия Серия 1.169.1-1              
                Панели внутренних стен Серия 1.100.1-7              
                Кассеты керамзитобетонные ТП 901-1-60.86              
                Панели наружных стен навесные Альбом РМ 2283              
                Панели наружных стен подвала Альбом 5РС 17-29              
                Панели наружных стен нулевого цикла Серия 1.090.1-7с              
                Панели наружных стен трехслойные легкобетонные Серия 1.232.1-10              
                Панели входов Альбом 5РС 41-59              
                Панели наружных стен трехслойные Альбом РМ 2919-03              
                Панели наружных стен трехслойные Серия 97.87 ИЖ 1.1-1              
                Панели внутренних стен нулевого цикла Серия 1.090.1-7с              
                Панели наружных стен трехслойные Альбом 7РС 41 133              
                Панели наружных стен Серия 1.132.1-12с              
                Панели наружных стен однослойные Серия 1.090.1-3пв              
                Карнизные панели Серия 3.407.1-157 ( серия 3.407-102, 3.407-40/70 )              
                Панели внутренние стеновые Альбом РМ 2283              
                Панели наружных цокольных стен Серия 1.100.1-7              
                Панели входа Альбом 3РС 19-08              
                Панели наружных стен нулевого цикла Серия 1.020-1              
                Панели вентиляционных шахт Серия 1-335 ТулМ              
                Панели наружных стен Серия 1.132.1-15              
                Панели Серия 1.169.1-1              
                Панели наружных цокольных стен Серия 1.117-13              
                Панели наружных стен фризовые трехслойные Альбом 3РС 41-28              
                Панели дымовентиляционные Серия 1.335 ОМ              
                Панели наружных цокольных стен Серия 1.117.1-14              
                Панели наружных стен нулевого цикла Серия 1.090.1-2с              
                Панели наружных цокольных стен Серия 1.220.1-2              
                Наружные стеновые панели Серия КУБ 2,5              
                Панели наружных стен самонесущие Серия 1.020-1              
                Панели внутренних стен цоколя Альбом РС 1-1728              
                Панели ТП 310-4-1              
                Панели Серия 3.019.1-2              
                Панели наружных стен трехслойные Альбом РМ 2919-02              
                Панели наружных стен Серия 1.132-3/82              
                Панели наружных стен фризовые Альбом 5РС 41-61              
                Панели внутренних стен техподполья Альбом 5РС 17-30              
                Панели консольные Серия 3.900-3              
                Панели наружных стен трехслойные цокольные Альбом РМ 2919-01              
                Панели наружных стен однослойные нулевого цикла Серия 1.090.1-6сп              
                Панели лестничного ограждения ГОСТ 24155-80              
                Панели наружных стен цокольные трехслойные Альбом 3РС 17-15              
                Панели наружных стен трехслойные Альбом 5РС 41-57              
                Панели наружных цокольных стен Серия 1.117-9              
                Панели наружных стен трехслойные фризовые Альбом 3РС 41-24              
                Панели наружных стен однослойные Серия 1.090.1-1/88              
                Панели наружных стен трехслойные Альбом РМ 2919-04              
                Панели внутренних стен Альбом РС 1-3120              
                Панели наружных стен цокольные трехслойные Альбом 3РС 17-16              
                Панели опорные Серия ИИС 04-7              
                Панели однослойные нулевого цикла Серия 1.232.1-8              
                Панели ограждающих стенок Шифр 1481              
                Панели парапета Серия 1.138.1-17              
                Панели парапетные Серия 1.100.1-7              
                Панели ограждения платформ ГОСТ 24155-2016              
                Панели перекрытий сплошные Серия 1.243.1 КЛ-3              
                Панели перегородочные с опорной пяткой для аэротенков Серия 3.900.1-10              
                Панели перегородочные с опорной пяткой для аэротенков Серия 3.900-3              
                Панели перекрытия Серия 86 и 85              
                Панели перегородочные Серия 3.900-3              
                Панели парапетные Серия ИИ 04-5              
                Панели стеновые Серия 1.189.1-10              
                Панели перегородочные Серия 3.902.1-12              
                Панели стеновые Серия 1.432-4              
                Панели основания ТУ 102-416-86              
                Панели однослойные самонесущие Серия 1.232.1-8              
                Панели парапета Серия 1.090.1-9м              
                Панели стеновые Серия 1.432-9              
                Панели стеновые Серия 1.432-5              
                Панели опорные Серия 1.100.1-7              
                Панели силосные Серия 3.702-1/79              
                Панели перильного ограждения ТПР 501-07-3.83              
                Панели силосные Серия 3.702.1-4              
                Панели стеновые Серия 1-335 ТулМ              
                Панели стеновые Серия 1.431-14              
                Панели перильного ограждения ГОСТ 24155-80              
                Панели стеновые Серия 1.432-14/80              
                Панели стеновые Серия 1.432-15              
                Панели стеновые Серия 1.431-2              
                Панели стеновые Серия 1.832-5              
                Панели стеновые Серия 3.702-1/79              
                Панели стеновые Серия 1.431-3              
                Панели стеновые Серия 1.131.1-25              
                Панели стеновые Серия 1.432.1-18              
                Панели подвала Серия ИИ 04-5              
                Панели стеновые Серия 1.432.1-33.93              
                Панели стеновые Серия 3.900.1-10              
                Панели стеновые Серия 1.432-10              
                Панели стеновые Серия 3.900.1-11              
                Панели покрытия ТУ 102-416-86              
                Панели стеновые Серия 1.432-14              
                Панели павильона сборные Серия 3.503.1-70              
                Панели стеновые Серия 1.400.1-22              
                Панели стеновые Серия 3.901.1-14              
                Панели стеновые Серия 1.432.1-25              
                Панели перегородок железобетонные для зданий промышленных и сельскохозяйственных предприятий Серия 1.030.9-2              
                Панели стеновые Серия 3.902.1-12              
                Панели перегородочные ТП 901-4-63.83              
                Панели стеновые ПСП Серия 3.900-3              
                Панели стеновые Серия 7075м              
                Панели стеновые Серия 7018м              
                Панели стеновые Серия 1.832-2              
                Панели перегородок Серия 1.831.9-3              
                Панели стеновые Серия 1.432.1-23с              
                Панели парапета трехслойные Серия 1.138.1-18              
                Панели перегородок Серия 1.432.1-33.93              
                Панели стеновые Серия 1.432.1-20              
                Панели стеновые Серия 1.432-9/81              
                Панели стеновые Серия 1.174.1-1              
                Панели стеновые Серия 1.490.1-1              
                Панели стеновые Серия 1.432.1-22              
                Панели стеновые Серия 1.131.1-23              
                Панели стеновые Серия 1.432.1-34.94              
                Панели стеновые Серия СТ 02-18              
                Панели стеновые Серия ВТИ КЖ 01-82              
                Панели стеновые Серия СТ 02-33              
                Панели стеновые Серия У 01-01              
                Панели стеновые Серия ИС 01-19              
                Панели стеновые Серия СТ 02-31              
                Панели стеновые Серия У 01-02/89              
                Панели стеновые Серия ВТИ-КЖ 01-83              
                Панели стеновые ТП 901-4-79с84              
                Панели стеновые ТП 501-3-9              
                Панели стеновые ТП 902-2-356              
                Панели стеновые ТП 905-7              
                Панели стеновые Серия У 01-01/80              
                Панели стеновые ТУ 102-416-86              
                Панели стеновые Шифр 111-83              
                Панели стеновые ТПР 320-069.86              
                Панели стеновые балочные для прямоугольных сооружений Серия 3.900-3              
                Панели стеновые двухслойные Серия 1.832.1-18.93              
                Панели стеновые керамзитобетонные толщиной 40 см Серия ИИ 04-5              
                Панели стеновые балочные для прямоугольных сооружений Серия 3.900.1-10              
                Панели стеновые для цилиндрических сооружений Серия 3.900-3              
                Панели стеновые керамзитобетонные толщиной 24 и 32 см Серия ИИ 04-5              
                Панели стеновые легкобетонные Серия 1.832.1-10              
                Панели стеновые консольные для прямоугольных сооружений угловые Серия 3.900-3              
                Панели стеновые легкобетонные толщиной 20,25,30 и 35 см Серия ИИ 04-5              
                Панели стеновые внутренние Серия 1.090.1-9м              
                Панели стеновые консольные для прямоугольных сооружений рядовые Серия 3.900-3              
                Панели стеновые нулевого цикла (цокольные) Серия 1.090.1-3пв              
                Панели стеновые наружные Серия 1.117.1-20              
                Панели стеновые лестничные Альбом РМ 2283              
                Панели стеновые наружные Альбом ИЖ 1.1-1              
                Панели стеновые парапетные ТП 213-2-183              
                Панели стеновые парапетные Серия ИИС 29-5              
                Панели стеновые однослойные наружные Серия 1.090.1-9м              
                Панели стеновые нулевого цикла (цокольные) Серия 1.090.1-1/88              
                Панели стеновые однослойные Серия 1.432-3              
                Панели стеновые плоские Серия 3.900.1-10              
                Панели стеновые толщиной 250 мм Серия 1.030.1-1              
                Панели стеновые трехслойные Серия 1.020-1              
                Панели стеновые толщиной 200 мм Серия 1.030.1-1              
                Панели стеновые трехслойные Серия 1.432-12              
                Панели стеновые толщиной 400 мм Серия 1.030.1-1              
                Панели стеновые толщиной 350 мм Серия 1.030.1-1              
                Панели стеновые толщиной 300 мм Серия 1.030.1-1              
                Панели стеновые толщиной 400 мм Серия 1.030.1-1/88              
                Панели стеновые цокольные Серия 1.030.1-1/88              
                Панели стеновые цокольные Серия 1.117-12 с              
                Панели стеновые цокольные Серия 1.832.1-10              
                Панели стеновые трехслойные СТ 02-33              
                Панели стеновые трехслойные Шифр 1481              
                Панели стеновые цокольные Серия 1.432.1-21              
                Панели стеновые цокольные Серия 1.030.1-1              
                Рамы Альбом РС 1-3122              
                Панели стеновые трехслойные Серия 1.432.1-26              
                Панели стеновые трехслойные Шифр м25.13/89              
                Подпорные стены Серия 3.002.1-2              
                Панели стеновые толщиной 350 мм Серия 1.030.1-1/88              
                Стенки ТП 310-4-1              
                Панели электротехнические Серия 1.131-10              
                Панели стеновые промышленные Серия 458с              
                Панели цокольные (экраны) Серия 1.117.1-18              
                Цокольные панели Ц Серия 3.017-1              
                Электропанели Серия 1.335 ОМ              
                Панели цокольные Серия ИИ 04-5              
                Перегородки Серия 86 и 85              
                Стенки входа внутренние Альбом 3РС 19-103              
                Панели цокольные Серия БТ 01-01              
                Панели эркера Альбом 3РС 43-15              
                Стеновые двухслойные панели Серия 1.832.1-9              
                Панели цокольные Серия Б 3.017.1-4.03              
                Панели стеновые трехслойные Серия 1.432.1-21              
                Цокольные панели ПЦ серия 3.017-3 ( 3.017-1 )              
                Перегородки жесткости Серия 1.335 ОМ              
                Стенки лестничных клеток Серия 1.100.1-7              
                Панели фундаментные Серия 1.335 ОМ              
                Перегородки Серия 7018м              
                Рамы внутренних стен Серия 1.220.1-2              
                Панели стеновые толщиной 300 мм Серия 1.030.1-1/88              
                Перегородки жесткости фундаментные Серия 1.335 ОМ              
                Стенки мусоросборных камер Серия 1.100.1-7              
                Панели стеновые цокольные серия 1.020-1/87 ( 1.020.1-7, 1.020-1/83, ИИ 04-1, 1.020.1-3пв )              
                Электропанели (инд.)              
                Панели стеновые трехслойные Серия 1.232.1-7              
                Панели стеновый Серия 1.131.1-27              
                Панели стеновые цокольные Серия 1.817.1-2              
                Стеновые панели лестничных клеток Серия 1.335 ОМ              
                Перегородки гипсобетонные Серия 1-335 ТулМ              
                Панели стеновые толщиной 250 мм Серия 1.030.1-1/88              
                Стены внутренние Серия 1.335 ОМ              
                Панели электротехнические Серия 1.131.1-26              
                Стенки машинного помещения Серия 1.100.1-7              
                Экраны цокольные Серия 1.220.1-3м              
                Панели стеновые толщиной 200 мм Серия 1.030.1-1/88              
                Стенки-растекатели ТПР 902-09-22.84              
                Цокольные панели (инд.)              
                Элементы стен Серия ИС 01-09              
                Стенки входа лестничные Альбом 3РС 19-103              
                Панели стеновые цокольные Шифр м25.13/98              
                Стенки разделительные Серия 1.100.1-7              
                Электропанели Серия 1.100.1-7              
Панели стеновые толщиной 300 мм Серия 1.030.1-1/88

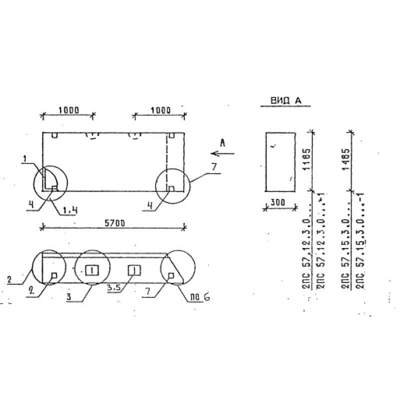
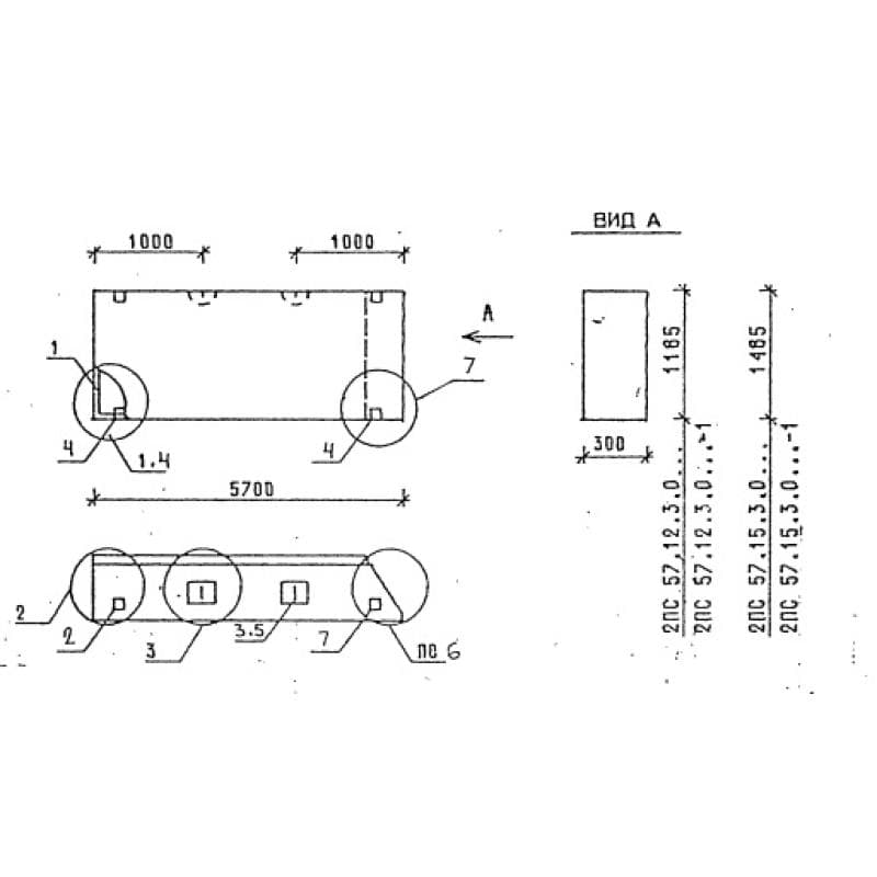
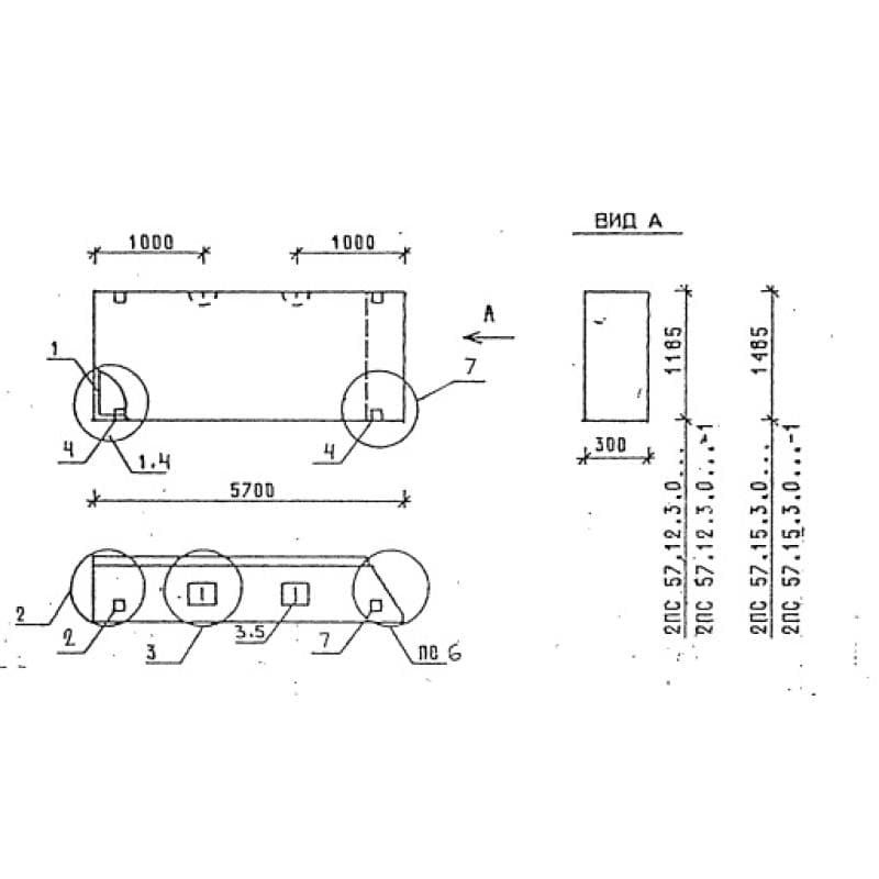
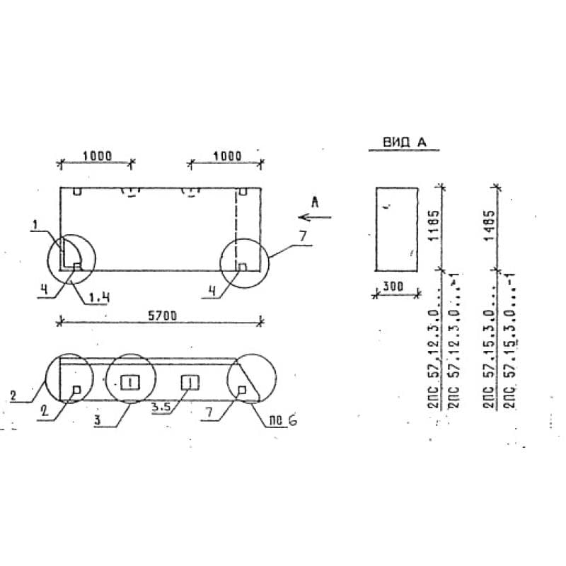
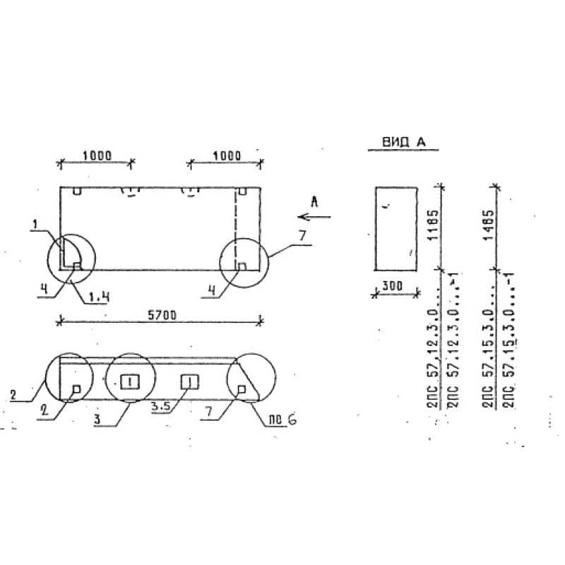
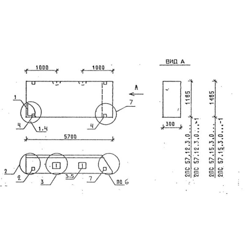
300x1485x57002ПС 57-15-3,0 л-1
Цена по запросу

300x1485x57002ПС 57-15-3,0 л-1
Цена по запросу

300x1485x57002ПС 57-15-3,0 л-1
Цена по запросу

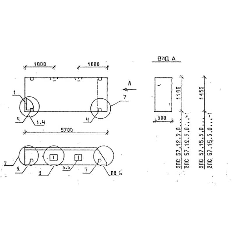
300x1485x57002ПС 57-15-3,0 я
Цена по запросу

300x1485x57002ПС 57-15-3,0 я
Цена по запросу

300x1485x57002ПС 57-15-3,0 я
Цена по запросу

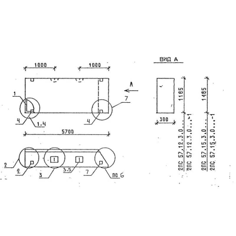
300x1485x57002ПС 57-15-3,0 я-1
Цена по запросу

300x1485x57002ПС 57-15-3,0 я-1
Цена по запросу

300x1485x57002ПС 57-15-3,0 я-1
Цена по запросу

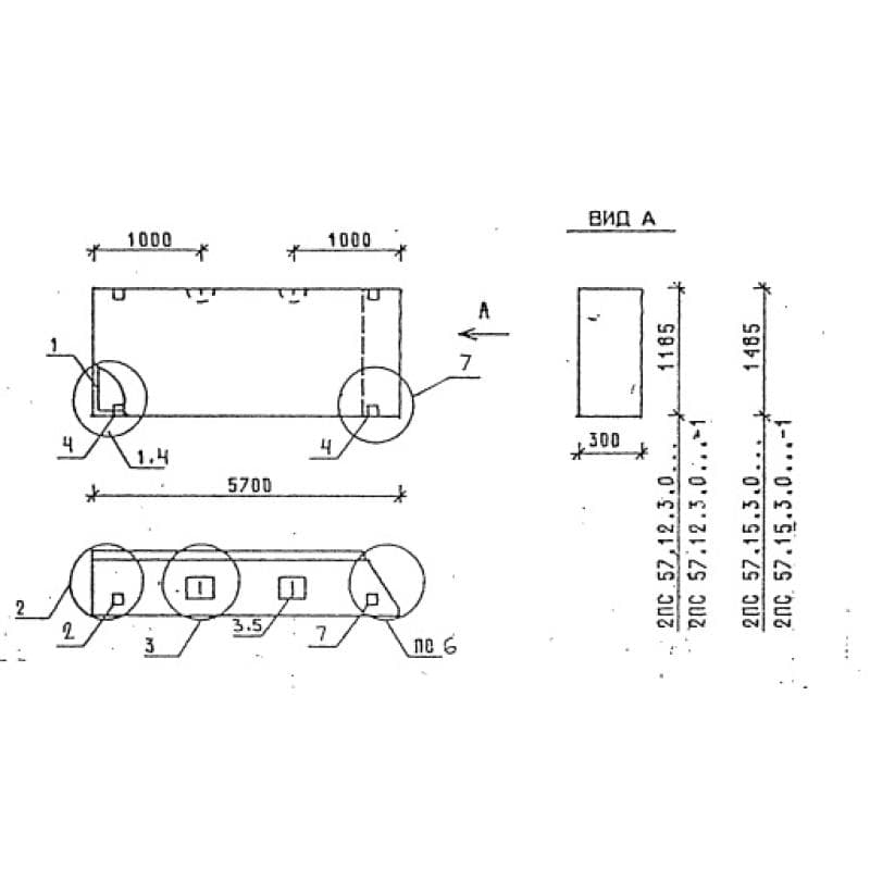
300x1485x57002ПС 57-15-3,0-2 лс
Цена по запросу

300x1485x57002ПС 57-15-3,0-2 лс
Цена по запросу

300x1485x57002ПС 57-15-3,0-2 лс
Цена по запросу
12 из 612 (51 страниц)