Гипсобетонные и шлакобетонные перегородки Серия ИИ 03-04
Двухмодульные панели перекрытия Серия КУБ 2,5
Изделия для стеновых панелей верхние и нижние Серия 1.131-17
Панели внутренних стен Серия 1.090.1-7с
Панели Серия ИИС 61
Панели Серия СТ 02-10/61
Панели наружных стен Серия 1.100.1-7
Панели наружные трехслойные Серия 1.132.1-21.98
Панели внутренних стен нулевого цикла Серия 1.090.1-2с
Панели внутренних стен цоколя Альбом РС 1-1725
Панели внутренних стен Серия 1.090.1-2с
Одномодульные панели перекрытия Серия КУБ 2,5
Панели внутренних стен Серия 97
Панели внутренних стен нулевого цикла (цокольные) Серия 1.090.1-3пв
Панели наружных стен Серия 1.090.1-7с
Панели внутренних продольных стен Серия 1.131-1
Панели ТП 901-6-61
Панели Серия 3.903 КЛ-13
Панели наружные стеновые Серия 1.117.1-19
Панели внутренних стен нулевого цикла (цокольные) Серия 1.090.1-1/88
Панели ТП 901-6-43
Панели Альбом СК
Панели наружных стен Серия 1.220.1-2
Панели наружных стен Серия 1.132-1
Панели наружных стен Серия 1.117.1-21
Панели лестничного ограждения ГОСТ 24155-2016
Панели Серия 1.433-2
Панели Серия 1.117.1-15пв
Панели внутренних стен Серия 1.090.1-3пв
Панели внутренних продольных стен Серия 1.131-1/82
Панели внутренних стен Альбом 3РС 31-11
Панели внутренних стен Серия 1.090.1-1/88
Панели внутренних стен Серия 1.020.1-4
Панели наружных стен Серия 1.132.1-14
Панели внутренних стен Серия 1.131-17
Панели внутренних стен нулевого цикла Серия 1.090.1-6сп
Панели внутренних цокольных стен Серия 1.220.1-2
Панели наружных стен Серия 1.132-2
Панели внутренних стен цоколя Альбом 7РС 17 108
Гипсобетонные перегородки Серия ИИ 03-05
Панели лестничного ограждения ТПР 501-07-3.83
Панели наружных стен Серия 1.132.1-16
Панели наружных стен Альбом 5РС 41-75
Панели внутренних поперечных стен Серия 1.131-2/82
Панели внутренних стен Альбом 2РС 3153-01
Панели балочные Серия 3.900-2
Панели Серия СТ 02-11/61
Опорные подушки Серия 1.069.1-1
Панели наружных стен Серия 1.090.1-2с
Панели наружных стен навесные Серия 1.020-1
Панели наружных стен Серия 1.232 КЛ-2
Панели внутренних стен Серия 1.220.1-2
Доборные изделия Серия 1.169.1-1
Панели внутренних стен Серия 1.100.1-7
Кассеты керамзитобетонные ТП 901-1-60.86
Панели наружных стен навесные Альбом РМ 2283
Панели наружных стен подвала Альбом 5РС 17-29
Панели наружных стен нулевого цикла Серия 1.090.1-7с
Панели наружных стен трехслойные легкобетонные Серия 1.232.1-10
Панели входов Альбом 5РС 41-59
Панели наружных стен трехслойные Альбом РМ 2919-03
Панели наружных стен трехслойные Серия 97.87 ИЖ 1.1-1
Панели внутренних стен нулевого цикла Серия 1.090.1-7с
Панели наружных стен трехслойные Альбом 7РС 41 133
Панели наружных стен Серия 1.132.1-12с
Панели наружных стен однослойные Серия 1.090.1-3пв
Карнизные панели Серия 3.407.1-157 ( серия 3.407-102, 3.407-40/70 )
Панели внутренние стеновые Альбом РМ 2283
Панели наружных цокольных стен Серия 1.100.1-7
Панели входа Альбом 3РС 19-08
Панели наружных стен нулевого цикла Серия 1.020-1
Панели вентиляционных шахт Серия 1-335 ТулМ
Панели наружных стен Серия 1.132.1-15
Панели Серия 1.169.1-1
Панели наружных цокольных стен Серия 1.117-13
Панели наружных стен фризовые трехслойные Альбом 3РС 41-28
Панели дымовентиляционные Серия 1.335 ОМ
Панели наружных цокольных стен Серия 1.117.1-14
Панели наружных стен нулевого цикла Серия 1.090.1-2с
Панели наружных цокольных стен Серия 1.220.1-2
Наружные стеновые панели Серия КУБ 2,5
Панели наружных стен самонесущие Серия 1.020-1
Панели внутренних стен цоколя Альбом РС 1-1728
Панели ТП 310-4-1
Панели Серия 3.019.1-2
Панели наружных стен трехслойные Альбом РМ 2919-02
Панели наружных стен Серия 1.132-3/82
Панели наружных стен фризовые Альбом 5РС 41-61
Панели внутренних стен техподполья Альбом 5РС 17-30
Панели консольные Серия 3.900-3
Панели наружных стен трехслойные цокольные Альбом РМ 2919-01
Панели наружных стен однослойные нулевого цикла Серия 1.090.1-6сп
Панели лестничного ограждения ГОСТ 24155-80
Панели наружных стен цокольные трехслойные Альбом 3РС 17-15
Панели наружных стен трехслойные Альбом 5РС 41-57
Панели наружных цокольных стен Серия 1.117-9
Панели наружных стен трехслойные фризовые Альбом 3РС 41-24
Панели наружных стен однослойные Серия 1.090.1-1/88
Панели наружных стен трехслойные Альбом РМ 2919-04
Панели внутренних стен Альбом РС 1-3120
Панели наружных стен цокольные трехслойные Альбом 3РС 17-16
Панели опорные Серия ИИС 04-7
Панели однослойные нулевого цикла Серия 1.232.1-8
Панели ограждающих стенок Шифр 1481
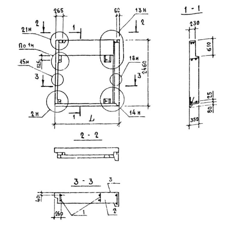
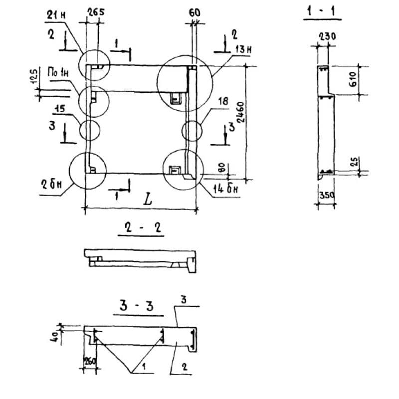
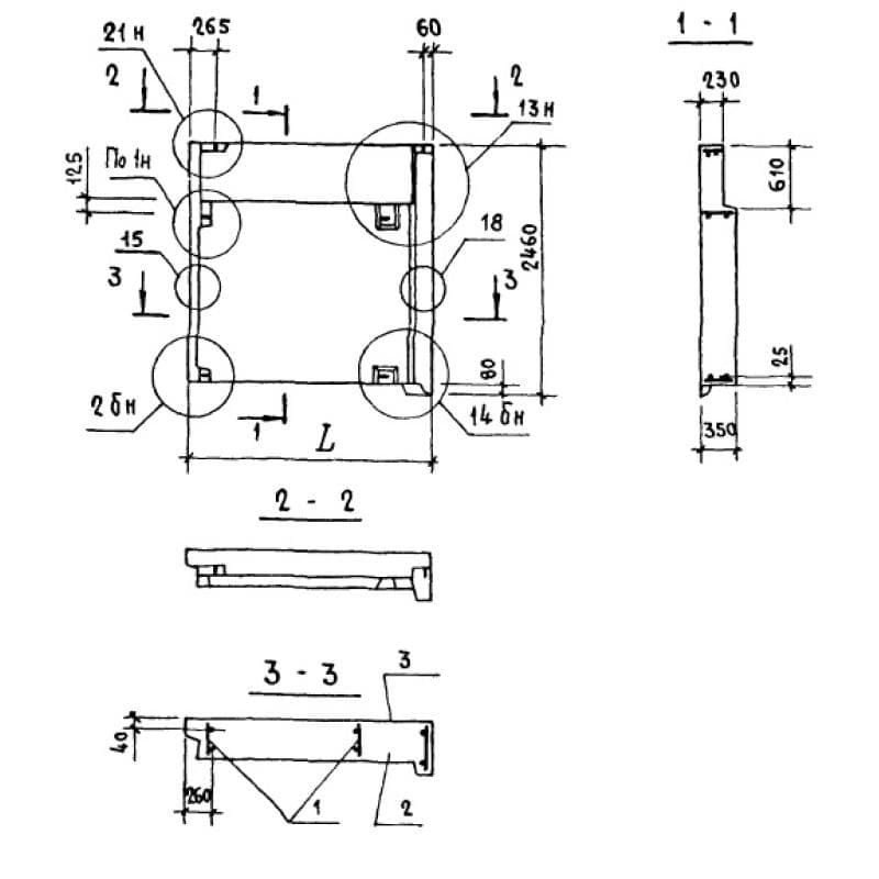
Панели парапета Серия 1.138.1-17
Панели парапетные Серия 1.100.1-7
Панели ограждения платформ ГОСТ 24155-2016
Панели перекрытий сплошные Серия 1.243.1 КЛ-3
Панели перегородочные с опорной пяткой для аэротенков Серия 3.900.1-10
Панели перегородочные с опорной пяткой для аэротенков Серия 3.900-3
Панели перекрытия Серия 86 и 85
Панели перегородочные Серия 3.900-3
Панели парапетные Серия ИИ 04-5
Панели стеновые Серия 1.189.1-10
Панели перегородочные Серия 3.902.1-12
Панели стеновые Серия 1.432-4
Панели основания ТУ 102-416-86
Панели однослойные самонесущие Серия 1.232.1-8
Панели парапета Серия 1.090.1-9м
Панели стеновые Серия 1.432-9
Панели стеновые Серия 1.432-5
Панели опорные Серия 1.100.1-7
Панели силосные Серия 3.702-1/79
Панели перильного ограждения ТПР 501-07-3.83
Панели силосные Серия 3.702.1-4
Панели стеновые Серия 1-335 ТулМ
Панели стеновые Серия 1.431-14
Панели перильного ограждения ГОСТ 24155-80
Панели стеновые Серия 1.432-14/80
Панели стеновые Серия 1.432-15
Панели стеновые Серия 1.431-2
Панели стеновые Серия 1.832-5
Панели стеновые Серия 3.702-1/79
Панели стеновые Серия 1.431-3
Панели стеновые Серия 1.131.1-25
Панели стеновые Серия 1.432.1-18
Панели подвала Серия ИИ 04-5
Панели стеновые Серия 1.432.1-33.93
Панели стеновые Серия 3.900.1-10
Панели стеновые Серия 1.432-10
Панели стеновые Серия 3.900.1-11
Панели покрытия ТУ 102-416-86
Панели стеновые Серия 1.432-14
Панели павильона сборные Серия 3.503.1-70
Панели стеновые Серия 1.400.1-22
Панели стеновые Серия 3.901.1-14
Панели стеновые Серия 1.432.1-25
Панели перегородок железобетонные для зданий промышленных и сельскохозяйственных предприятий Серия 1.030.9-2
Панели стеновые Серия 3.902.1-12
Панели перегородочные ТП 901-4-63.83
Панели стеновые ПСП Серия 3.900-3
Панели стеновые Серия 7075м
Панели стеновые Серия 7018м
Панели стеновые Серия 1.832-2
Панели перегородок Серия 1.831.9-3
Панели стеновые Серия 1.432.1-23с
Панели парапета трехслойные Серия 1.138.1-18
Панели перегородок Серия 1.432.1-33.93
Панели стеновые Серия 1.432.1-20
Панели стеновые Серия 1.432-9/81
Панели стеновые Серия 1.174.1-1
Панели стеновые Серия 1.490.1-1
Панели стеновые Серия 1.432.1-22
Панели стеновые Серия 1.131.1-23
Панели стеновые Серия 1.432.1-34.94
Панели стеновые Серия СТ 02-18
Панели стеновые Серия ВТИ КЖ 01-82
Панели стеновые Серия СТ 02-33
Панели стеновые Серия У 01-01
Панели стеновые Серия ИС 01-19
Панели стеновые Серия СТ 02-31
Панели стеновые Серия У 01-02/89
Панели стеновые Серия ВТИ-КЖ 01-83
Панели стеновые ТП 901-4-79с84
Панели стеновые ТП 501-3-9
Панели стеновые ТП 902-2-356
Панели стеновые ТП 905-7
Панели стеновые Серия У 01-01/80
Панели стеновые ТУ 102-416-86
Панели стеновые Шифр 111-83
Панели стеновые ТПР 320-069.86
Панели стеновые балочные для прямоугольных сооружений Серия 3.900-3
Панели стеновые двухслойные Серия 1.832.1-18.93
Панели стеновые керамзитобетонные толщиной 40 см Серия ИИ 04-5
Панели стеновые балочные для прямоугольных сооружений Серия 3.900.1-10
Панели стеновые для цилиндрических сооружений Серия 3.900-3
Панели стеновые керамзитобетонные толщиной 24 и 32 см Серия ИИ 04-5
Панели стеновые легкобетонные Серия 1.832.1-10
Панели стеновые консольные для прямоугольных сооружений угловые Серия 3.900-3
Панели стеновые легкобетонные толщиной 20,25,30 и 35 см Серия ИИ 04-5
Панели стеновые внутренние Серия 1.090.1-9м
Панели стеновые консольные для прямоугольных сооружений рядовые Серия 3.900-3
Панели стеновые нулевого цикла (цокольные) Серия 1.090.1-3пв
Панели стеновые наружные Серия 1.117.1-20
Панели стеновые лестничные Альбом РМ 2283
Панели стеновые наружные Альбом ИЖ 1.1-1
Панели стеновые парапетные ТП 213-2-183
Панели стеновые парапетные Серия ИИС 29-5
Панели стеновые однослойные наружные Серия 1.090.1-9м
Панели стеновые нулевого цикла (цокольные) Серия 1.090.1-1/88
Панели стеновые однослойные Серия 1.432-3
Панели стеновые плоские Серия 3.900.1-10
Панели стеновые толщиной 250 мм Серия 1.030.1-1
Панели стеновые трехслойные Серия 1.020-1
Панели стеновые толщиной 200 мм Серия 1.030.1-1
Панели стеновые трехслойные Серия 1.432-12
Панели стеновые толщиной 400 мм Серия 1.030.1-1
Панели стеновые толщиной 350 мм Серия 1.030.1-1
Панели стеновые толщиной 300 мм Серия 1.030.1-1
Панели стеновые толщиной 400 мм Серия 1.030.1-1/88
Панели стеновые цокольные Серия 1.030.1-1/88
Панели стеновые цокольные Серия 1.117-12 с
Панели стеновые цокольные Серия 1.832.1-10
Панели стеновые трехслойные СТ 02-33
Панели стеновые трехслойные Шифр 1481
Панели стеновые цокольные Серия 1.432.1-21
Панели стеновые цокольные Серия 1.030.1-1
Рамы Альбом РС 1-3122
Панели стеновые трехслойные Серия 1.432.1-26
Панели стеновые трехслойные Шифр м25.13/89
Подпорные стены Серия 3.002.1-2
Панели стеновые толщиной 350 мм Серия 1.030.1-1/88
Стенки ТП 310-4-1
Панели электротехнические Серия 1.131-10
Панели стеновые промышленные Серия 458с
Панели цокольные (экраны) Серия 1.117.1-18
Цокольные панели Ц Серия 3.017-1
Электропанели Серия 1.335 ОМ
Панели цокольные Серия ИИ 04-5
Перегородки Серия 86 и 85
Стенки входа внутренние Альбом 3РС 19-103
Панели цокольные Серия БТ 01-01
Панели эркера Альбом 3РС 43-15
Стеновые двухслойные панели Серия 1.832.1-9
Панели цокольные Серия Б 3.017.1-4.03
Панели стеновые трехслойные Серия 1.432.1-21
Цокольные панели ПЦ серия 3.017-3 ( 3.017-1 )
Перегородки жесткости Серия 1.335 ОМ
Стенки лестничных клеток Серия 1.100.1-7
Панели фундаментные Серия 1.335 ОМ
Перегородки Серия 7018м
Рамы внутренних стен Серия 1.220.1-2
Панели стеновые толщиной 300 мм Серия 1.030.1-1/88
Перегородки жесткости фундаментные Серия 1.335 ОМ
Стенки мусоросборных камер Серия 1.100.1-7
Панели стеновые цокольные серия 1.020-1/87 ( 1.020.1-7, 1.020-1/83, ИИ 04-1, 1.020.1-3пв )
Электропанели (инд.)
Панели стеновые трехслойные Серия 1.232.1-7
Панели стеновый Серия 1.131.1-27
Панели стеновые цокольные Серия 1.817.1-2
Стеновые панели лестничных клеток Серия 1.335 ОМ
Перегородки гипсобетонные Серия 1-335 ТулМ
Панели стеновые толщиной 250 мм Серия 1.030.1-1/88
Стены внутренние Серия 1.335 ОМ
Панели электротехнические Серия 1.131.1-26
Стенки машинного помещения Серия 1.100.1-7
Экраны цокольные Серия 1.220.1-3м
Панели стеновые толщиной 200 мм Серия 1.030.1-1/88
Стенки-растекатели ТПР 902-09-22.84
Цокольные панели (инд.)
Элементы стен Серия ИС 01-09
Стенки входа лестничные Альбом 3РС 19-103
Панели стеновые цокольные Шифр м25.13/98
Стенки разделительные Серия 1.100.1-7
Электропанели Серия 1.100.1-7
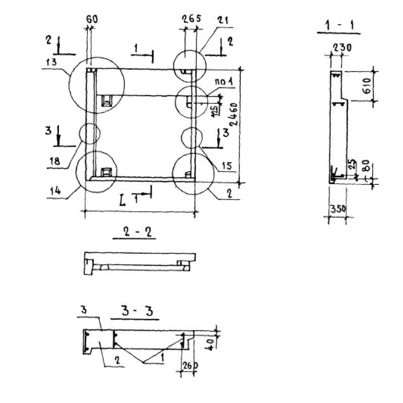
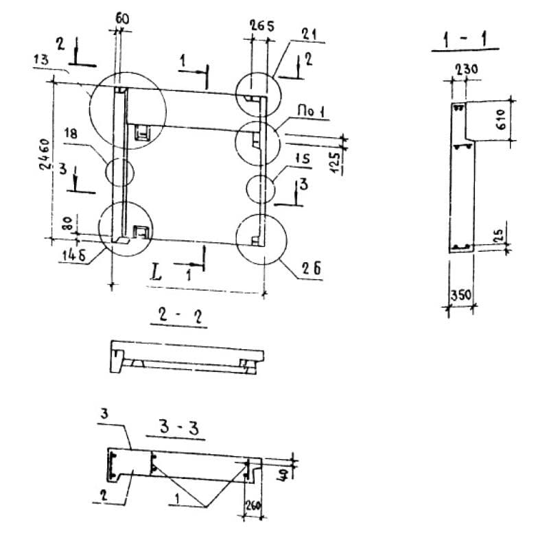
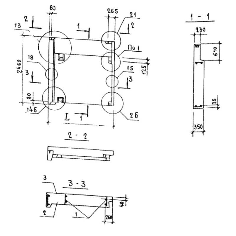
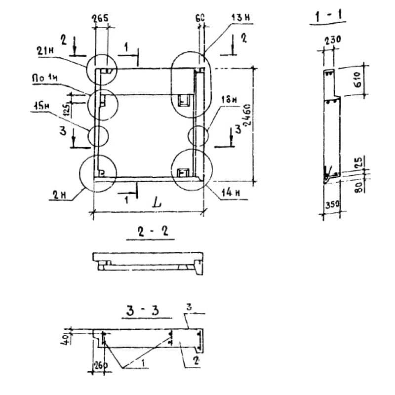
Панели парапета Серия 1.138.1-17

350x2460x17851НЧ 18-25-35-50 л-5,7 (1.138.1-17)
Цена по запросу

350x2460x17851НЧ 18-25-35-50 л-5,7 (1.138.1-17)
Цена по запросу

350x2460x17851НЧ 18-25-35-50 л-5,7 (1.138.1-17)
Цена по запросу

350x2460x17851НЧ 18-25-35-50 л-5,7,2 (1.138.1-17)
Цена по запросу

350x2460x17851НЧ 18-25-35-50 л-5,7,2 (1.138.1-17)
Цена по запросу

350x2460x17851НЧ 18-25-35-50 л-5,7,2 (1.138.1-17)
Цена по запросу

350x2460x17851НЧ 18-25-35-50 л-7,5 (1.138.1-17)
Цена по запросу

350x2460x17851НЧ 18-25-35-50 л-7,5 (1.138.1-17)
Цена по запросу

350x2460x17851НЧ 18-25-35-50 л-7,5 (1.138.1-17)
Цена по запросу

350x2460x17851НЧ 18-25-35-50 л-7,5,2 (1.138.1-17)
Цена по запросу

350x2460x17851НЧ 18-25-35-50 л-7,5,2 (1.138.1-17)
Цена по запросу

350x2460x17851НЧ 18-25-35-50 л-7,5,2 (1.138.1-17)
Цена по запросу
12 из 714 (60 страниц)