Плиты многопустотные Серия 1.041.1-5
Плиты многопустотные Серия 1.041-1
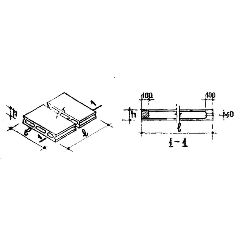
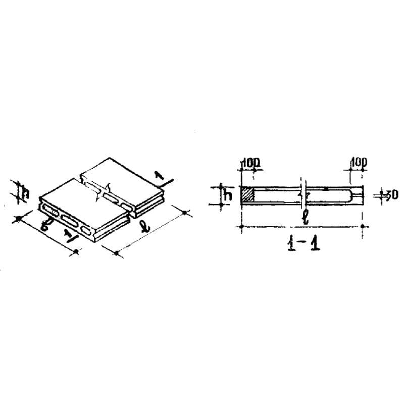
Панели с овальными пустотами Серия ИИ 01-02
Плиты многопустотные Серия 1.141.1-23с
Плиты многопустотные Серия 1.090.1-9м
Панели перекрытия многопустотные Серия 1.020-1
Панели с круглыми пустотами Серия ИИ 01-02
Плиты многопустотные Серия ИЖ 568-04/д
Плиты многопустотные Серия Б1.041.1-5.10
Панели перекрытий многопустотные Серия 1.202.1-2
Панели многопустотные Серия 1.440-1
Панели многопустотные Серия 1.141-1
Плиты многопустотные ТУ 5842-001-01217316-05
Панели многопустотные Серия 1.141-10
Плиты перекрытия многопустотные ПБ шириной 0,4 метра Серия ИЖ 568
Панели с круглыми пустотами Серия ИИ 03-02 Альбом 5 ч1
Плиты многопустотные Шифр 0-312
Панели перекрытия Проект 1-467 А
Плиты многопустотные Шифр СК 1223
Плиты перекрытия многопустотные ПБ Шифр 0-460-08
Плиты многопустотные Серия ИЖ 812
Панели с вертикальными пустотами Серия ИИ 03-02
Плиты перекрытия многопустотные Нормали 02.019 КЖИ
Панели перекрытий легкобетонные многопустотные С ерия 1.141-18с
Плиты многопустотные облегченные Серия 1.141.1-39
Плиты (панели) перекрытия с овальными пустотами Серия ИИ 03-02 Альбом 102
Плиты многопустотные для районов с сейсмичностью Серия 1.141.1-40с
Плиты перекрытий с круглыми пустотами Серия 1.141-8
Панели перекрытий многопустотные Серия 1.241.1 КЛ-3
Плиты многопустотные Серия Б1.041.1-1.2000
Плиты перекрытия многопустотные ПБ шириной 0,6 метра
Плиты многопустотные Серия Б1.141.1-1.11
Плиты многопустотные Рабочие чертежи 164/07-ПР-КЖ
Панели перекрытий многопустотные Альбом РС 5155-95
Панели многопустотные Серия 1.141.1 КР-3
Плиты перекрытия многопустотные ПБ шириной 1,2 метра Серия ИЖ 568-03
Плиты перекрытий многопустотные Серия Б1.041.1-3.08
Плиты перекрытия многопустотные НВК высотой 265 мм Серия ИЖ 557
Плиты перекрытий многопустотные Серия 1.241-1
Панели перекрытия многопустотные Серия 1.141 КР-1
Плиты многопустотные Серия 1.141.1-31с
Плиты многопустотные Серия 1.241.1-8с
Плиты многопустотные с круглыми пустотами ГОСТ 26434-85
Плиты перекрытия многопустотные ПБ шириной 0,9 метра ИЖ 568
Плиты перекрытия многопустотные ПБ Шифр 0-453-04
Плиты многопустотные Серия 1.220.1-3м
Плиты многопустотные Серия 1.141.1-28с
Плиты перекрытий многопустотные Шифр 89-1227
Плиты многопустотные с круглыми пустотами ГОСТ 26434-2015
Плиты перекрытия многопустотные Серия 1.141.1-29с
Плиты перекрытия многопустотные ПБ шириной 1,2 метра Серия ИЖ 840
Плиты перекрытия многопустотные ПБ шириной 1,2 метра Серия ИЖ 745-01
Плиты перекрытия многопустотные ПК шириной 1,0 метр Серия 1.141.1-3
Плиты перекрытия многопустотные ПК шириной 1,2 метра Серия 1.041.1-3
Плиты перекрытия многопустотные ПК шириной 1,2 метра Серия ПП 70-91
Плиты перекрытия многопустотные ПК шириной 1,5 метра Серия 1.041.1-3
Плиты перекрытия многопустотные ПК шириной 1,8 метра
Плиты перекрытия многопустотные ПК шириной 1,5 метра Серия ПП 70-91
Плиты перекрытия многопустотные Серия 1.090.1-1
Плиты перекрытия многопустотные Серия 1.090.1-7с
Плиты перекрытия многопустотные Серия 1.090.1-2с
Плиты перекрытия многопустотные ПК шириной 3,0 метра Серия 1.041.1-3
Плиты перекрытия многопустотные Серия 1.090.1-1/88
Плиты пустотные железобетонные Серия 3.503-12
Плиты перекрытия многопустотные Серия 1.041.1-2
Плиты перекрытия многопустотные Серия 1.141.1-19с/85
Плиты перекрытия многопустотные Серия 1.141.1 КЛ-3
Плиты перекрытия многопустотные Серия Б1.020.1-7
Плиты перекрытия многопустотные ТП 213-2-183
Плиты перекрытия многопустотные высотой 260 мм Серия 1.090.1-1/88
Плиты перекрытия многопустотные Серия ИИ 04-4
Плиты перекрытия многопустотные Серия 1.141.1-32с
Плиты перекрытия многопустотные Серия 1.141.1-30
Плиты перекрытия многопустотные Серия 1.141.1-38
Панели с овальными пустотами Серия ИИ 01-02

1790x220x2980МГ 1 (ИИ 01-02)
Цена по запросу

1790x220x3180МГ 2 (ИИ 01-02)
Цена по запросу

1790x220x3580МГ 3 (ИИ 01-02)
Цена по запросу

1790x220x5860МГ 4 а (ИИ 01-02)
Цена по запросу

1790x220x6260МГ 5 а (ИИ 01-02)
Цена по запросу

1190x220x3980МГ 6 (ИИ 01-02)
Цена по запросу

1190x220x4780МГ 7 (ИИ 01-02)
Цена по запросу

1190x220x5860МГ 8 а (ИИ 01-02)
Цена по запросу

1190x220x6260МГ 9 а (ИИ 01-02)
Цена по запросу

1790x220x2980МД 1 (ИИ 01-02)
Цена по запросу

1590x220x5860МД 10 (ИИ 01-02)
Цена по запросу

1590x220x6260МД 11 (ИИ 01-02)
Цена по запросу
12 из 73 (7 страниц)