Панели перекрытий ребристые Серия ИИ 04-4
Панели покрытий ребристые Серия 1.165.1-13с
Панели ребристые Серия 1.090.1-1/88
Панели ребристые Серия 1.090.1-9м
Панели ребристые Серия 1.242-1
Панели ребристые Серия 1.165.1-15 (1.165-6)
Панели перекрытия ребристые Серия 1.220.1-2
Панели покрытий ребристые Серия 1.165.1-14с
Панели кровли ребристые Альбом ВИ 37-76
Панели перекрытий ребристые Альбом ВИ 37-76
Панели ребристые Серия 1.090.1-7с
Панели ребристые Серия Б1.142-1
Панели ребристые Серия ИИ 03-02 Альбом 15-64
Плиты перекрытий Серия 1.042.1-2
Панели ребристые Серия ИИ 01-02
Панели ребристые Серия ИИ 41
Плиты перекрытий Серия ИИ 29-3
Плиты перекрытий Серия 1.400.1-22
Плиты перекрытий ребристые Серия 1-82
Панели ребристые Серия СТ 02-33
Плиты перекрытий ребристые Серия 86 и 85
Плиты перекрытия Серия ИС 01-19
Плиты перекрытия ребристые Серия 1.020-1
Панели ребристые Серия 1.242.1-3
Плиты перекрытия ребристые Серия 1.090.1-2с
Панели ребристые Серия 1.432-10
Плиты покрытий ГОСТ 7741-55
Плиты покрытий Серия 1.165.1-16
Плиты покрытий Серия 1.165.1-17
Плиты покрытий Серия 1.165.1-18
Плиты покрытий Серия 1.220-1
Плиты покрытий Серия 1.465.1-14
Плиты покрытия Серия 3.702.1-4
Плиты покрытия комплексные Шифр 912
Плиты покрытия ТП 901-4-63.83
Плиты ребристые 3х6 м серия 1.065.1-2.94 ( 1.865.1-4/89, 1.865.1-4/84, 1.865-1 )
Плиты покрытий доборные Серия 1.865.1-4/89
Плиты ребристые 3х6 м Серия 1.465-7
Плиты ребристые 3х6 м Серия 1.865.1-4/84
Плиты ребристые ГОСТ 24155-2016
Плиты ребристые ГОСТ 22701-77
Плиты покрытия Серия 3.702-1/79
Плиты ребристые ГОСТ 21506-87
Плиты ребристые ГОСТ 21506-2013
Плиты ребристые ГОСТ 27215-2013
Плиты ребристые ГОСТ 24155-80
Плиты ребристые ГОСТ 9491-60
Плиты ребристые Серия 1.041-1
Плиты ребристые ГОСТ 27215-87
Плиты ребристые Серия 1.165-1 ( ИИ 03-02 ), 1.165-6
Плиты ребристые Серия 1.090.1-1
Плиты ребристые Серия 1.242-2
Плиты ребристые Серия 1.042.1-4
Плиты ребристые Серия 1.465.1-17
Плиты ребристые Серия 1.865-1
Плиты ребристые Серия 1.165.1-15
Плиты ребристые Серия 1.442.1-1/87
Плиты ребристые Серия 1.865.1-4/80
Плиты ребристые Серия 1.465-7
Плиты ребристые Серия 1.465.1-16
Плиты ребристые Серия 3.503.1-55
Плиты ребристые Серия 1.440-1
Плиты ребристые Серия 1.465.1-7/84
Плиты ребристые Серия 1.465-3
Плиты ребристые Серия 1.465.1-3/80
Плиты ребристые Серия ИИ 03-02
Плиты ребристые Серия 1.865.1-4/84
Плиты ребристые Серия 1.465.1-13
Плиты ребристые Серия ИИ 24-1
Плиты ребристые Серия 3.503-29
Плиты ребристые Серия 3.820-13
Плиты ребристые Серия 3.820-6
Плиты ребристые Серия 1.440-2
Плиты ребристые Серия 1.442.1-2
Плиты ребристые Серия 1.440-3м/92
Плиты ребристые Серия ИИ 24-1/70
Плиты ребристые Серия ИИ 24-10
Плиты ребристые Серия ИИ 24-11
Плиты ребристые Серия ИИ 24-2/70
Плиты ребристые Серия ИИ 24-4/70
Плиты ребристые Серия ИИ 24-5/70
Плиты ребристые Серия ИИ 24-6
Плиты ребристые Серия ИИ 24-8
Плиты ребристые Серия ИИ 24-9
Плиты ребристые Серия ИИ 64
Плиты ребристые Серия ИИС 24-1
Плиты ребристые Серия ИИС 24-1/73
Плиты ребристые Серия ИИС 24-2
Плиты ребристые Серия ИИС 24-2/73
Плиты ребристые Серия ПК 01-100/62
Плиты ребристые Серия ПК 01-74/62
Плиты ребристые Серия ПК 01-88
Плиты ребристые Серия ПК 01-99
Плиты ребристые Серия ПК 01-99/62
Плиты ребристые ТП 213-2-183
Плиты ребристые ТЧ 52-56
Плиты ребристые Шифр В.33.17/92
Плиты ребристые Шифр М33.02/06
Плиты ребристые Шифр М33.15/92
Плиты ребристые высотой 500 мм Серия 1.442.1-3
Плиты ребристые железобетонные ГОСТ 7740-55
Плиты ребристые железобетонные крупнопанельные Серия ПК 01-106
Плиты ребристые сантехнические Серия 1.041.1-2
Плиты ребристые сантехнические Серия 1.041.1-3
Плиты ребристые сантехнические Серия Б1.020.1-7
Плиты ребристые серия 1.042.1-5.94 ( 1.042.1-4 )
Плиты ребристые серия 1.065.1-2.94 ( 1.865.1-4/89, 1.865.1-4/84, 1.865-1 )
Плиты ребристые серия 1.442.1-1.87 ( ИИ24-10, 1.442.1-1, ИИ24-9, ИИ24-1/70, ИИ24-1 )
Плиты ребристые серия 1.442.1-5.94 ( 1.442.1-2, ИИ24-6, ИИ 24-2/70, ИИ 24-5/70 )
Плиты ребристые серия 1.465.1-15
Плиты ребристые серия 1.465.1-19 ( ПК 01-88 )
Плиты ребристые серия 3.503.1-75 ( 3.503-29 )
Плиты ребристые серия 1.465.1-20 ( 1.465.1-7/84 )
Плиты ребристые серия 1.465.1-21.94 ( 1.465.1-17 )
Ребра продольные Серия ПК 01-99
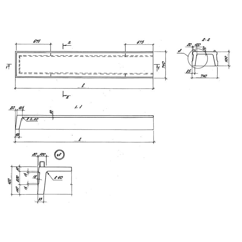
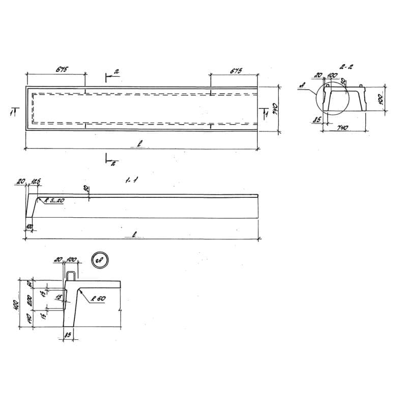
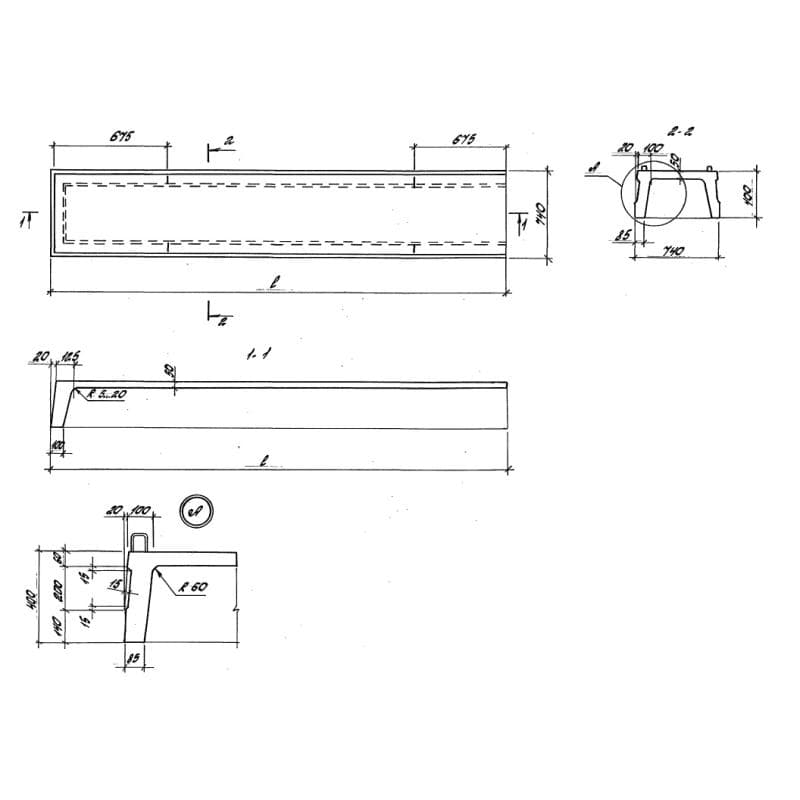
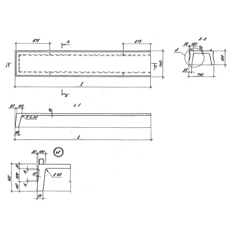
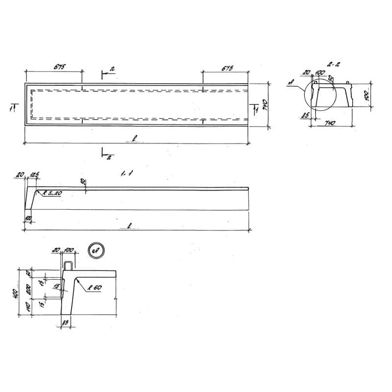
Плиты ребристые Серия 1.440-3м/92

740x400x42001П 13-1 (1.440-3м/92)
Цена по запросу

740x400x42001П 13-1 (1.440-3м/92)
Цена по запросу

740x400x42001П 13-1 (1.440-3м/92)
Цена по запросу

740x400x42001П 13-2 (1.440-3м/92)
Цена по запросу

740x400x42001П 13-2 (1.440-3м/92)
Цена по запросу

740x400x42001П 13-2 (1.440-3м/92)
Цена по запросу

740x400x42001П 13-3 (1.440-3м/92)
Цена по запросу

740x400x42001П 13-3 (1.440-3м/92)
Цена по запросу

740x400x42001П 13-3 (1.440-3м/92)
Цена по запросу

740x400x42001П 13-4 (1.440-3м/92)
Цена по запросу

740x400x42001П 13-4 (1.440-3м/92)
Цена по запросу

740x400x42001П 13-4 (1.440-3м/92)
Цена по запросу
12 из 81 (7 страниц)