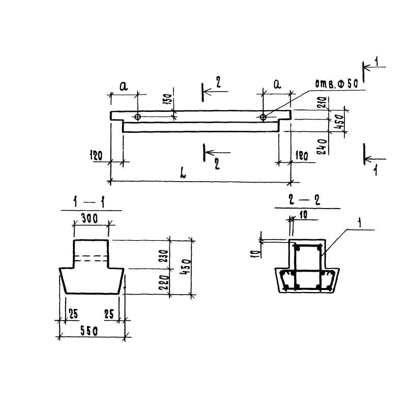
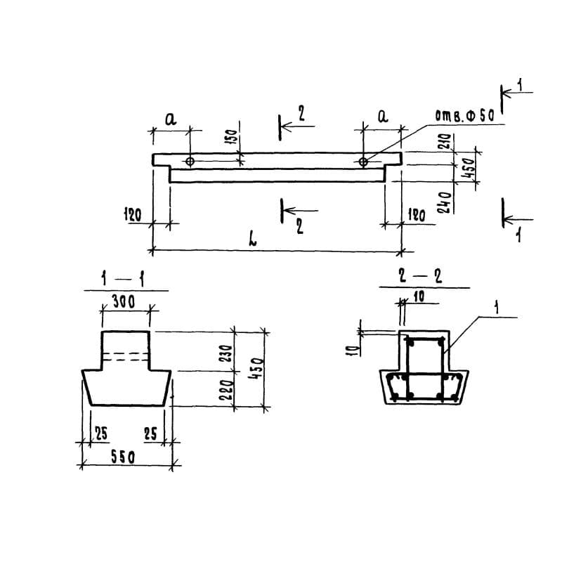
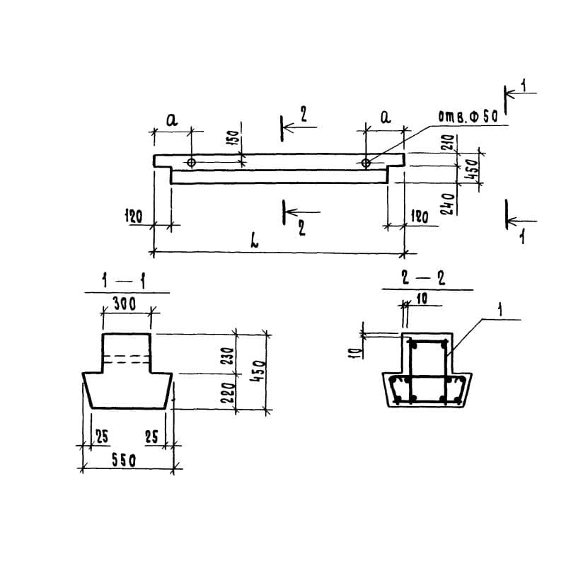
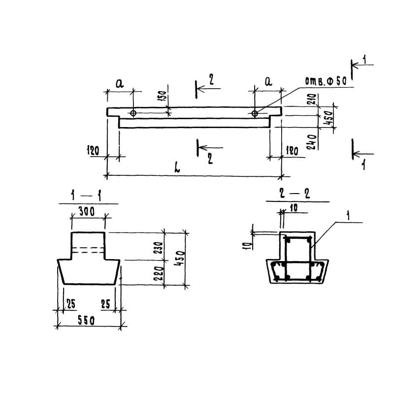
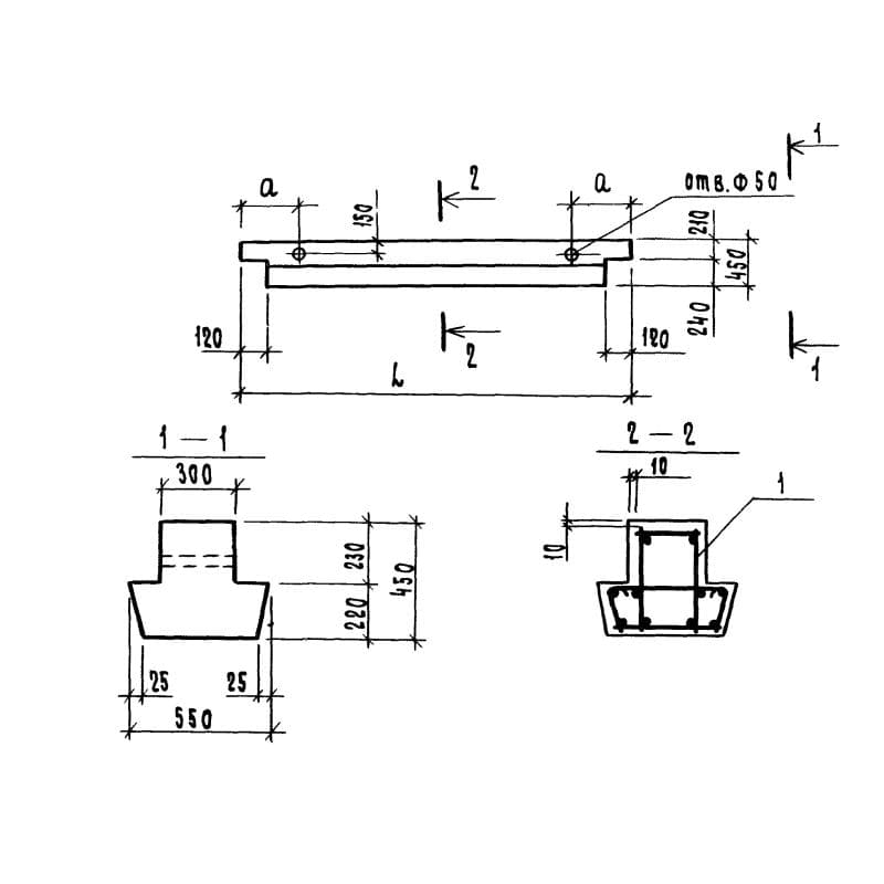
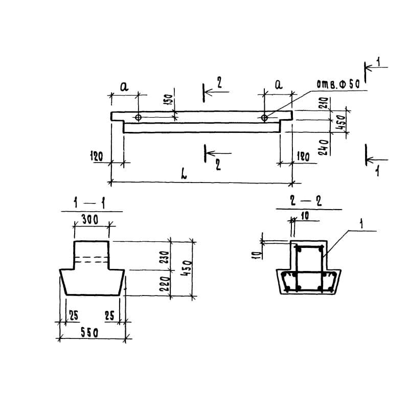
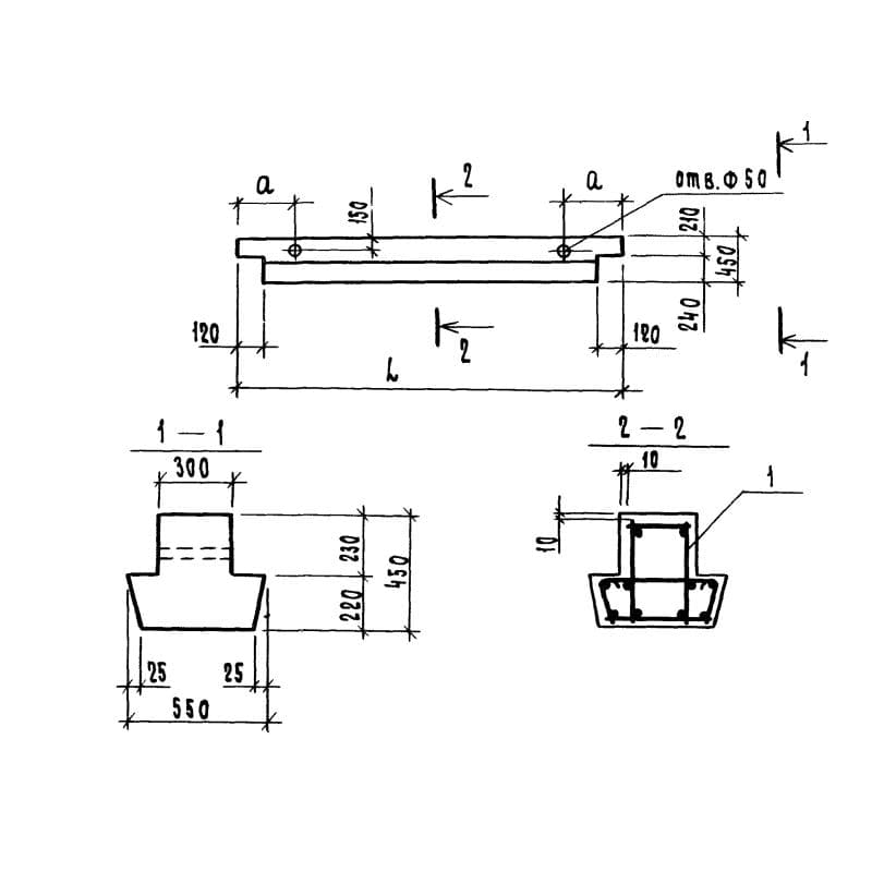
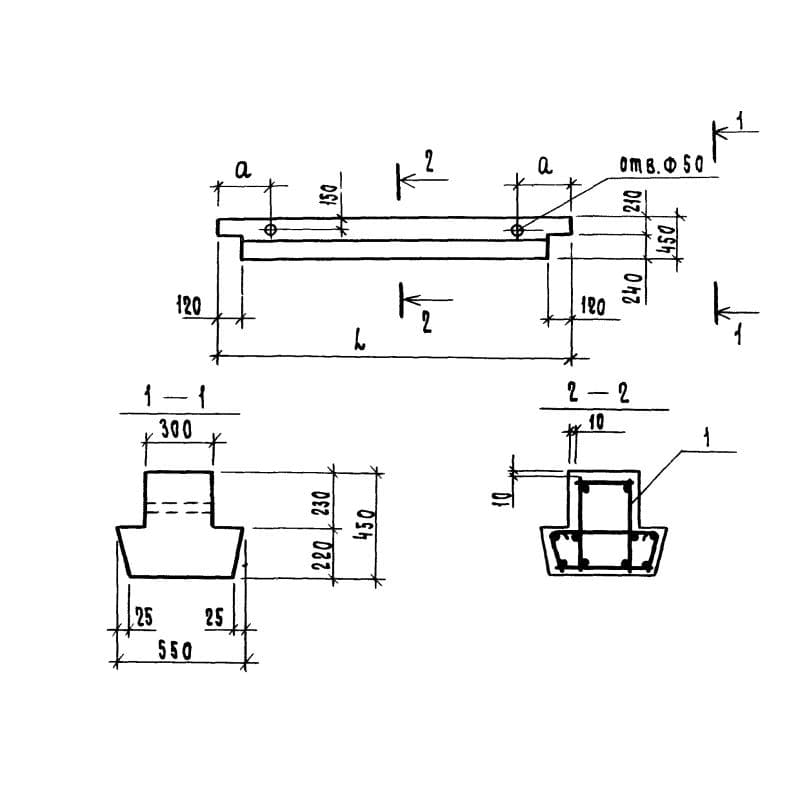
Каталог по сериям

Выбрана серия: Серия 1.111.1-5