Каталог по сериям
Выбрана серия: Серия 1.862-1
Серия 1.862-1

200x550x59802СБТ 60-3300 АIII
Цена по запросу

200x550x59802СБТ 60а-3300 АII
Цена по запросу

200x550x59802СБТ 60а-3300 АIII
Цена по запросу

140x400x5980СП 60-300 АII
Цена по запросу

140x400x5980СП 60-300 АIII
Цена по запросу

140x400x5980СП 60-700 АII
Цена по запросу

140x400x5980СП 60-700 АIII
Цена по запросу

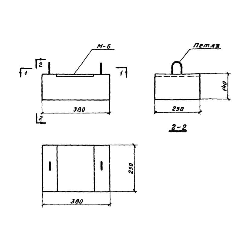
250x140x380СПО 2,5-4
Цена по запросу

250x140x510СПО 2,5-5
Цена по запросу

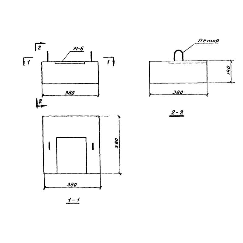
380x140x380СПО 4-4
Цена по запросу

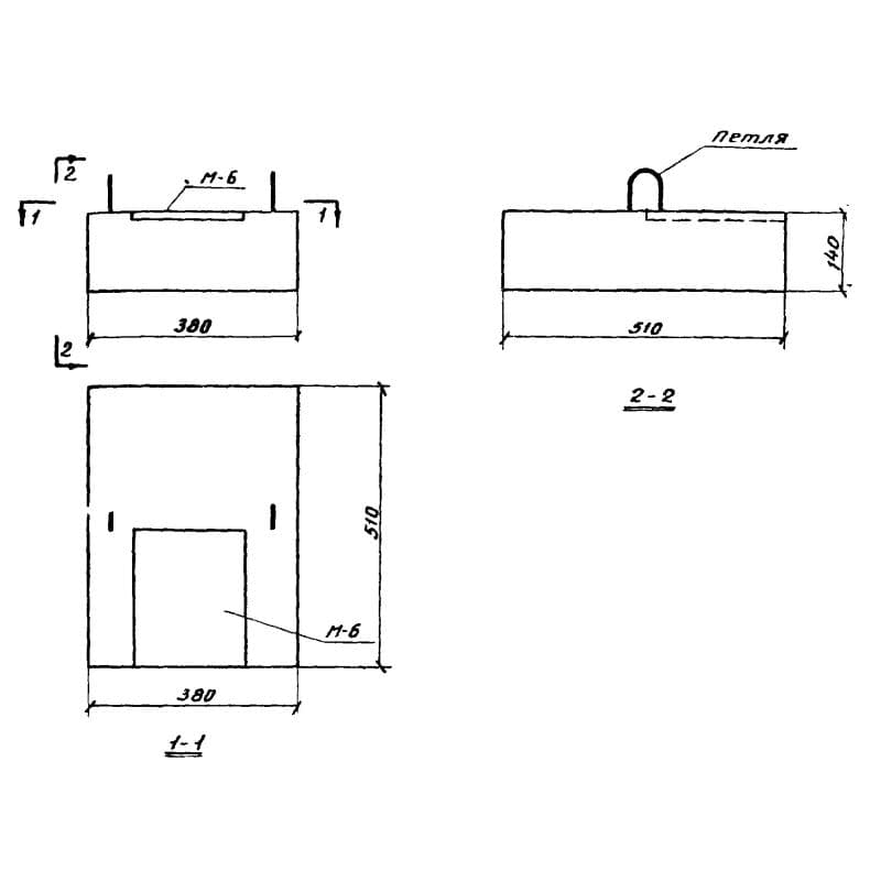
510x140x380СПО 4-5
Цена по запросу