Каталог по сериям
Выбрана серия: Серия 1.220-1
Серия 1.220-1

2990x500x11760ПКТ 12,5-120-30 пр (1.220-1)
Цена по запросу

2990x500x11760ПКТ 12,5-120-30 с (1.220-1)
Цена по запросу

2990x500x11760ПКТ 4,5-120-30 п (1.220-1)
Цена по запросу

2990x500x11760ПКТ 4,5-120-30 пр (1.220-1)
Цена по запросу

2990x500x11760ПКТ 4,5-120-30 с (1.220-1)
Цена по запросу

2990x500x11760ПКТ 8-120-30 п (1.220-1)
Цена по запросу

2990x500x11760ПКТ 8-120-30 пр (1.220-1)
Цена по запросу

2990x500x11760ПКТ 8-120-30 с (1.220-1)
Цена по запросу

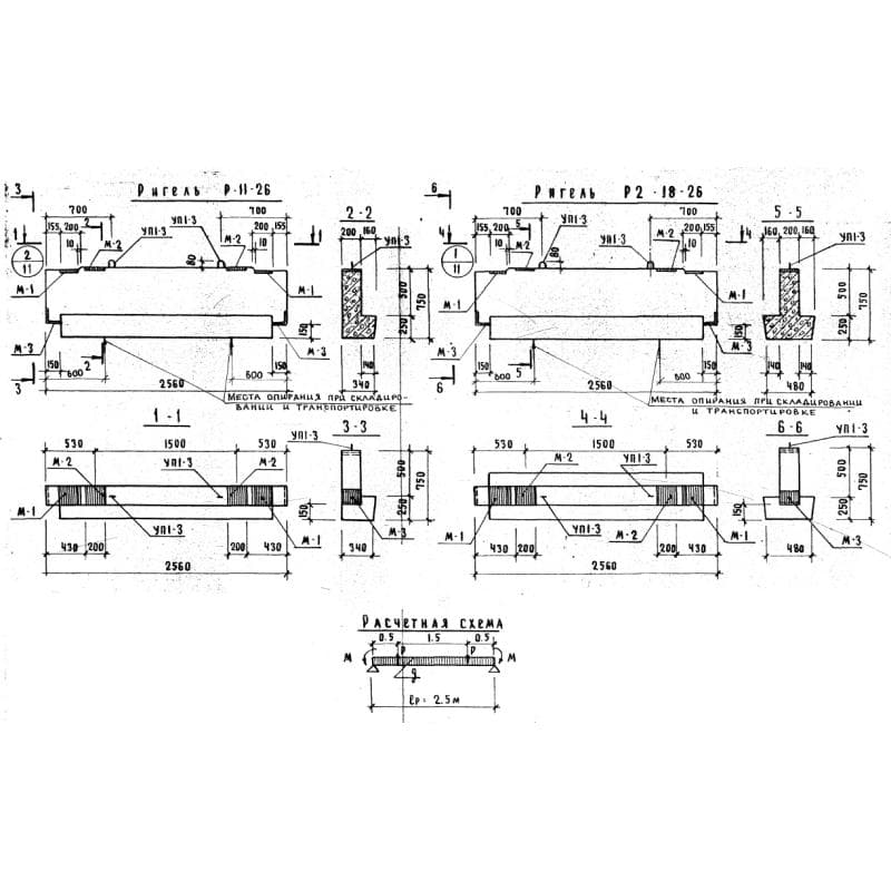
360x750x2560Р 11-26 (1.220-1)
Цена по запросу

360x750x5560Р 11-56 (1.220-1)
Цена по запросу

520x750x5560Р 2-11-56 (1.220-1)
Цена по запросу

520x750x5560Р 2-14,5-56 (1.220-1)
Цена по запросу