Каталог по сериям
Выбрана серия: Серия 3.503.1-53
Серия 3.503.1-53

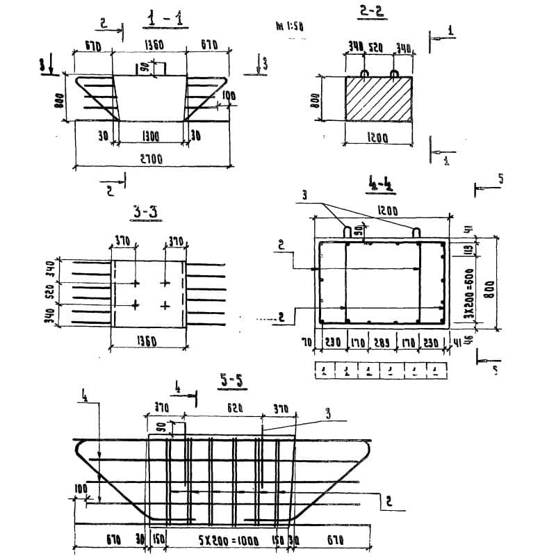
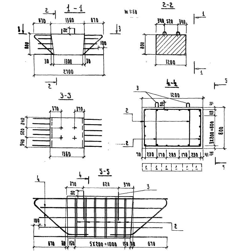
1200x800x136015Р 3 (3.503.1-53)
Цена по запросу

1200x800x440015Р 5 (3.503.1-53)
Цена по запросу

200x2350x3000170К
Цена по запросу

400x1660x1850170Ш 2
Цена по запросу

400x1660x3580170Ш 3
Цена по запросу

2100x1420x2480210ФК 1 (3.503.1-53)
Цена по запросу

2100x1580x2480210ФК 2 (3.503.1-53)
Цена по запросу

2100x1420x2560210ФП 2 (3.503.1-53)
Цена по запросу

2100x1580x2560210ФП 4 (3.503.1-53)
Цена по запросу

1200x800x136024Р 3 (3.503.1-53)
Цена по запросу

1200x800x440024Р 5 (3.503.1-53)
Цена по запросу

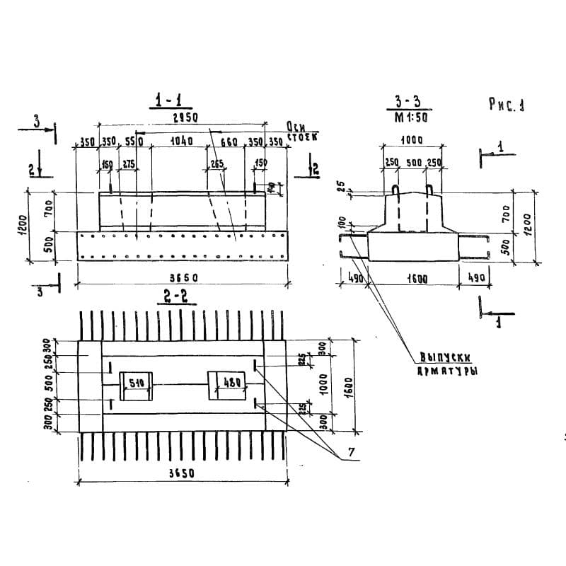
1600x1200x365024Ф 365-5 (3.503.1-53)
Цена по запросу