Каталог по сериям
Выбрана серия: Серия 1.238-1
Серия 1.238-1

470x90x470ПП 5-5 т-2
Цена по запросу

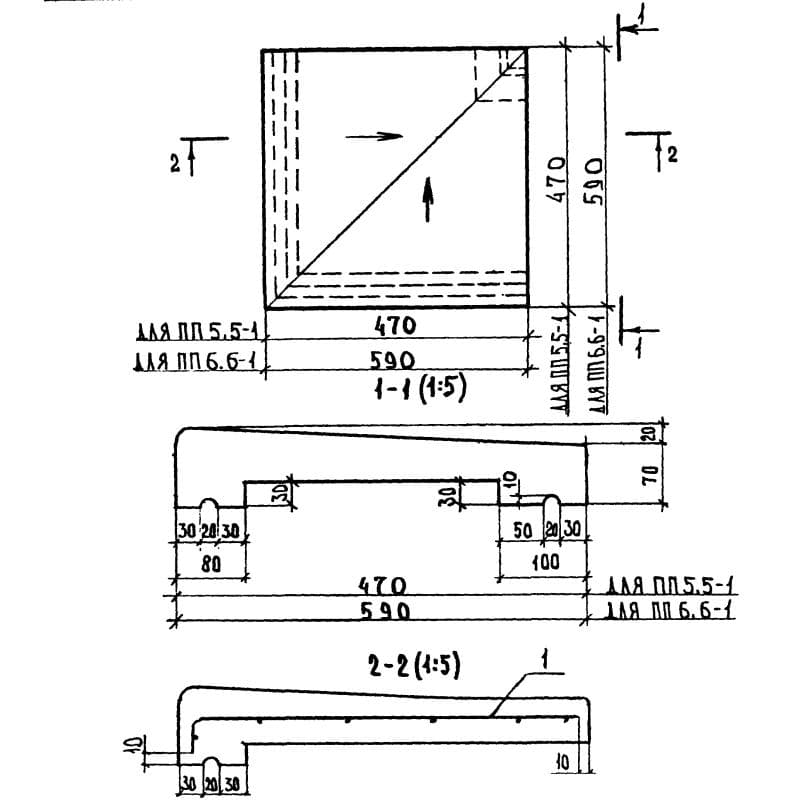
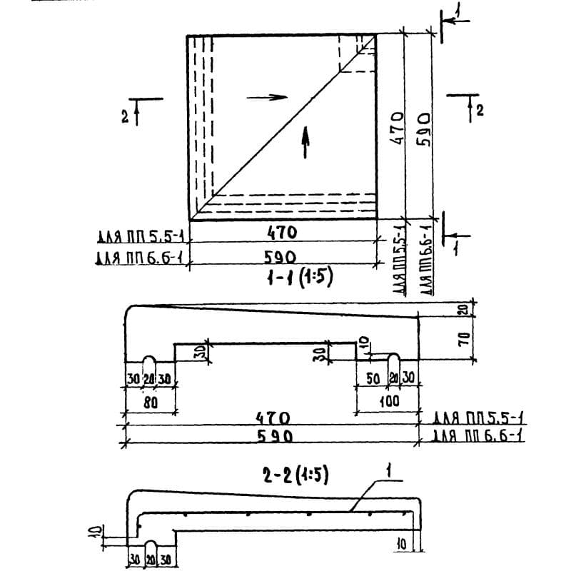
470x90x470ПП 5-5-1
Цена по запросу

470x90x470ПП 5-5-2
Цена по запросу

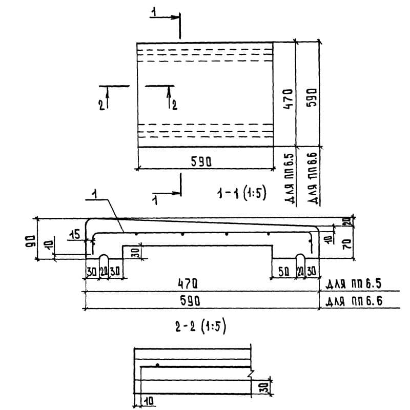
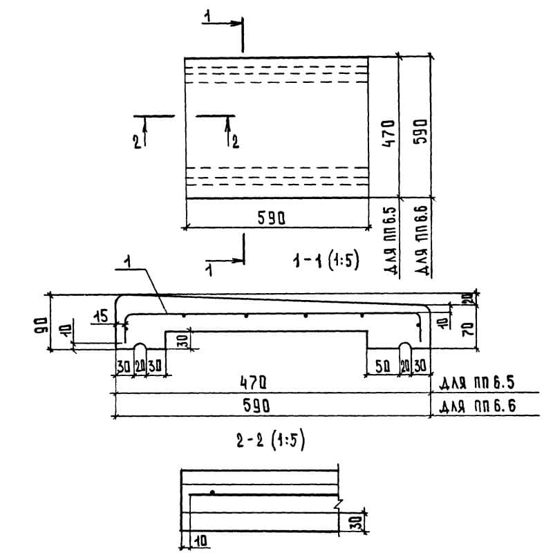
470x90x590ПП 6-5
Цена по запросу

590x70x590ПП 6-6
Цена по запросу

600x90x600ПП 6-6 т-1
Цена по запросу

600x90x600ПП 6-6 т-2
Цена по запросу

590x90x590ПП 6-6-1
Цена по запросу

590x90x590ПП 6-6-2
Цена по запросу

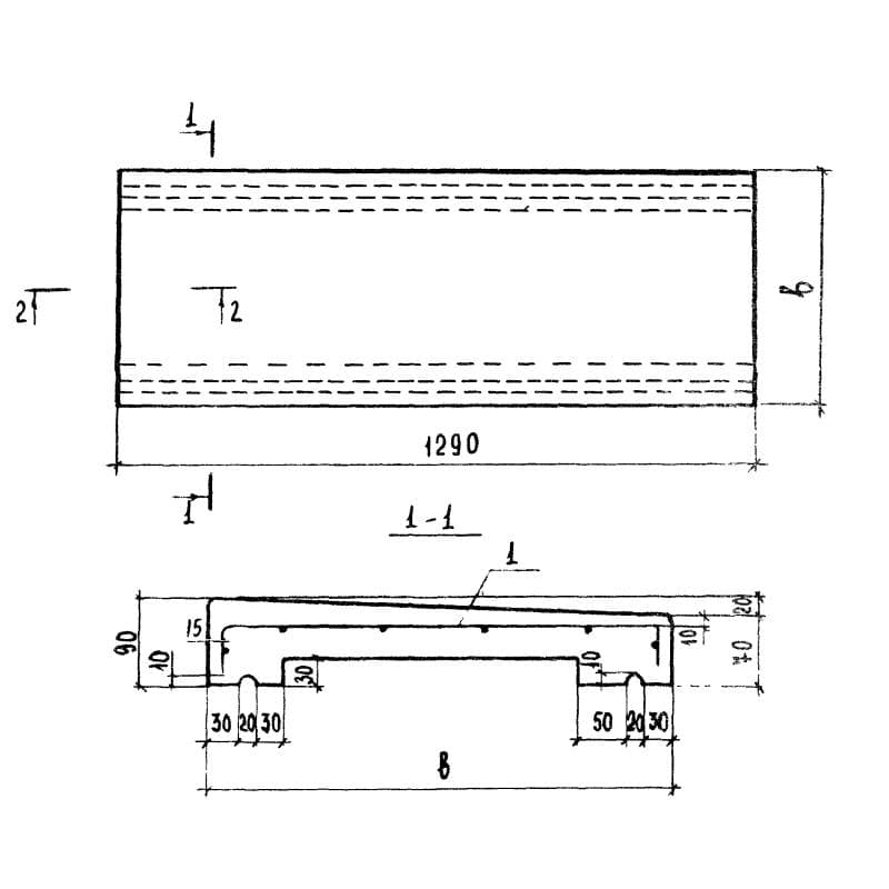
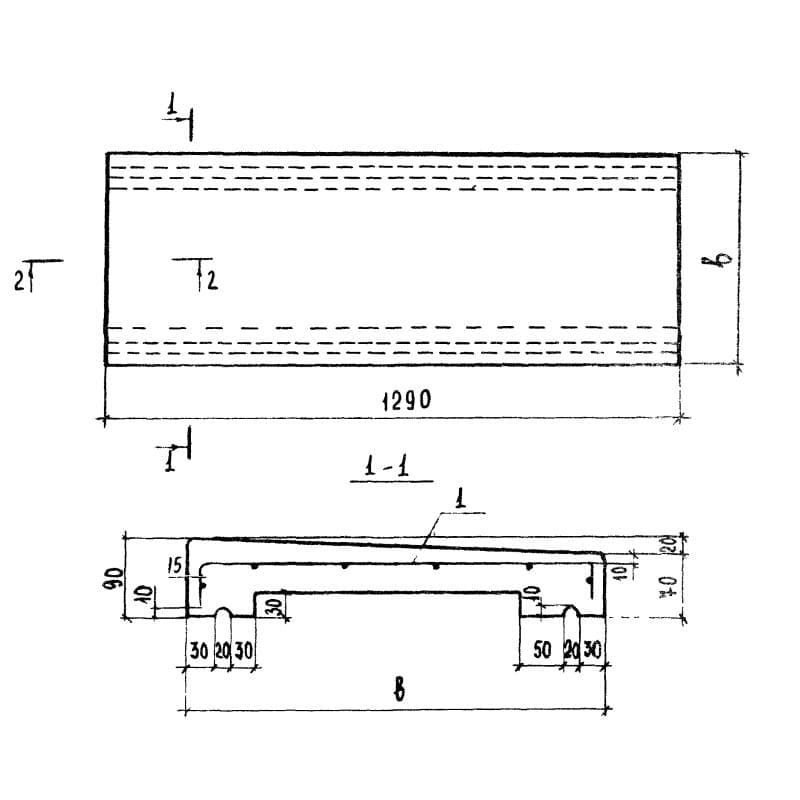
470x90x1290АП 13-5
Цена по запросу

600x90x1290АП 13-6
Цена по запросу

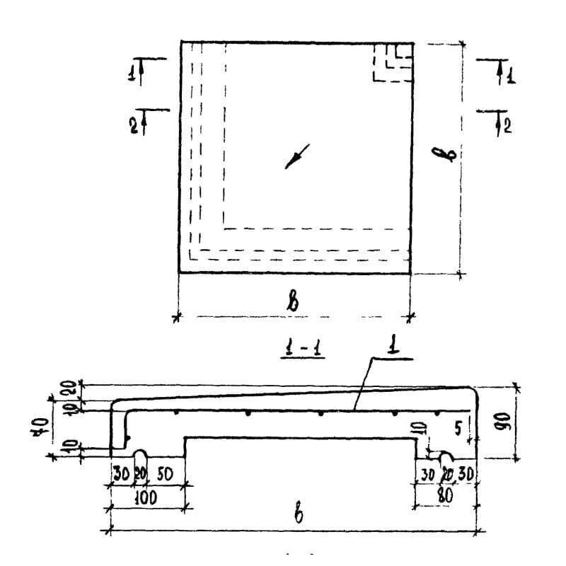
470x90x470АП 5-5-1
Цена по запросу