Каталог по сериям
Выбрана серия: Серия 1.132-1
Серия 1.132-1

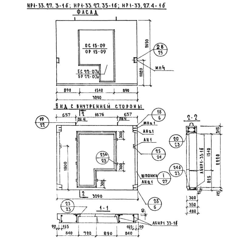
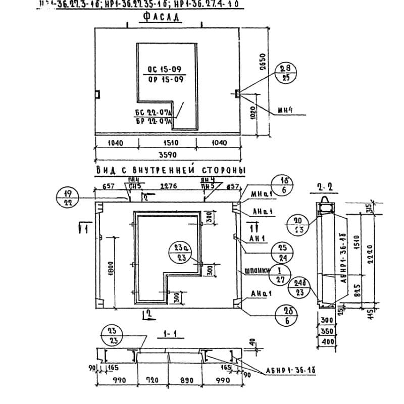
350x2650x3290НР 1-33-27-35-2 б
Цена по запросу

350x2650x3290НР 1-33-27-35-2 бл
Цена по запросу

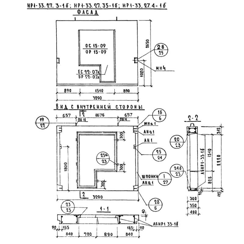
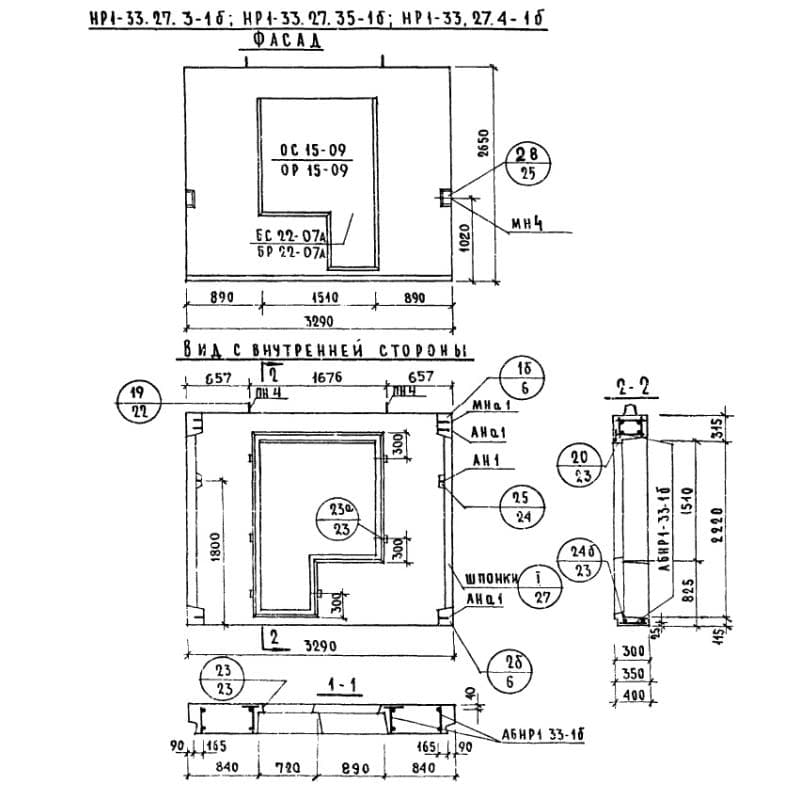
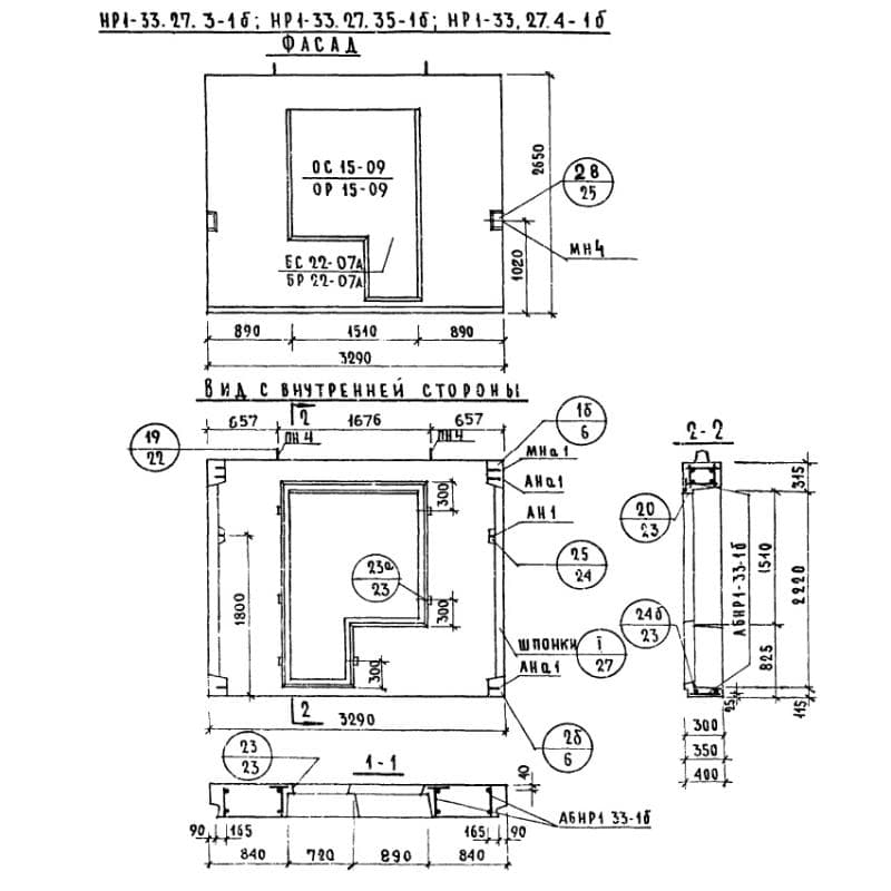
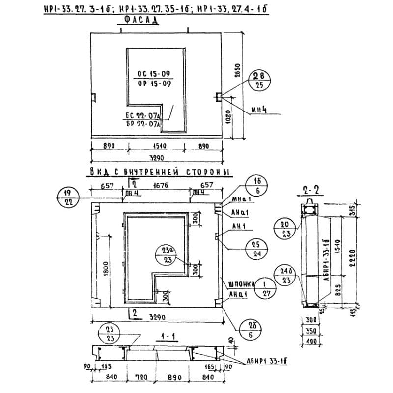
400x2650x3290НР 1-33-27-4-1 б
Цена по запросу

400x2650x3290НР 1-33-27-4-1 бл
Цена по запросу

400x2650x3290НР 1-33-27-4-2 б
Цена по запросу

400x2650x3290НР 1-33-27-4-2 бл
Цена по запросу

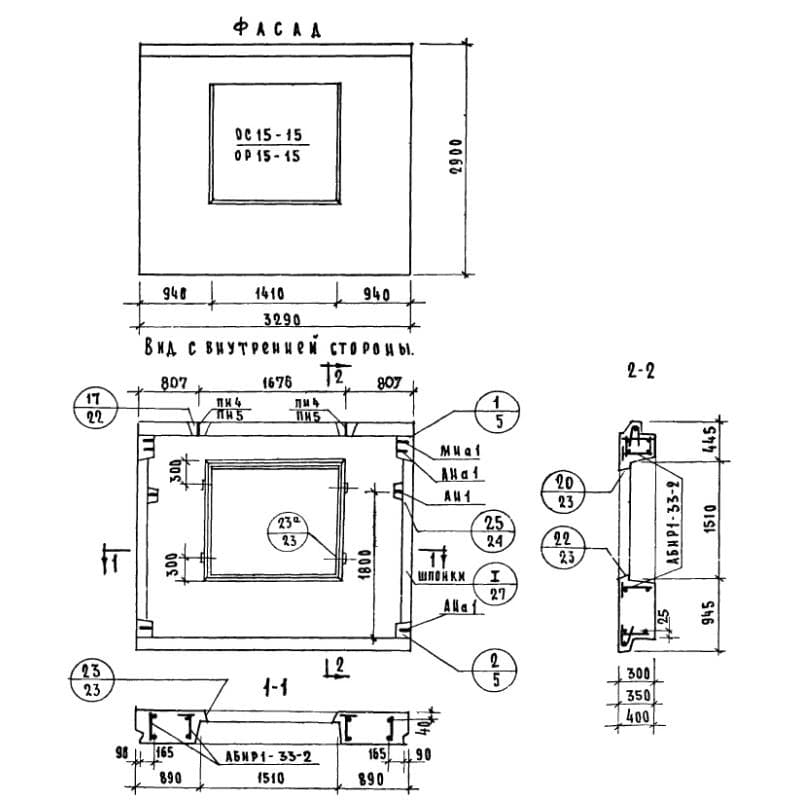
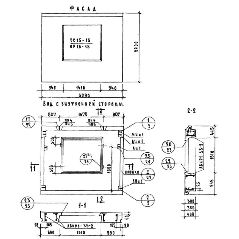
350x2900x3290НР 1-33-29-35-2
Цена по запросу

350x2900x3290НР 1-33-29-35-3
Цена по запросу

400x2900x3290НР 1-33-29-4-2
Цена по запросу

400x2900x3290НР 1-33-29-4-3
Цена по запросу

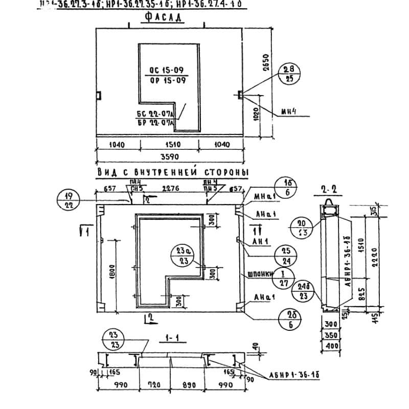
300x2650x3590НР 1-36-27-3-1 б
Цена по запросу

300x2650x3590НР 1-36-27-3-1 бл
Цена по запросу