Каталог по сериям
Выбрана серия: Серия 1.238-1
Серия 1.238-1

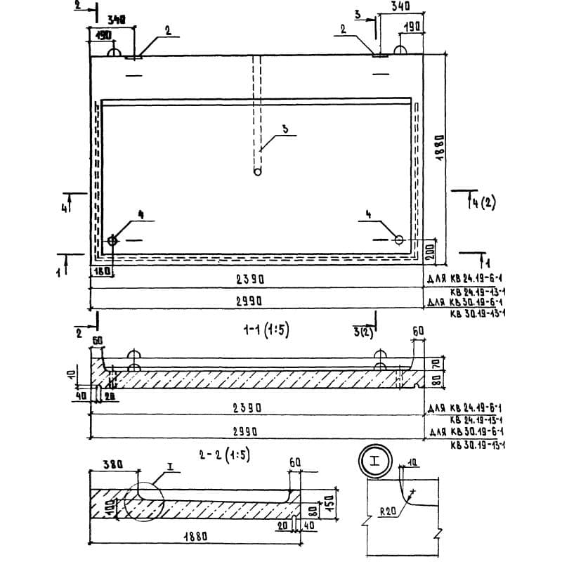
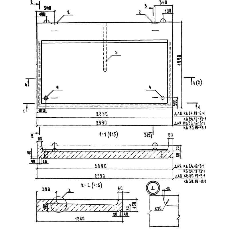
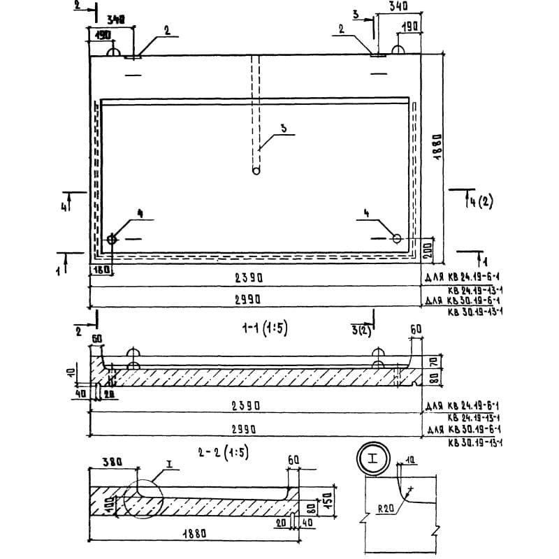
1880x150x2390КВ 24-19-6-1
Цена по запросу

1840x80x2790КВ 28
Цена по запросу

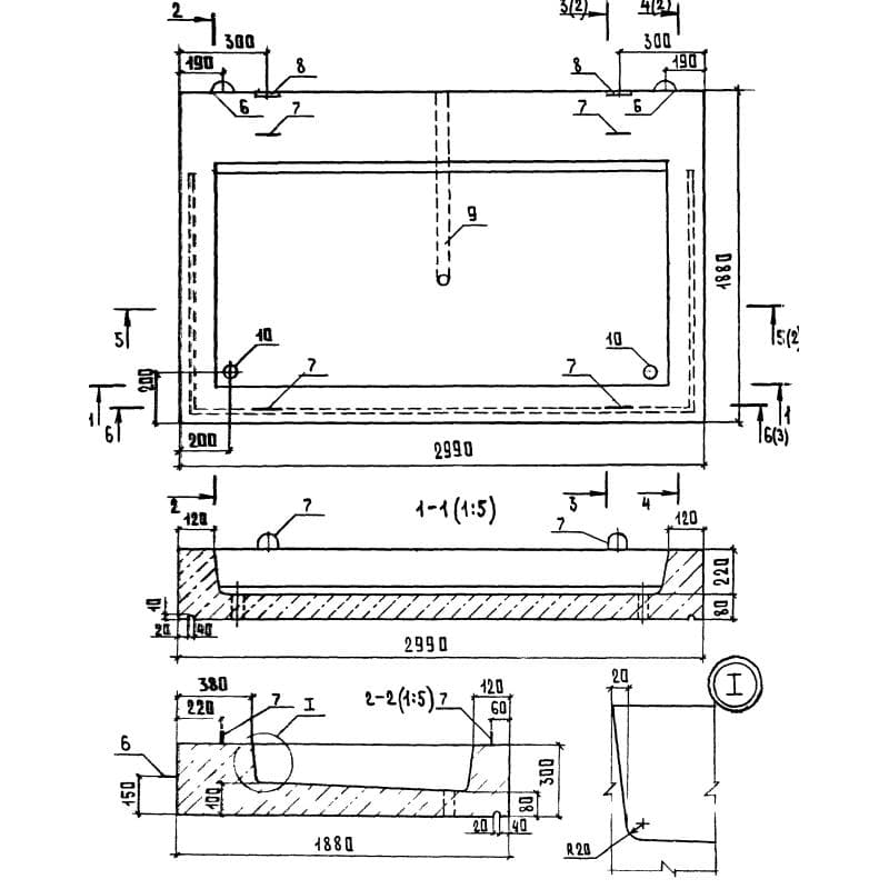
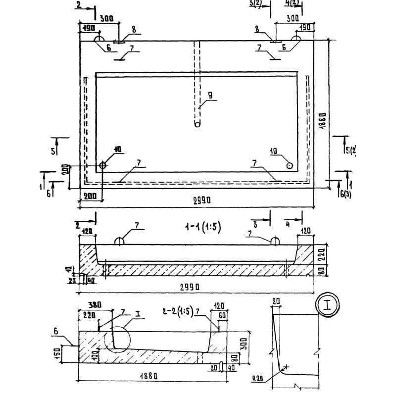
1880x80x2990КВ 30-19-13
Цена по запросу

1880x150x2990КВ 30-19-13-1
Цена по запросу

1880x300x2990КВ 30-19-13-2
Цена по запросу

1880x80x2990КВ 30-19-6
Цена по запросу

1880x150x2990КВ 30-19-6-1
Цена по запросу

1880x300x2990КВ 30-19-6-2
Цена по запросу

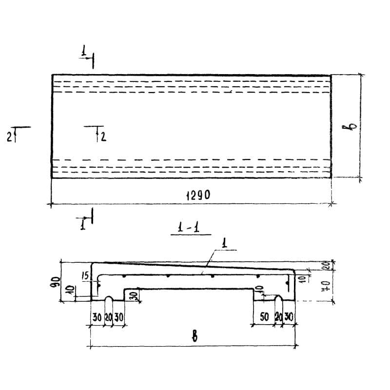
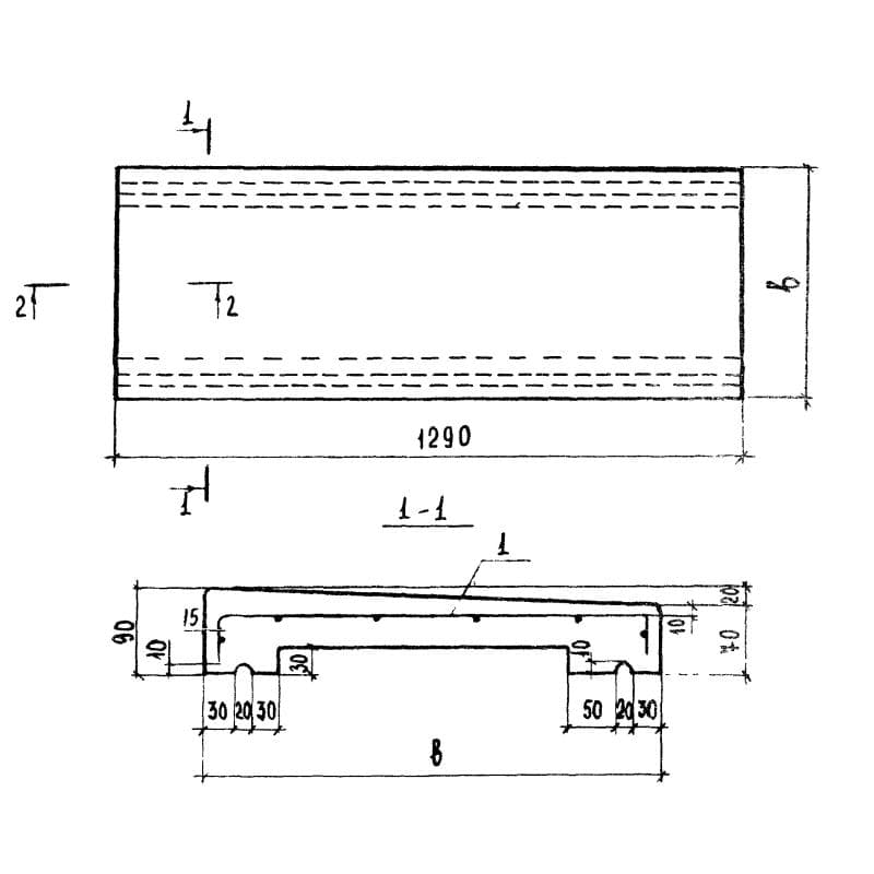
470x70x1290ПП 13-5 т
Цена по запросу

600x90x1290ПП 13-6 т
Цена по запросу

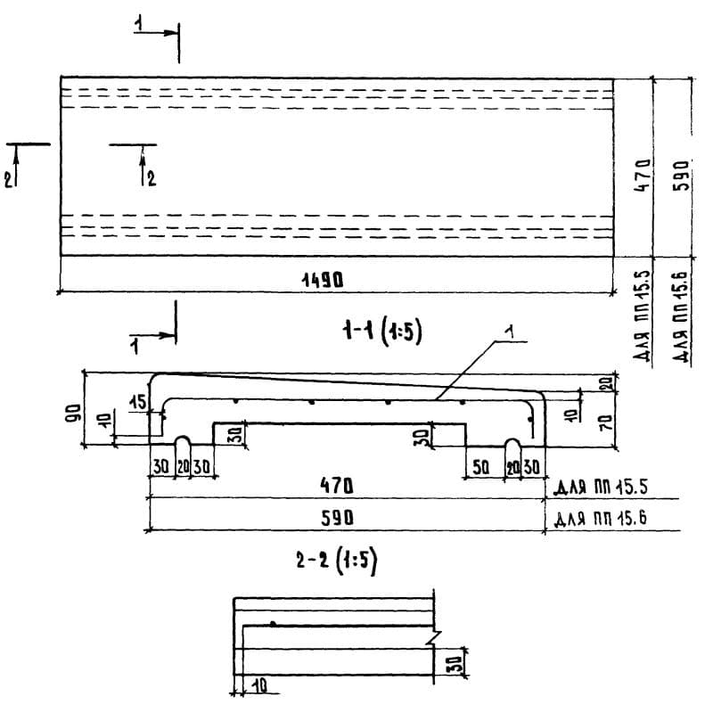
590x70x1490ПП 15-6
Цена по запросу

470x90x470ПП 5-5 т-1
Цена по запросу