Каталог по сериям
Выбрана серия: Альбом РК 2201-82
Альбом РК 2201-82

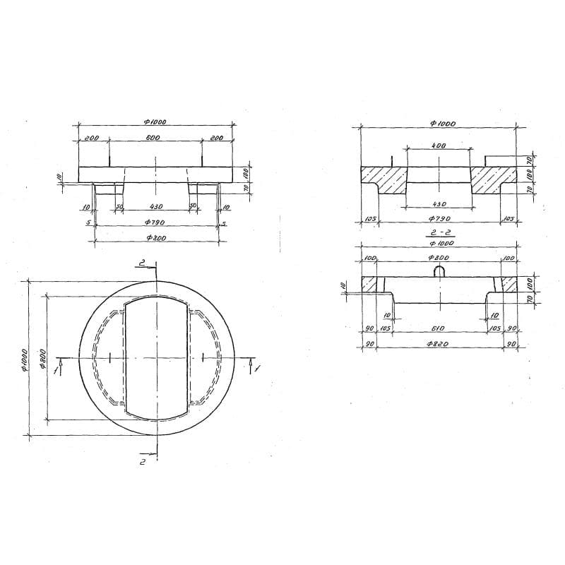
1000x170x1000ПВК 8
Цена по запросу

1200x120x1200ПК 10 (РК 2201-82)
Цена по запросу

1450x140x1450ПК 12 (РК 2201-82)
Цена по запросу

1720x140x1720ПК 15 (РК 2201-82)
Цена по запросу

1720x140x1720ПК 15-10
Цена по запросу

2240x160x2240ПК 20 (РК 2201-82)
Цена по запросу

2240x160x2240ПК 20-10
Цена по запросу

2740x180x2740ПК 25 (РК 2201-82)
Цена по запросу

2740x180x2740ПК 25-15
Цена по запросу

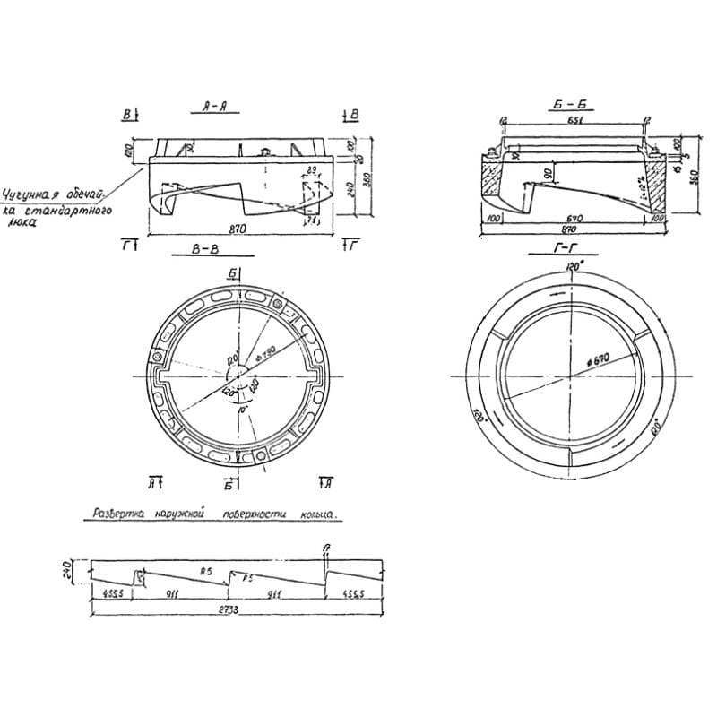
870x360x870ПК 7 с (РК 2201-82)
Цена по запросу