Каталог по сериям
Выбрана серия: Серия 1.020.1-3пв
Серия 1.020.1-3пв

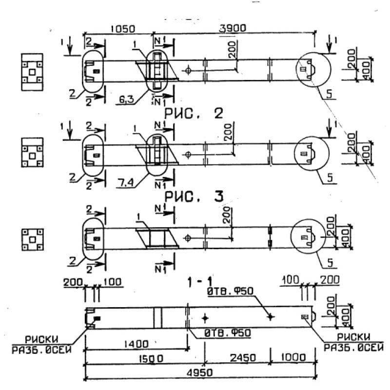
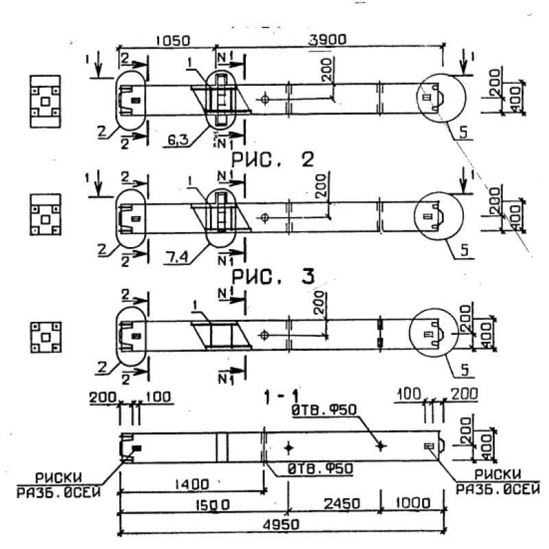
400x400x49501КНО 4-42-2-4 пв
Цена по запросу

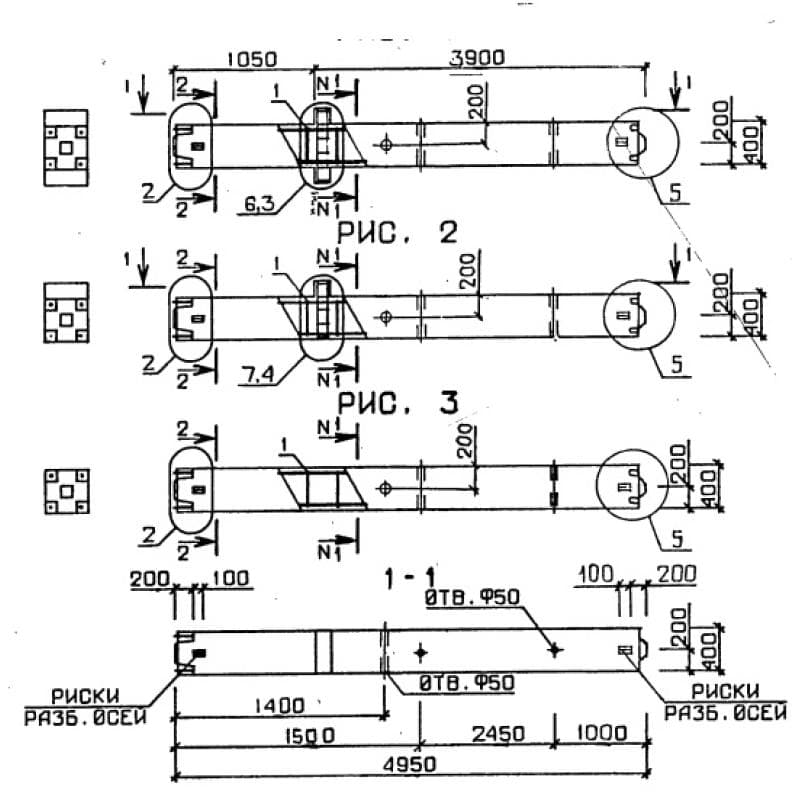
400x400x49501КНО 4-42-2-5 пв
Цена по запросу

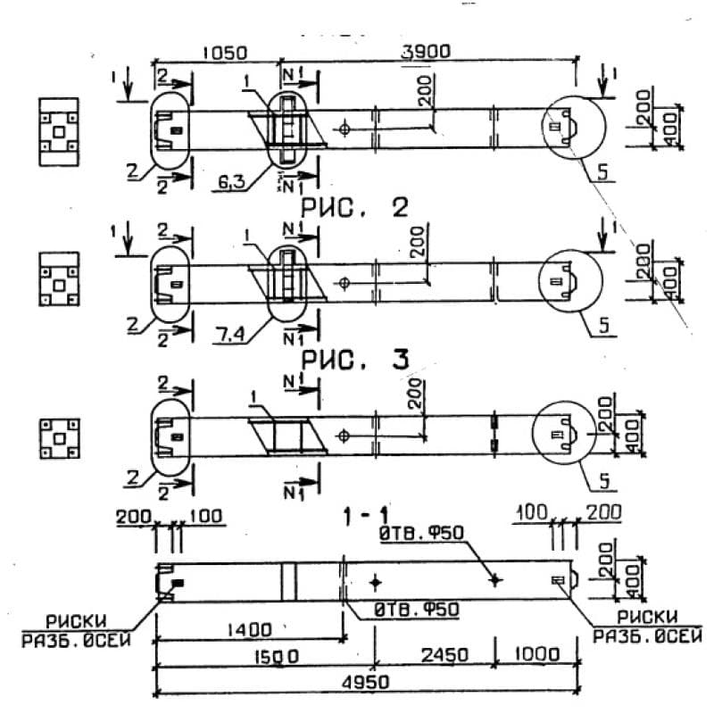
400x400x49501КНО 4-42-2-6 пв
Цена по запросу

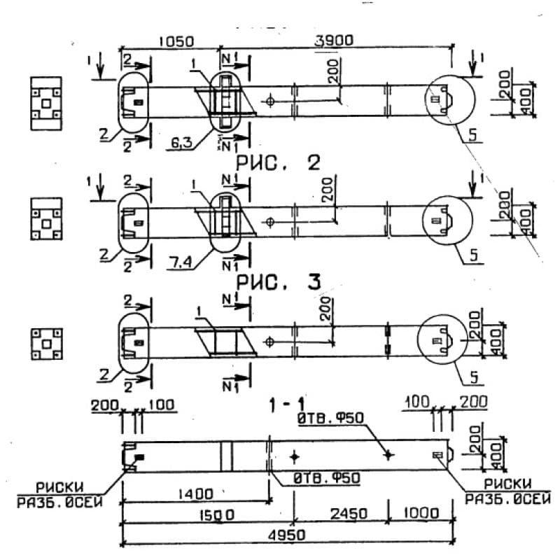
400x400x49501КНО 4-42-2-8 пв
Цена по запросу

400x400x49501КНО 4-42-2-9 пв
Цена по запросу

300x300x33001КО 3-33 пв
Цена по запросу

300x300x36001КО 3-36 пв
Цена по запросу

300x300x42001КО 3-42 пв
Цена по запросу

1200x900x12001Ф 12-9-1 пв
Цена по запросу

1200x900x12001Ф 12-9-2 пв
Цена по запросу

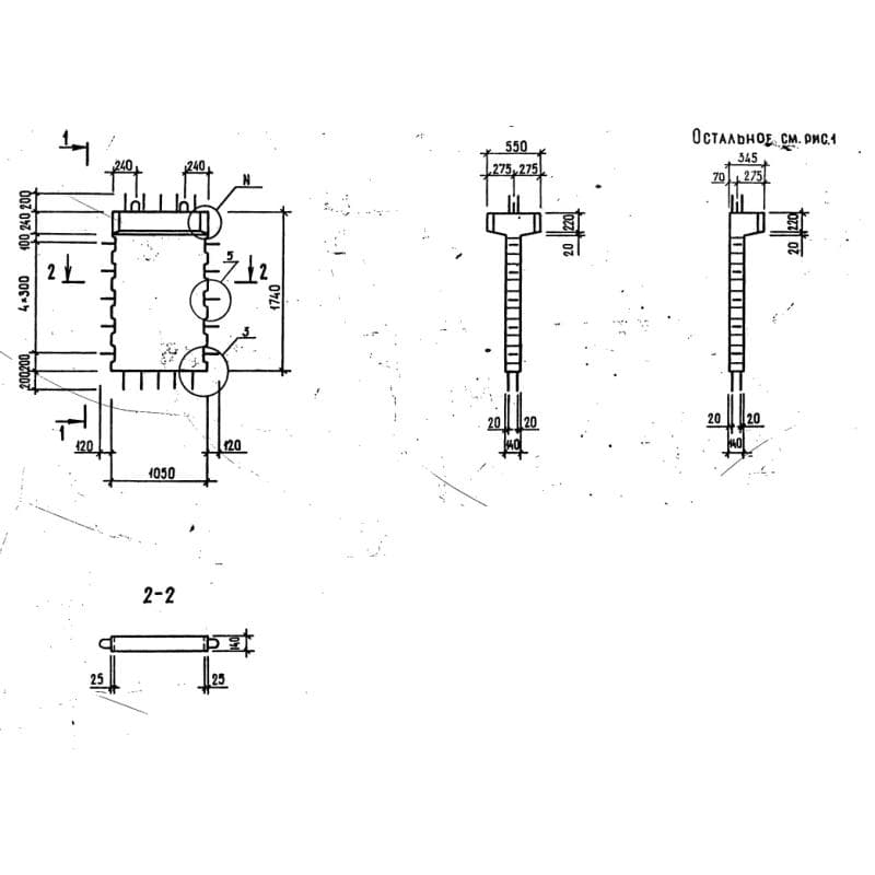
550x1740x10502Д 11-17 пв
Цена по запросу

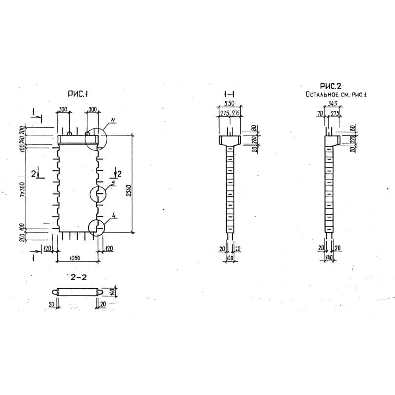
550x2540x10502Д 11-25 пв
Цена по запросу