Каталог по сериям
Выбрана серия: Серия 1.862-1
Серия 1.862-1

200x550x59802СБТ 60а-3300 АIII
Цена по запросу

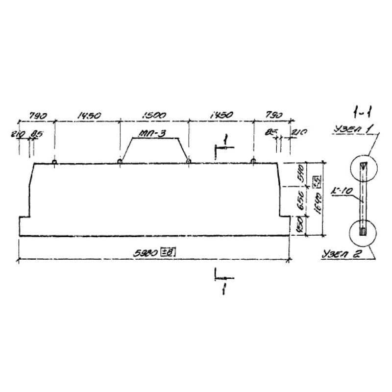
80x1640x5680ППГ 10г-5,68-1,64 (1.431-14)
Цена по запросу

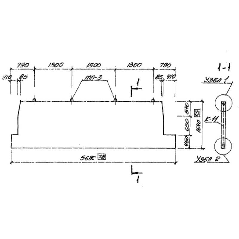
80x1640x5980ППГ 9-5,98-1,64 (1.431-14)
Цена по запросу

300x1180x1300ПС 130-12-30 п (1.432-14)
Цена по запросу

140x400x5980СП 60-300 АII
Цена по запросу

140x400x5980СП 60-300 АIII
Цена по запросу

140x400x5980СП 60-700 АII
Цена по запросу

140x400x5980СП 60-700 АIII
Цена по запросу

250x140x510СПО 2,5-5
Цена по запросу

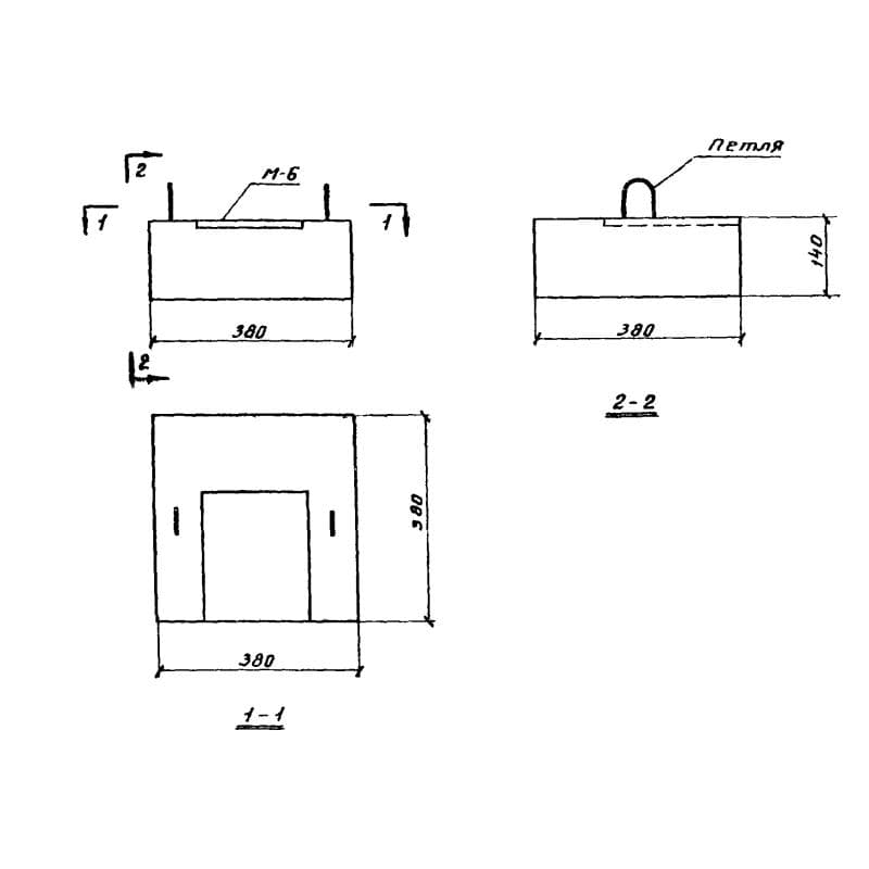
380x140x380СПО 4-4
Цена по запросу

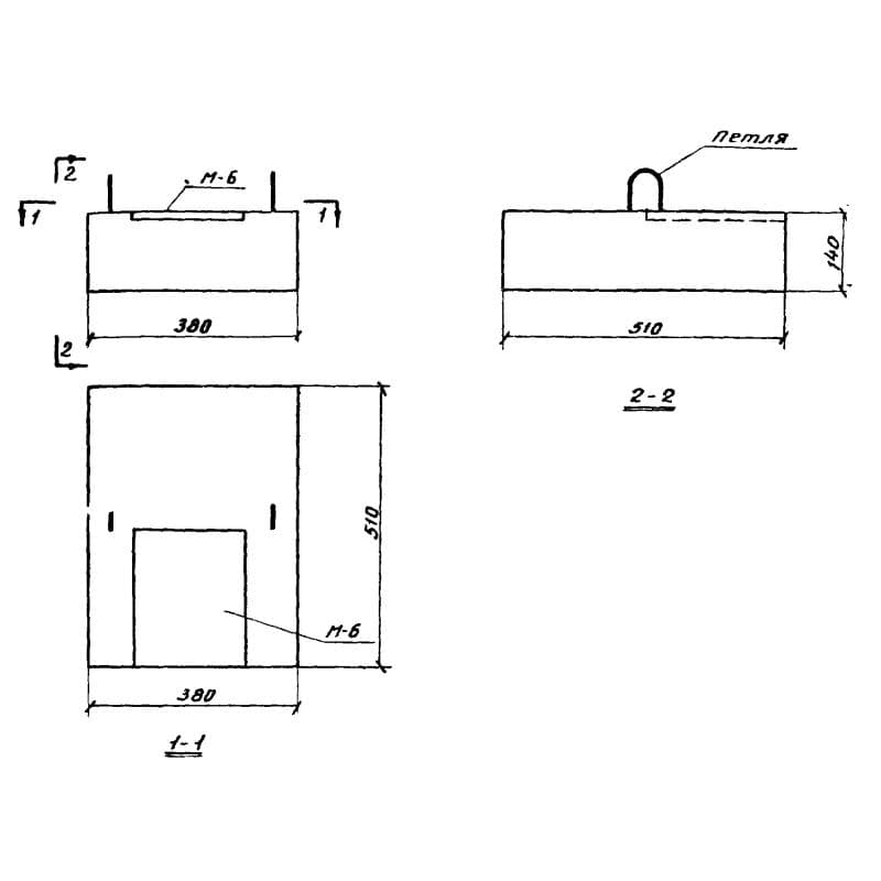
510x140x380СПО 4-5
Цена по запросу

200x450x59801СБТ 60-1500 АII
Цена по запросу