Каталог по сериям
Выбрана серия: Серия 3.407-40/70
Серия 3.407-40/70

1000x250x3500НСП 1
Цена по запросу

1000x250x3500НСП 1 б
Цена по запросу

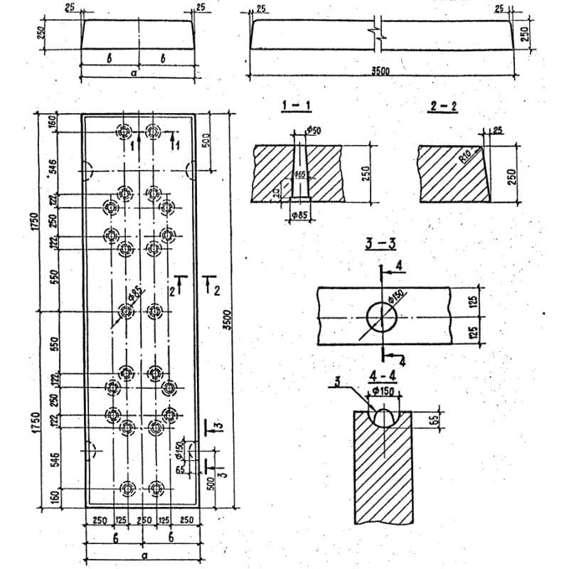
1500x250x3500НСП 3
Цена по запросу

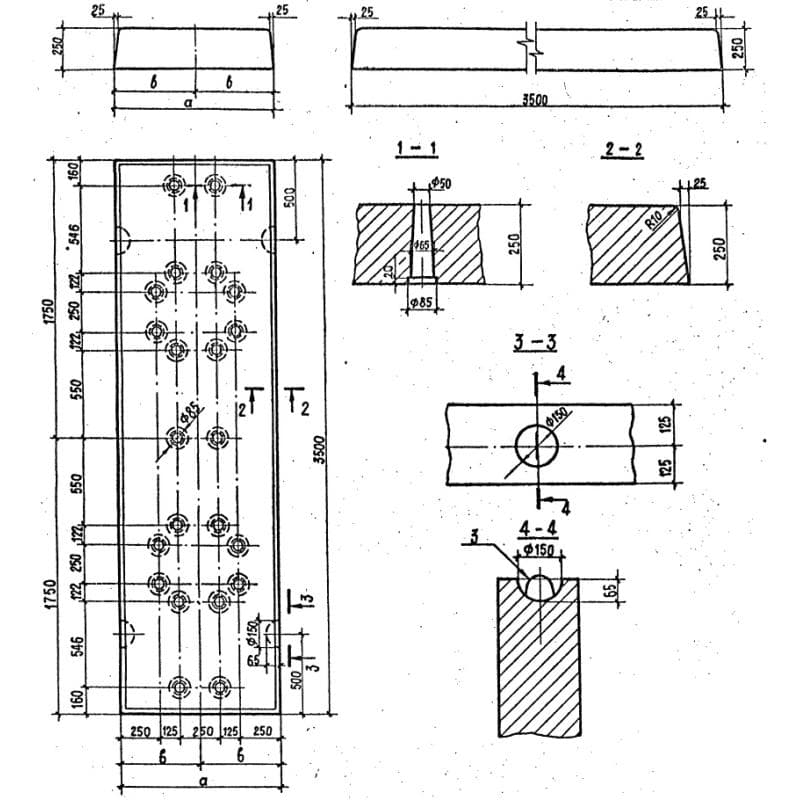
1500x250x3500НСП 3 а
Цена по запросу

1000x250x1000НСП 5
Цена по запросу

495x80x1250ОПП 5
Цена по запросу

350x80x1200ПЛ 1
Цена по запросу

300x80x1200ПЛ 2
Цена по запросу

890x120x3070ПН 1
Цена по запросу

890x100x3250ПН 2
Цена по запросу

1000x100x3450ПСЖ
Цена по запросу

650x650x24280СК 14
Цена по запросу