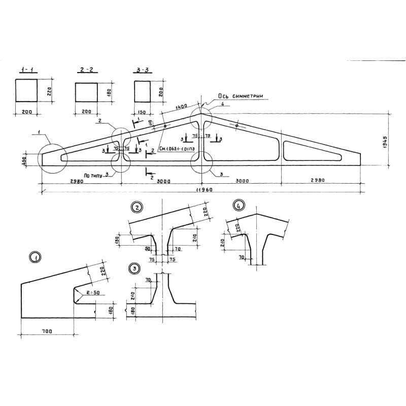
Каталог по сериям

Выбрана серия: Серия 1.063.1-1