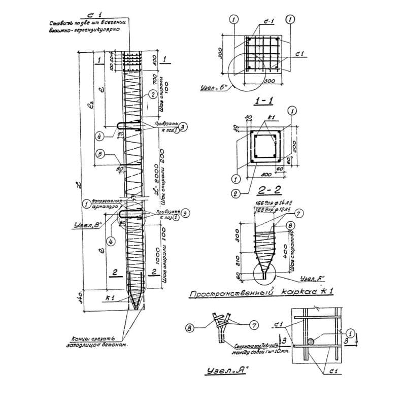
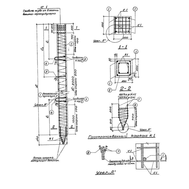
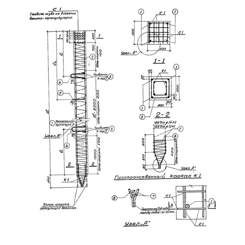
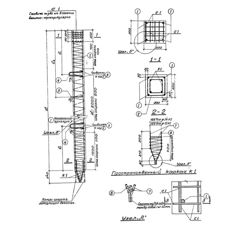
Каталог по сериям

Выбрана серия: Серия 1.011-1