Каталог по сериям
Выбрана серия: Серия 1.012.1-3.97
Серия 1.012.1-3.97

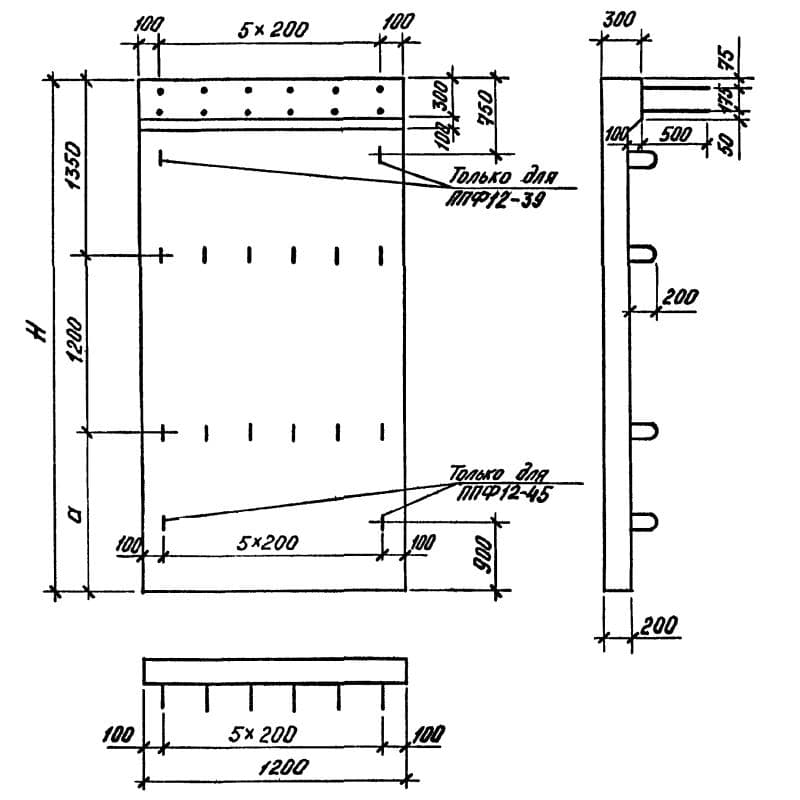
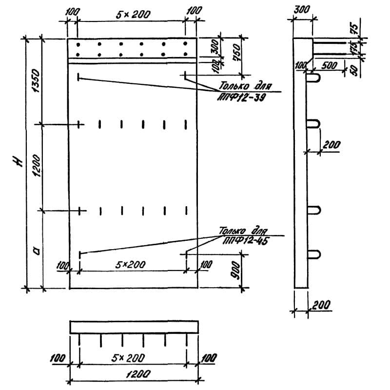
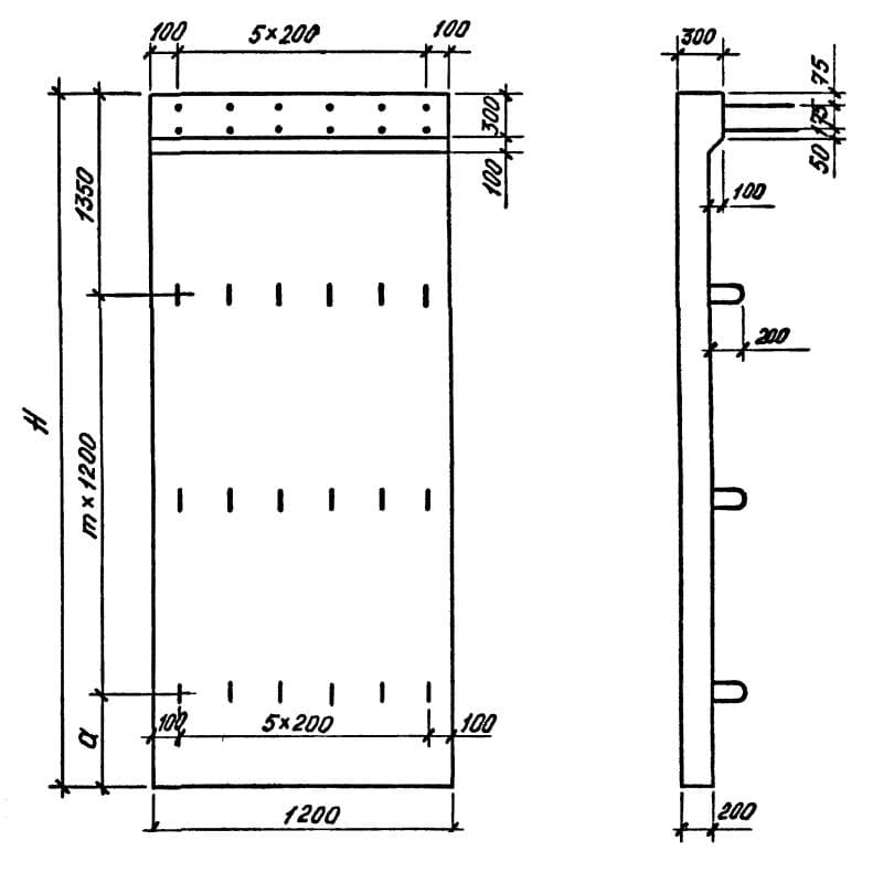
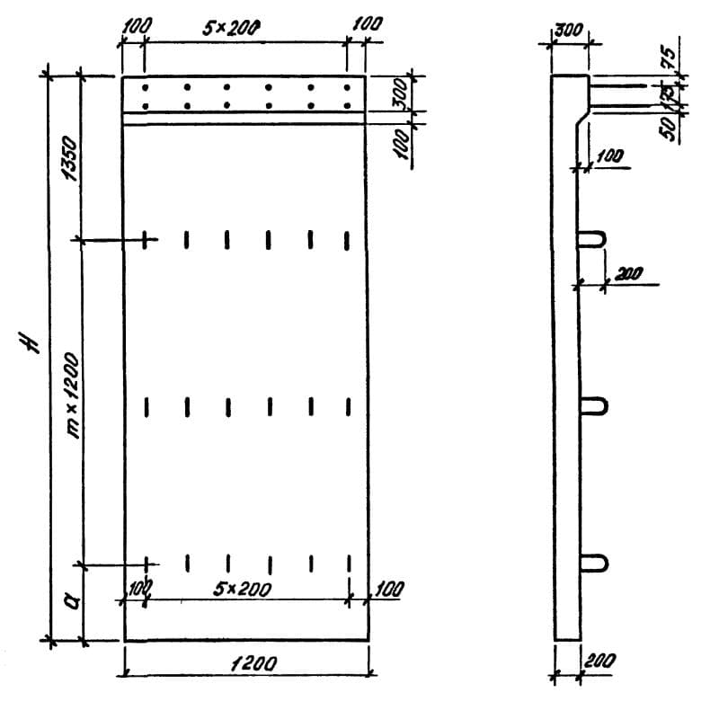
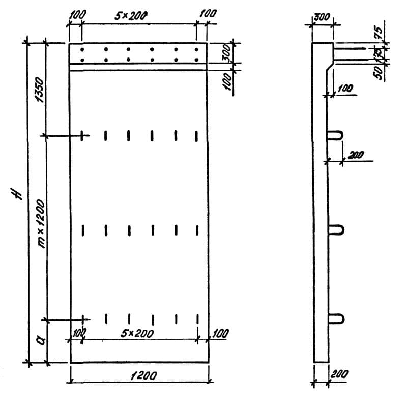
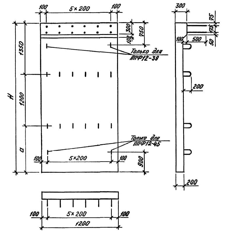
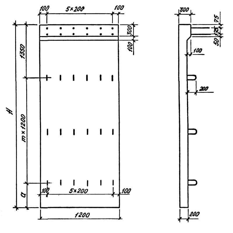
300x3900x1200ППФ 12-39
Цена по запросу

300x4500x1200ППФ 12-45
Цена по запросу

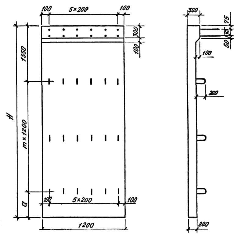
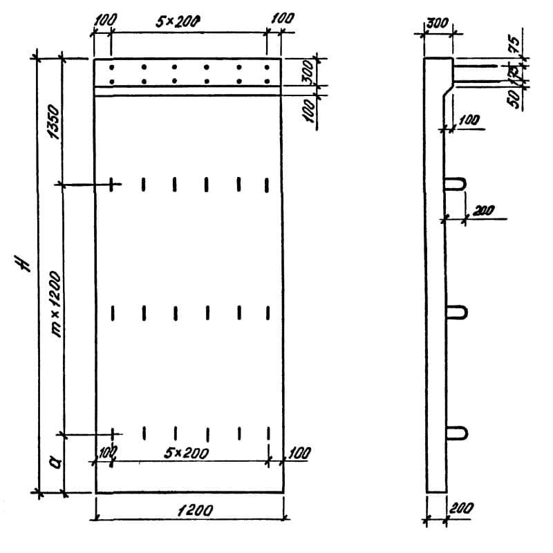
300x5100x1200ППФ 12-51
Цена по запросу

300x5700x1200ППФ 12-57
Цена по запросу

300x6300x1200ППФ 12-63
Цена по запросу

300x6900x1200ППФ 12-69
Цена по запросу

300x7500x1200ППФ 12-75
Цена по запросу

300x8100x1200ППФ 12-81
Цена по запросу

300x8700x1200ППФ 12-87
Цена по запросу

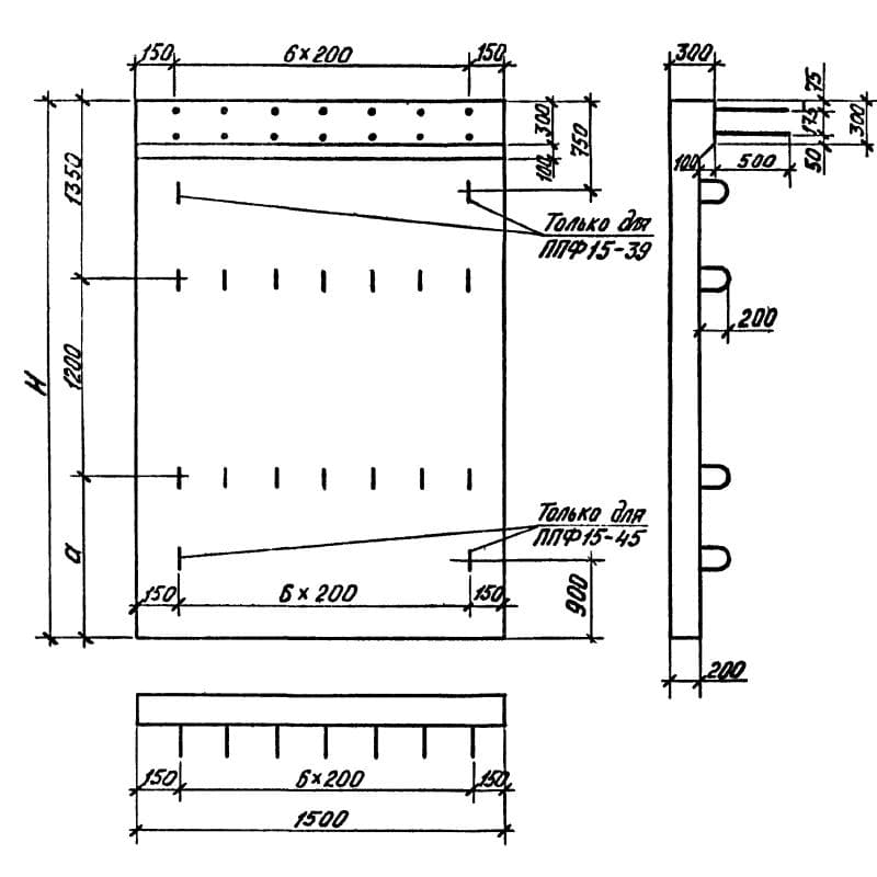
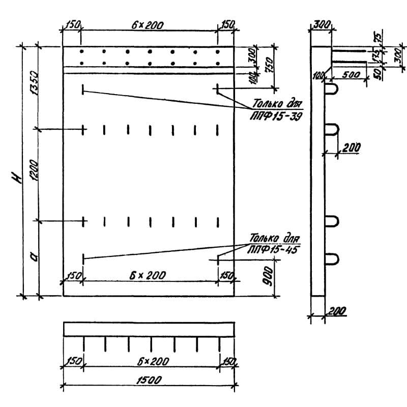
300x3900x1500ППФ 15-39
Цена по запросу

300x4500x1500ППФ 15-45
Цена по запросу

300x5100x1500ППФ 15-51
Цена по запросу