Каталог по сериям
Выбрана серия: Серия 1.238.1-2
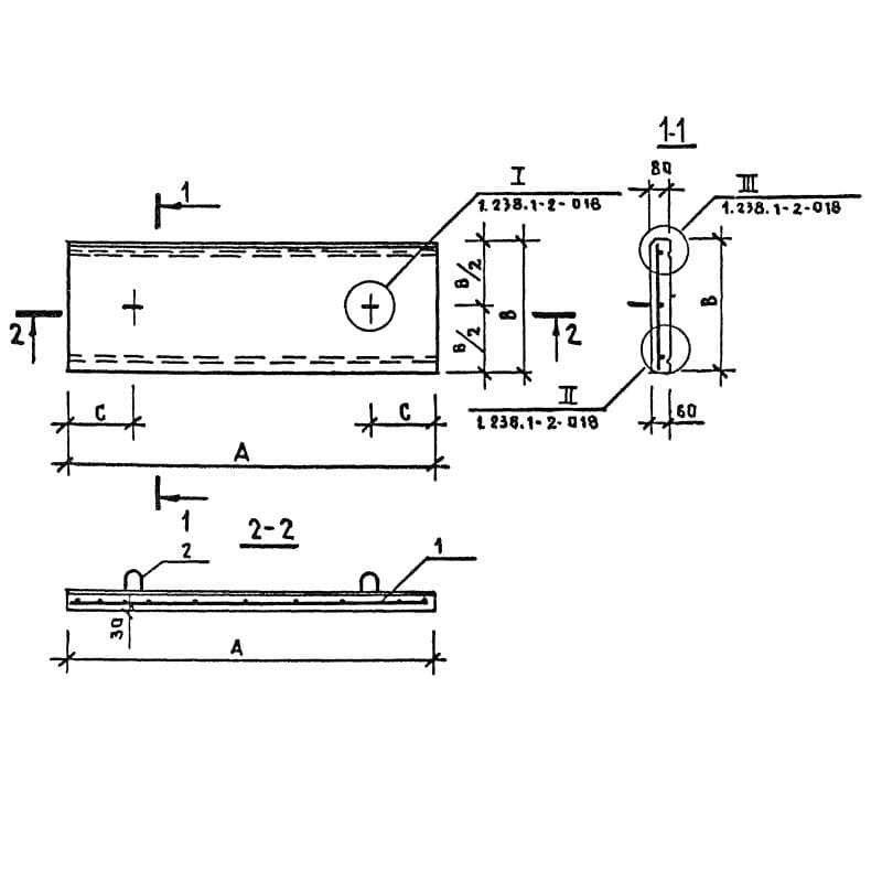
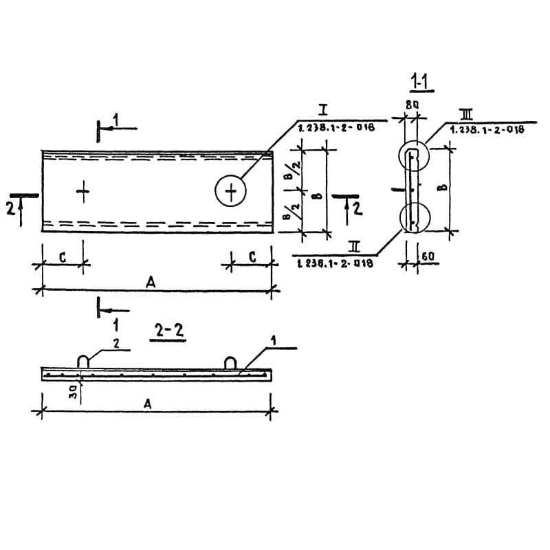
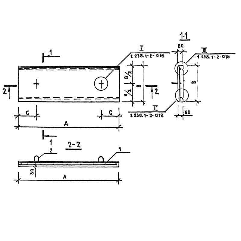
Серия 1.238.1-2

510x190x181010ПП 18-72 Ат600с (ГОСТ 948-2016)
Цена по запросу

380x140x18102ПП 18-5
Цена по запросу

400x160x1800ПП 18-4 у
Цена по запросу

835x260x1780ПП 18-8-2-300 т
Цена по запросу

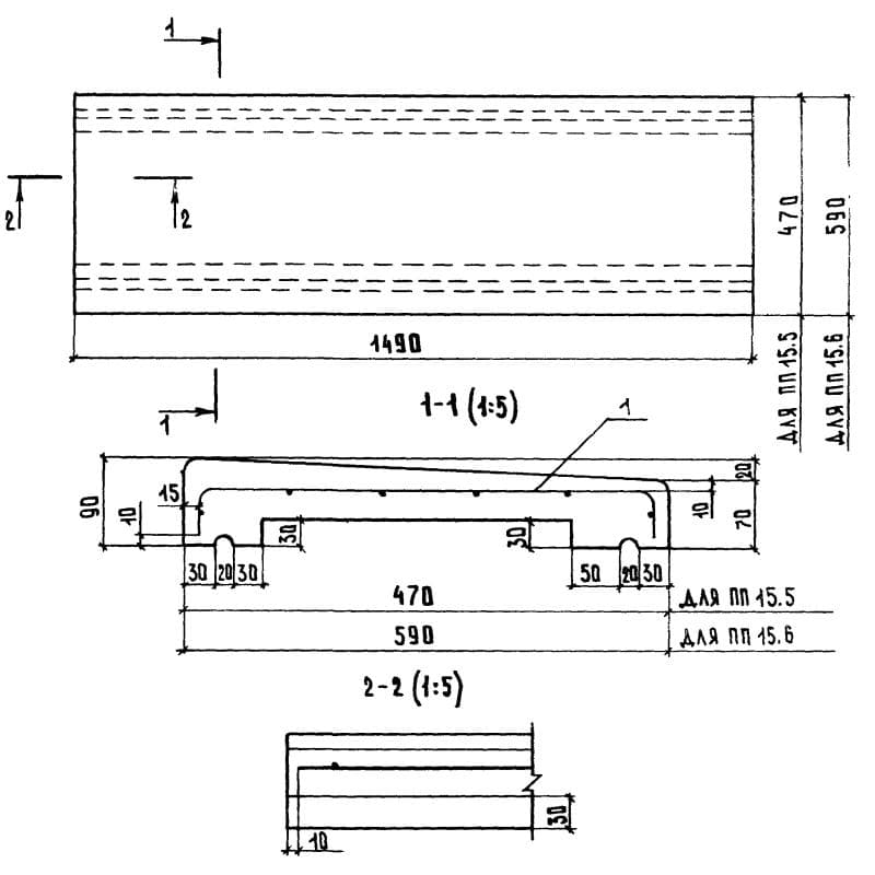
470x70x1490ПП 15-5
Цена по запросу

420x60x1490ПП 15-4
Цена по запросу

520x80x1490ПП 15-5
Цена по запросу

700x80x1490ПП 15-7
Цена по запросу

800x80x1490ПП 15-8
Цена по запросу

420x80x1790ПП 18-4
Цена по запросу

800x80x1790ПП 18-8
Цена по запросу

420x80x420ППУ 4-4
Цена по запросу