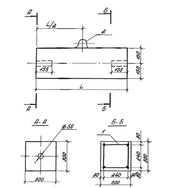
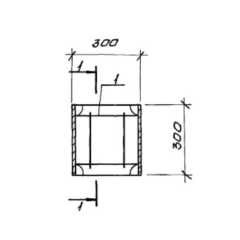
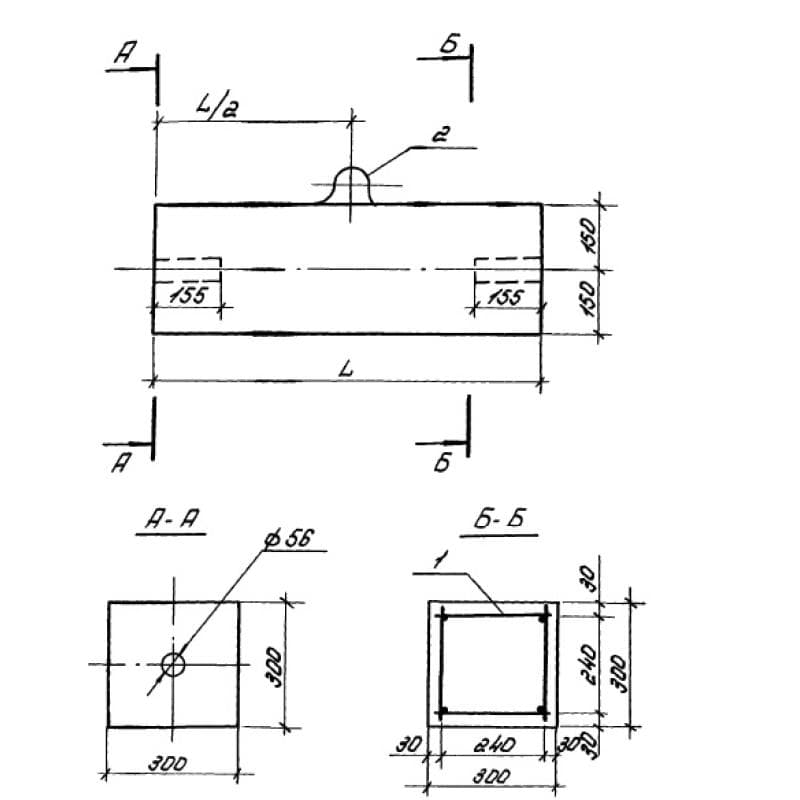
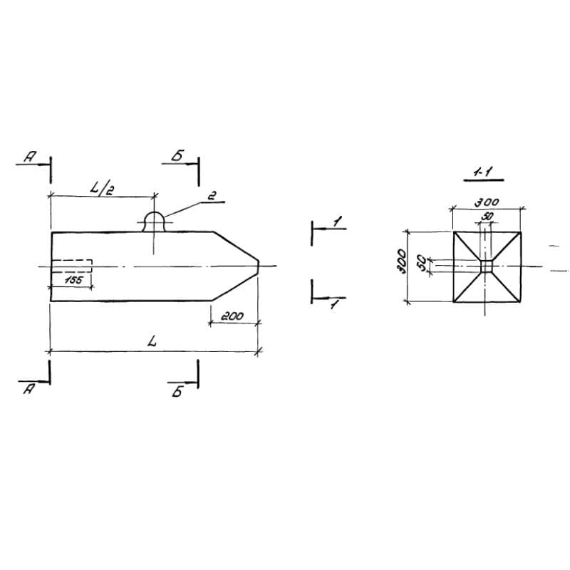
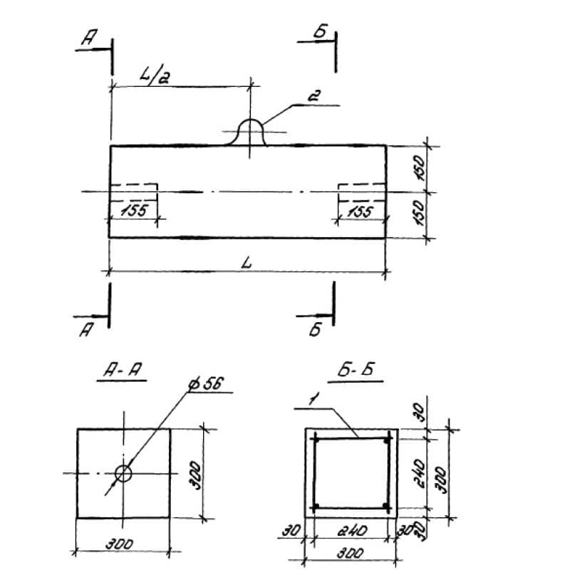
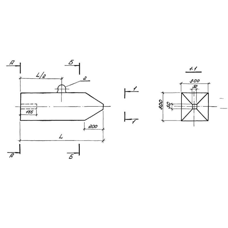
Каталог по сериям

Выбрана серия: Серия 1.110 КР-1