Каталог по сериям
Выбрана серия: Серия СТ 02-11/61
Серия СТ 02-11/61

250x1185x44801ПС 45-12-2,5 п (1.020-1)
Цена по запросу

250x1185x59801ПС 60-12-2,5 п (1.020-1)
Цена по запросу

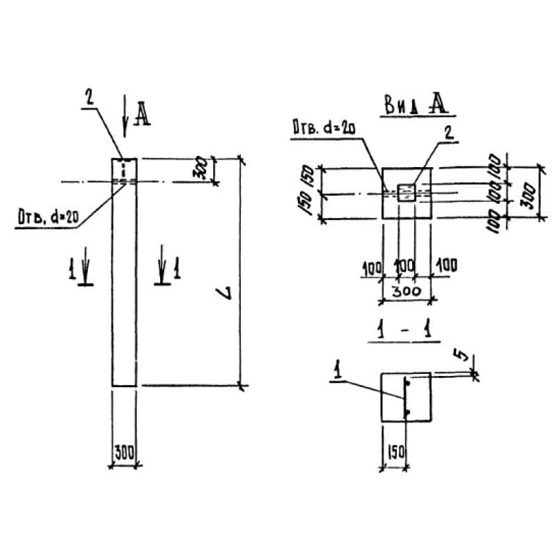
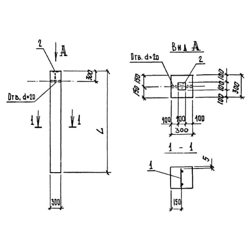
300x300x1185УБ 12-30 т (1.432.1-20)
Цена по запросу

300x300x2385УБ 24-30 т (1.432.1-20)
Цена по запросу

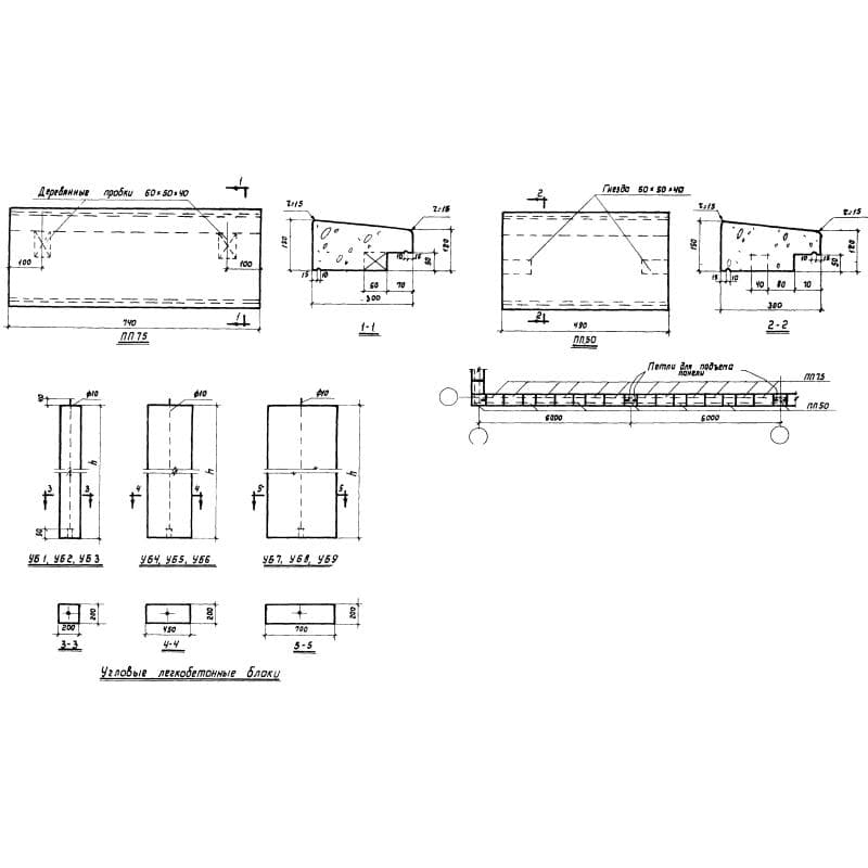
500x600x6000ПП 50-1 (0,6х6)
Цена по запросу

300x150x490ПП 50
Цена по запросу

300x150x740ПП 75
Цена по запросу

1785x200x5980ПС 1
Цена по запросу

1785x200x5980ПС 2
Цена по запросу

1185x200x5980ПС 3
Цена по запросу

1185x200x5980ПС 4
Цена по запросу

785x200x5980ПС 5
Цена по запросу