Каталог по сериям
Выбрана серия: ГОСТ 19330-99
ГОСТ 19330-99

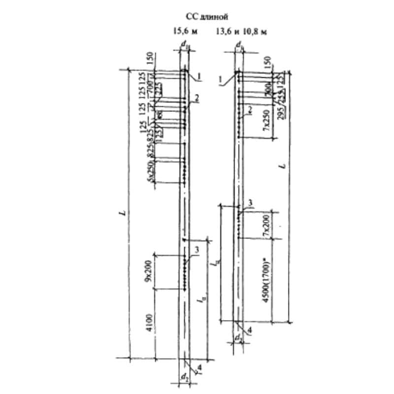
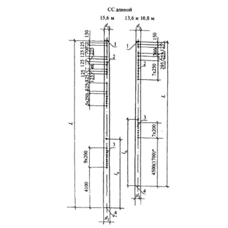
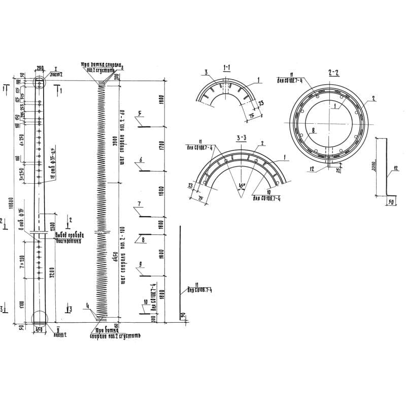
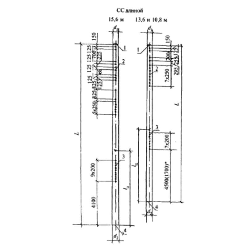
450x450x10800СС 108,6-2
Цена по запросу

450x450x10800СС 108,6-3
Цена по запросу

450x450x10800СС 108,7-4
Цена по запросу

492x492x13600СС 136,6-2
Цена по запросу

492x492x13600СС 136,6-3
Цена по запросу

492x492x13600СС 136,7-4
Цена по запросу

524x524x15600СС 156,6-5
Цена по запросу

524x524x15600СС 156,6-6
Цена по запросу

524x524x15600СС 156,6-7
Цена по запросу

524x524x15600СС 156,7-8
Цена по запросу

435x435x10000ССА 100,6-3
Цена по запросу

435x435x10000ССА 100,7-4
Цена по запросу