Каталог по сериям
Выбрана серия: Шифр
Шифр

200x890x11960БОР 12-3
Цена по запросу

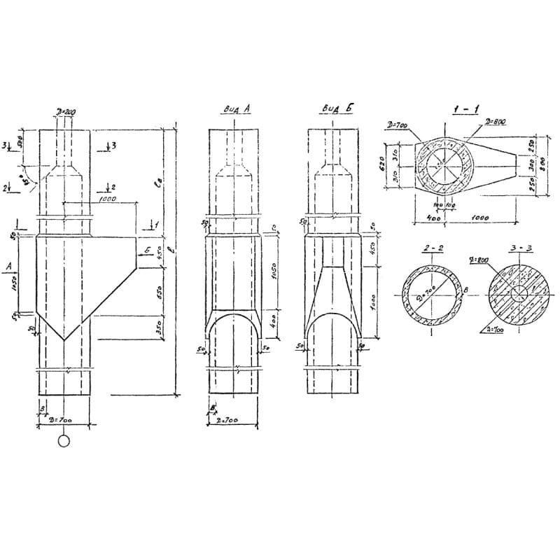
700x700x96001КК 84-7-6,1 (Шифр Э 1708/1)
Цена по запросу

1493x220x50801П 51-15-5 ВрII(5) т (Шифр 0-312)
Цена по запросу

590x220x41801П 42-6-5,5 к-7(6) т (Шифр 0-312)
Цена по запросу

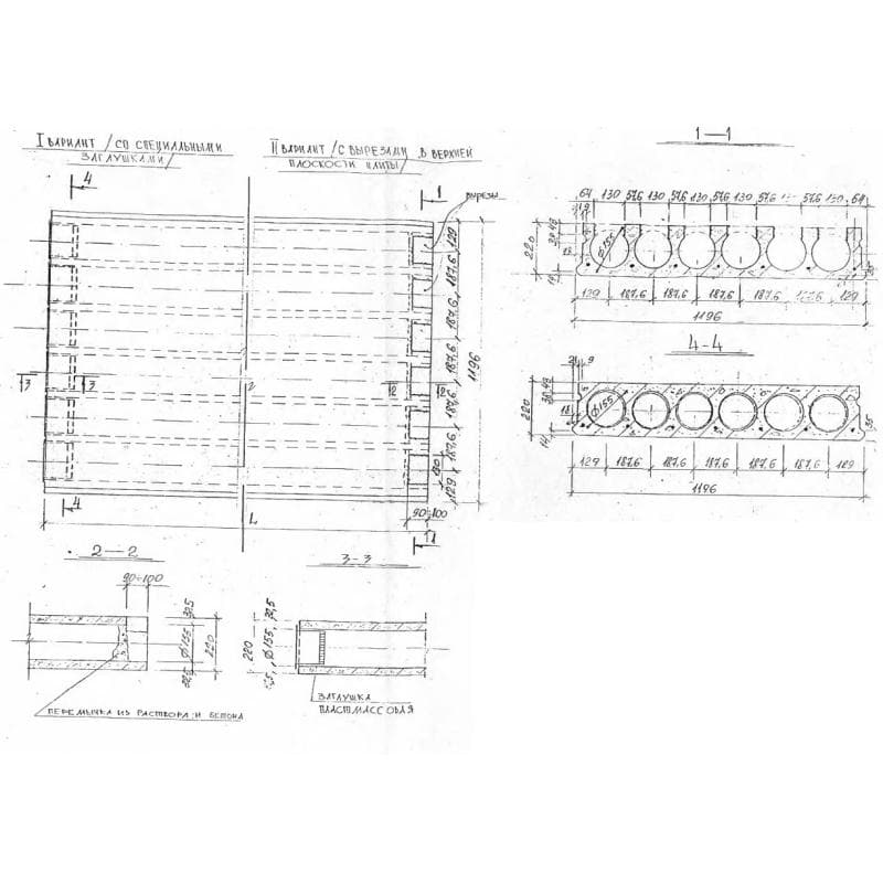
1196x220x4780ПЭ 48-12-4-12 к-7 т (Шифр СК 1223)
Цена по запросу

700x700x120004КК 108-10-1,1 (Шифр Э 1708/1)
Цена по запросу

700x1200x3000БЭ 2 (шифр 2175рч)
Цена по запросу

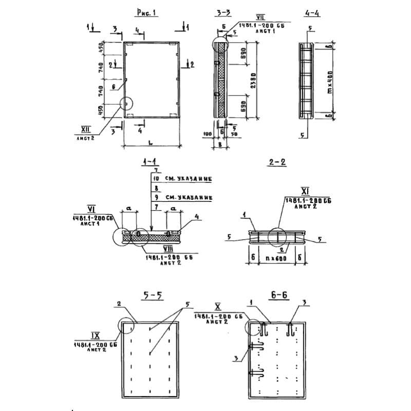
300x4180x880ПСТ 9-42-30 пп (Шифр 1481)
Цена по запросу

1192x220x89801П 90-12-5 к-7(9) т (Шифр 0-312)
Цена по запросу

400x500x8650КБП 60-4
Цена по запросу

1192x220x42602П 43-12-15 к-7(9) (Шифр 0-312)
Цена по запросу

700x700x120003КК 108-8-6,1 (Шифр Э 1708/1)
Цена по запросу