Каталог по сериям
Выбрана серия: Серия
Серия

590x220x59801ПК 60-6-4,5 АтVтс (1.090.1-2с)
Цена по запросу

2985x300x5650П 1-4 АтVск л (1.042.1-4)
Цена по запросу

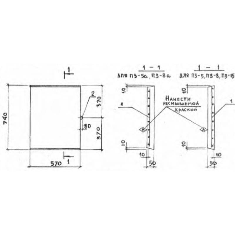
570x50x740П 3-8 (3.006-2)
Цена по запросу

1490x220x5980ПК 4-60-15
Цена по запросу

345x1970x29801Д 30-20-5 пв
Цена по запросу

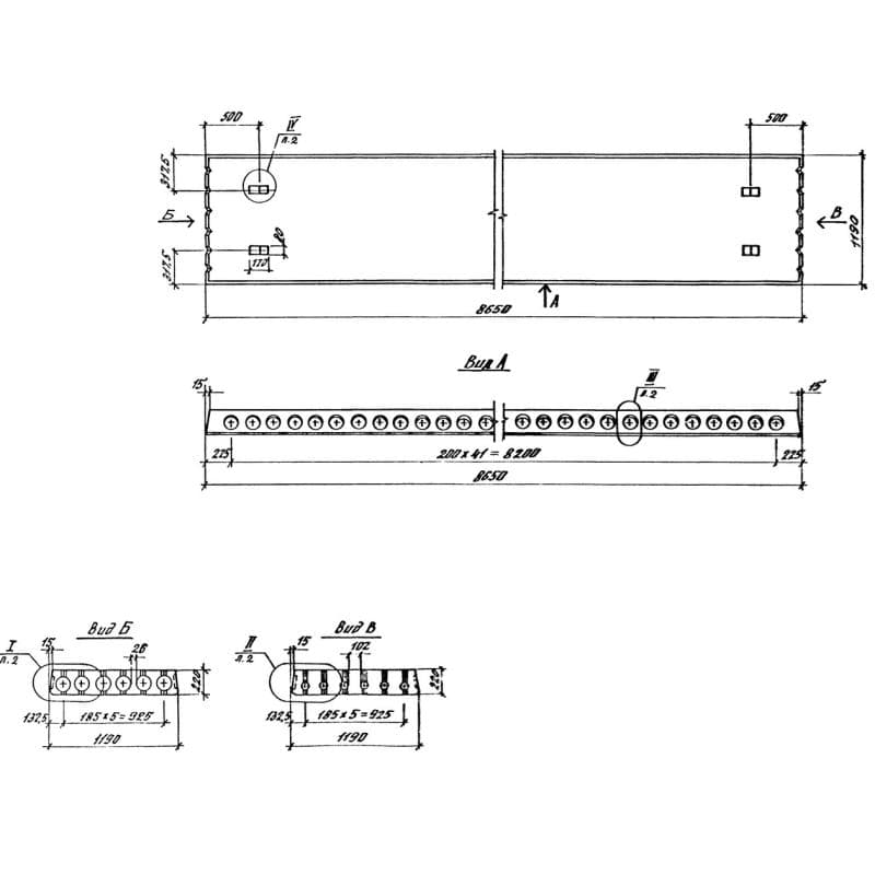
1190x220x8650ПК 86-12-6 АIIIв-1
Цена по запросу

250x190x246010ПБ 25-27 а
Цена по запросу

1500x1200x1800Р 10-1
Цена по запросу

4500x800x2100Ф 5-18-21 в
Цена по запросу

600x400x3510К 9-11
Цена по запросу

400x400x103204КБ 48-103-7
Цена по запросу

2980x600x2980КП 1-5-1 (1.420.1-14)
Цена по запросу