Каталог по сериям
Выбрана серия: Серия
Серия

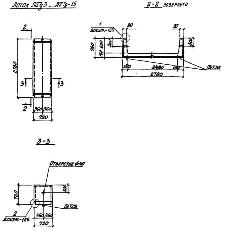
2780x760x720Л 27д-3 (3.006-2)
Цена по запросу

2980x250x59701ПВ 4-1 АIV
Цена по запросу

3275x400x29903ПСД 30-33-4,0
Цена по запросу

2100x1200x2400Р 10-19
Цена по запросу

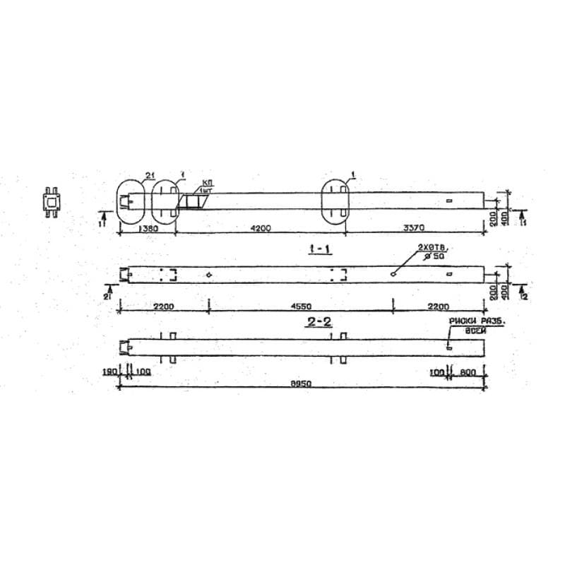
100x1785x5980ПС 600-180-10-2 т-60
Цена по запросу

400x400x116503КН 33-33
Цена по запросу

400x400x89501КН 33-89-3
Цена по запросу

280x890x119602БПЭ 12-3 АIIIв
Цена по запросу

300x1785x11970ПСН 120-18-2 ВрIIт-2 (1.432.1-20)
Цена по запросу

960x80x6280ОЛ 63-10-8 т-1
Цена по запросу

570x300x5980СБ 60-3-6 я (1.090.1-9м)
Цена по запросу

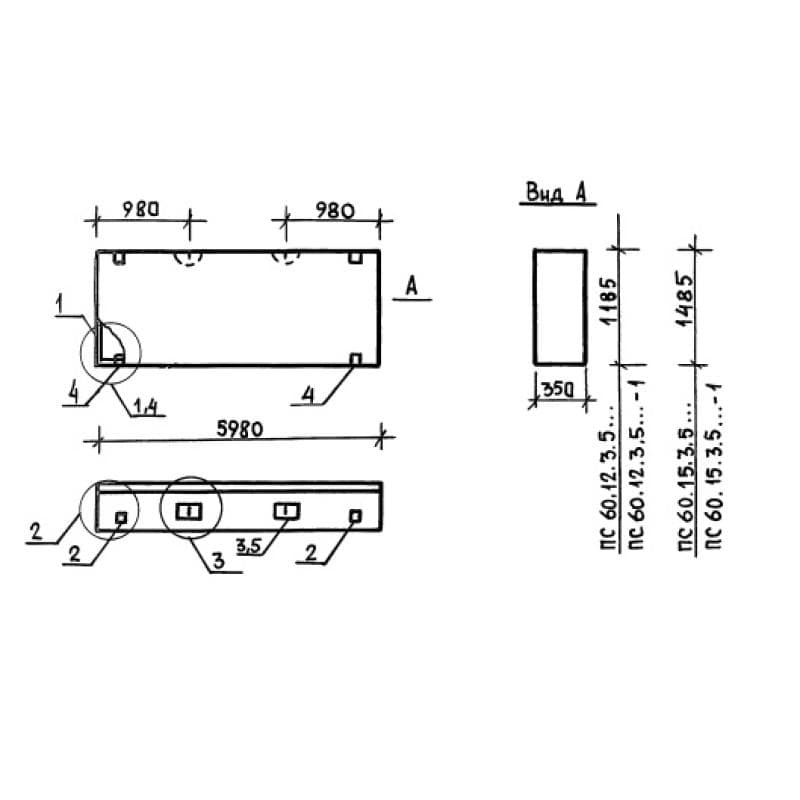
350x1185x5980ПС 60-12-3,5 л
Цена по запросу