Каталог по сериям
Выбрана серия: Серия
Серия

160x2780x1780СБЛ 18-28-1 т-2
Цена по запросу

290x124x1350ЛС 14 н (1.155-1)
Цена по запросу

1150x1400x4475ЛМП 57-11-14-5-3 с (1.050.9-4.93)
Цена по запросу

1200x500x35003БН 35-1-1
Цена по запросу

1490x220x5650ПК 56-15-4 ВрIIп
Цена по запросу

300x300x10000С 100-30-12 у
Цена по запросу

120x2650x5230ПСВ 52-27-12-150 т-1,1
Цена по запросу

200x380x6250БС 6-3 АV
Цена по запросу

345x1970x25601Д 26-20-5 пв
Цена по запросу

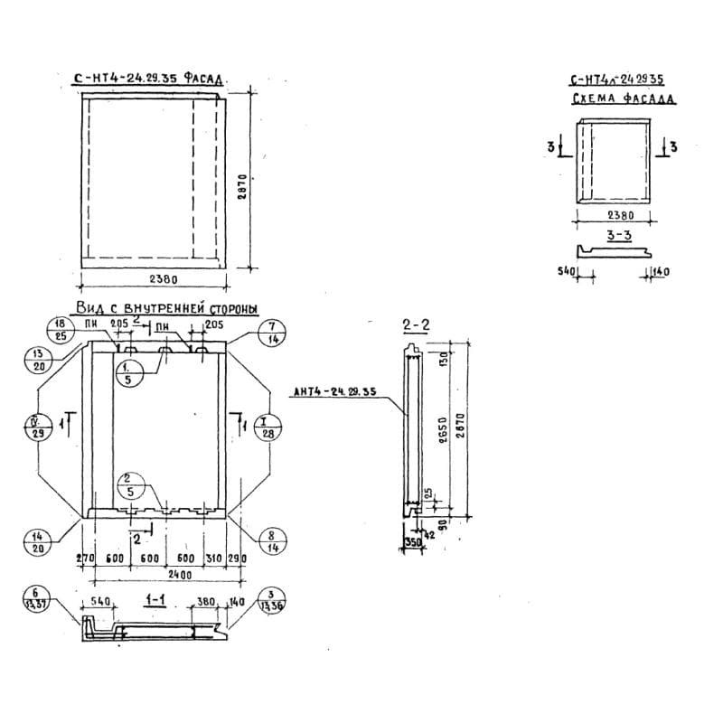
350x2870x2380СНТ 4-24-29-35
Цена по запросу

400x2460x40951НЧ 41-25-45-50 л-1,2 (1.138.1-17)
Цена по запросу

990x220x4780ПК 48-10-8 ВрIIт
Цена по запросу