Каталог по сериям
Выбрана серия: Серия
Серия

200x2080x2780СБВ 21-28-2 т-305
Цена по запросу

300x480x3290СБУ 32-5-3 п-2 (1.133-2)
Цена по запросу

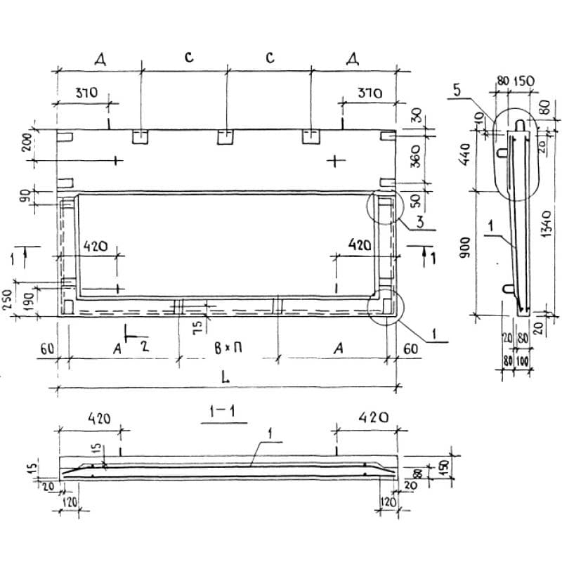
265x2200x26601Д 27-22 (1.220.1-3м)
Цена по запросу

250x3240x239402ФС 24-7/8 АIV на
Цена по запросу

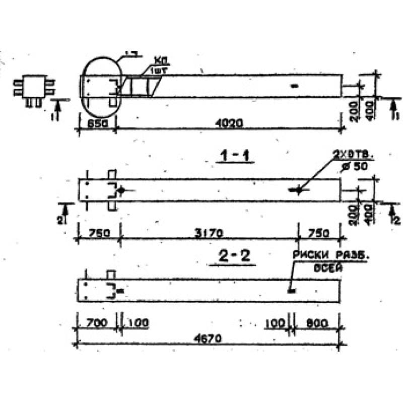
400x400x46704КБ 36-47-1 с
Цена по запросу

400x400x10170К 36а-3-5
Цена по запросу

1340x150x2690ПБ 27-6
Цена по запросу

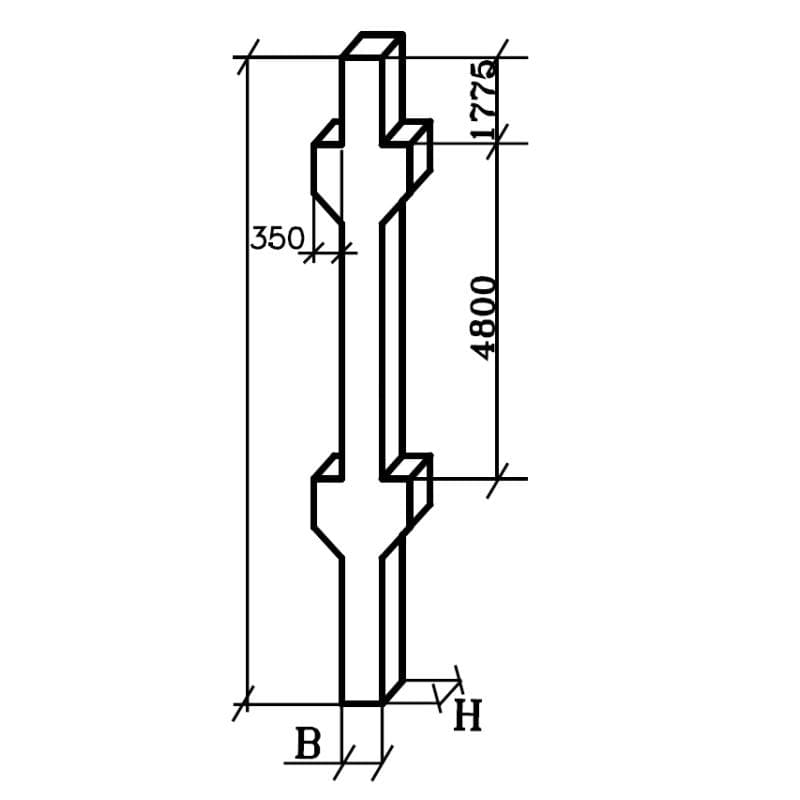
350x350x16000С 160-35-11 у
Цена по запросу

400x400x53501КНД 4-36-4,6
Цена по запросу

1260x220x3040ЛП 1 (ИИ 27-1)
Цена по запросу

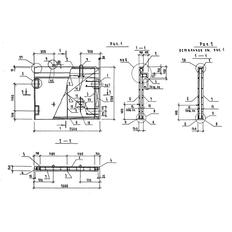
400x400x103204КБ 48-103-9 с
Цена по запросу

300x300x20501КВ 3-28-32 (Б1.020.1-7)
Цена по запросу